Редуктор РМ-1000-8
Редуктор РМ-1000-8
Редуктор горизонтальний двоступінчастий РМ-1000-8 – це надійний та простий в експлуатації механізм. Його використовують з різними приводами для зміни їх крутного моменту та числа обертів. Знайшов своє застосування у різних напрямках машинобудівних галузей.
Циліндричний редуктор РМ-1000-8 має низку умов для його застосування:
- можливість працювати в тривалому режимі без зупинок,
- обертання валів у будь-якому напрямку з різними типами навантаження,
- вхідна швидкість на вал не повинна перевищувати 1500 об/хв,
- експлуатація в кліматичних умовах У та Т за ГОСТ 15150-69,
- знаходження даного редуктора не повинно бути в агресивному середовищі.
Придбати редуктор РМ-1000 можна у нас на сайті компанії «Промпривод». До товару додається оригінальний паспорт, з усіма печатками та відмітками ВТК, а також гарантія на 12 місяців.
Доставка здійснюється в будь-який регіон України, у найкоротші терміни. Замовляючи у нас, Ви можете бути впевнені в якості товару. Всі ціни від виробника.
Розміри редуктора РМ-1000

Технічні характеристики редуктора РМ-1000-8
| Типорозмір | РМ-1000 | |||
| Номінальне передавальне | 8,0 | |||
| Номінальний крутний момент | Ном. част. обер. швидкохід. валу, с-1(об/хв) | 10 (600) | Особливо легкий | 55696 |
| ПВ 15% | 46522 | |||
| ПВ 25% | 40625 | |||
| ПВ 40% | 34073 | |||
| ПВ 100% | 16905 | |||
| Маса, кг, не більше | 2122 | |||
| Номінальна частота обертання швидкохідного валу, | Короткочасний допустимий момент, що крутить на тихохідному валу, Т, Н×м |
| 8,0 | |
| РМ-1000 | |
| 10,0 (600) | 10700 |
| Номінальна частота обертання швидкохідного валу, об/хв | РМ-1000-8 | ||
| FБ max | FТ max | FM max | |
| 600 | 13,0 | 176 | 199,0 |
| 750 | 12,0 | 164 | 184,3 |
| 1000 | 10,5 | 150 | 168,2 |
| 1250 | 10,0 | 134 | 157,0 |
| 1500 | 9,1 | 128 | 154,0 |
Розміри редуктора РМ-1000-8
| aw | awm | L | L1 | L2 | l | l1 | l2 | l3 | l4 | l5 |
| 1000 | 600 | 1896 | 550 | 695,5 | 1350 | 870 | 350 | 250 | 639 | 645 |
| B | B1 | B2 | H | H1 | h | Ød | n отв. |
| 660 | 590 | 660 | 1172 | 965 | 400 | 200 | 40 |
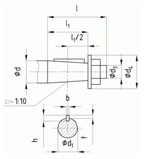
Розміри кінців швидкохідних валів редуктора РМ-1000-8

| Ød | Ød1 | Ød3 | Ød4 | l | l1 | b | h | t |
| 90 | 83,50 | М64×4 | 130 | 170 | 130 | 22 | 14 | 9 |
Розміри кінців тихохідних валів під муфти редуктора РМ-1000-8

| Ød m6 | Ød1 | b | l | t |
| 150 | 170 | 36 | 200 | 162 |
Розміри кінців тихохідних валів у формі зубчастої напівмуфти редуктора РМ-1000-8

| m | z | b | L | L1 | k | B | Ød F7 | Ød1 f9 |
| 10 | 48 | 60 | 70 | 16 | 50 | 85 | 200 | 260 |
| 8 | 54 | 50 | 70 | 22 | 40 | 78 | з | 280 |
Варіанти складання редуктора

Умовне позначення редуктора РМ-1000-8

Редуктор РМ-1000-8
Відгуків про цей товар ще не було.
Немає відгуків про цей товар, станьте першим, залиште свій відгук.
Немає питань про даний товар, станьте першим і задайте своє питання.