Редуктор РМ-250-10
Редуктор РМ-250-10
Горизонтальний редуктор РМ-250-10 має паралельне розташування осей. Його головним завданням є збільшення моменту, що крутить, і зменшення частоти обертання. Застосовується у машинобудівній галузі. Наприклад, таких пристроях як приводи транспортерів, механізми кранів тощо.
Редуктор РМ-250-10 має низку умов для роботи:
- навантаження може бути як постійне, так і змінне,
- робота може виконуватися з періодичними зупинками або в постійному режимі,
- швидкість обертання на вході пристрою не повинна перевищувати 1500 об/хв.,
- температура навколишнього середовища знаходиться в межах від -40 до +50 градусів.
- неагресивне середовище,
- кліматичні умови У та Т, згідно з ГОСТ 15150.
Придбати редуктор РМ-250 Ви можете на сайті компанії «Промпривод». Замовивши товар у нас, Ви отримуєте високу якість за помірну ціну, паспорт до кожного виробу та гарантію на 12 місяців. Вся продукція проходить перевірку перед відправкою. Відправлення здійснюється в будь-яку точку України, відразу після оформлення замовлення. Для постійних клієнтів та оптових покупців діє гнучка система знижок.
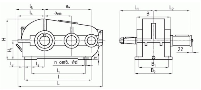
Схема та розміри редуктора РМ-250-10

| aw | awm | L | L1 | L2 | l | l1 | l2 | l3 | l4 | l5 |
| 250 | 150 | 540 | 200 | 238,5 | 320 | 235 | 45 | 50 | 189 | 249 |
| B | B1 | B2 | H | H1 | h | Ød | маса |
| 230 | 190 | 230 | 312 | 160 | 22 | 17 | 85 |
Технічні характеристики редуктора РМ-250-10
| Типорозмір | РМ-250 | |||
| Номінальне передавальне відношення, i | 10 | |||
| Номінальний момент, що крутить, на тихохідному валу, Т, Н×м | Ном. част. обер. швидкохід. валу, с-1 (об/хв) | 10 (600) | Особливо легкий | 1549 |
| ПВ 15% | 791 | |||
| ПВ 25% | 692 | |||
| ПВ 40% | 593 | |||
| ПВ 100% | 297 | |||
| 12,5 (750) | Особливо легкий | 1492 | ||
| ПВ 15% | 726 | |||
| ПВ 25% | 634 | |||
| ПВ 40% | 528 | |||
| ПВ 100% | 290 | |||
| 16,6 (1000) | Особливо легкий | 1406 | ||
| ПВ 15% | 614 | |||
| ПВ 25% | 535 | |||
| ПВ 40% | 455 | |||
| ПВ 100% | 297 | |||
| 20,83 (1250) | Особливо легкий | 1311 | ||
| ПВ 15% | 514 | |||
| ПВ 25% | 450 | |||
| ПВ 40% | 387 | |||
| ПВ 100% | 292 | |||
| 25 (1500) | Особливо легкий | 1241 | ||
| ПВ 15% | 462 | |||
| ПВ 25% | 403 | |||
| ПВ 40% | 343 | |||
| ПВ 100% | 297 | |||
| Маса, кг, не більше | 85 | |||
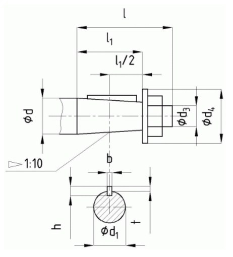
Розміри кінців швидкохідних валів редуктора РМ-250-10

| Ød | Ød1 | Ød3 | Ød4 | l | l1 | b | h | t |
| 30 | 27,10 | М20x1,5 | 50 | 80 | 58 | 5 | 5 | 3 |
Розміри кінців тихохідних валів під муфти редуктора РМ-250-10

| Ød m6 | Ød1 | b | l | t |
| 55 | 65 | 16 | 82 | 60 |
Розміри кінців тихохідних валів у формі зубчастої напівмуфти редуктора РМ-250-10

| m | z | b | L | L1 | k | B | Ød F7 | Ød1 f9 |
| 3 | 40 | 20 | 39,5 | 29,5 | 20 | 35 | 72 | 95 |
Варіанти складання редуктора

Умовне позначення редуктора РМ-250-10

Редуктор РМ-250-10
Відгуків про цей товар ще не було.
Немає відгуків про цей товар, станьте першим, залиште свій відгук.
Немає питань про даний товар, станьте першим і задайте своє питання.