Редуктор РМ-250-12.5
Редуктор РМ-250-12.5
Горизонтальний циліндричний редуктор РМ-250-12.5 з паралельним розташуванням осей знайшов своє застосування в багатьох галузях машинобудування. Його використовують у механізмах кранів, підйомників, транспортерів та інших пристроях.
Основним завданням редуктора РМ-250-12.5 є зміна моменту, що крутить, і частоти обертання. Максимальна частота обертання на вході не повинна перевищувати 1500 об/хв. Робота може виконуватися з постійним або змінним навантаженням, з перервами та в постійному режимі. Корпус пристрою може бути виготовлений з чавуну або інших сплавів.
Придбати редуктор РМ-250 Ви можете на сайті компанії «Промпривод». Замовивши товар у нас, Ви отримуєте високу якість за помірну ціну, паспорт до кожного виробу та гарантію на 12 місяців. Вся продукція проходить перевірку перед відправкою. Відправлення здійснюється в будь-яку точку України, відразу після оформлення замовлення. Для постійних клієнтів та оптових покупців діє гнучка система знижок.
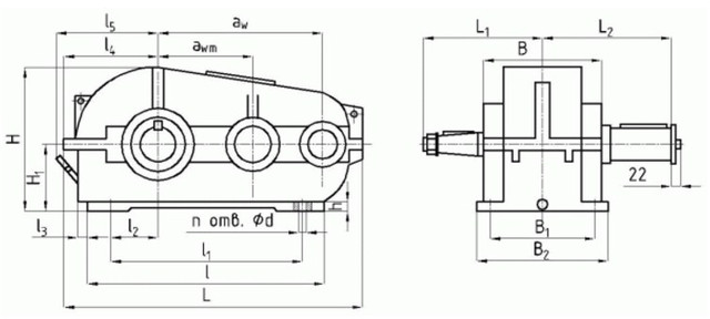
Схема та розміри редуктора РМ-250-12.5

| aw | awm | L | L1 | L2 | l | l1 | l2 | l3 | l4 | l5 |
| 250 | 150 | 540 | 200 | 238,5 | 320 | 235 | 45 | 50 | 189 | 249 |
| B | B1 | B2 | H | H1 | h | Ød | маса |
| 230 | 190 | 230 | 312 | 160 | 22 | 17 | 85 |
Технічні характеристики редуктора РМ-250-12.5
| Типорозмір | РМ-250 | |||
| Номінальне передавальне відношення, i | 12.5 | |||
| Номінальний момент, що крутить, на тихохідному валу, Т, Н×м | Ном. част. обер. швидкохід. валу, с-1 (об/хв) | 10 (600) | Особливо легкий | 1650 |
| ПВ 15% | 865 | |||
| ПВ 25% | 745 | |||
| ПВ 40% | 624 | |||
| ПВ 100% | 302 | |||
| 12,5 (750) | Особливо легкий | 1610 | ||
| ПВ 15% | 741 | |||
| ПВ 25% | 644 | |||
| ПВ 40% | 547 | |||
| ПВ 100% | 290 | |||
| 16,6 (1000) | Особливо легкий | 1549 | ||
| ПВ 15% | 666 | |||
| ПВ 25% | 581 | |||
| ПВ 40% | 496 | |||
| ПВ 100% | 290 | |||
| 20,83 (1250) | Особливо легкий | 1474 | ||
| ПВ 15% | 592 | |||
| ПВ 25% | 514 | |||
| ПВ 40% | 437 | |||
| ПВ 100% | 301 | |||
| 25 (1500) | Особливо легкий | 1401 | ||
| ПВ 15% | 559 | |||
| ПВ 25% | 446 | |||
| ПВ 40% | 381 | |||
| ПВ 100% | 308 | |||
| Маса, кг, не більше | 85 | |||
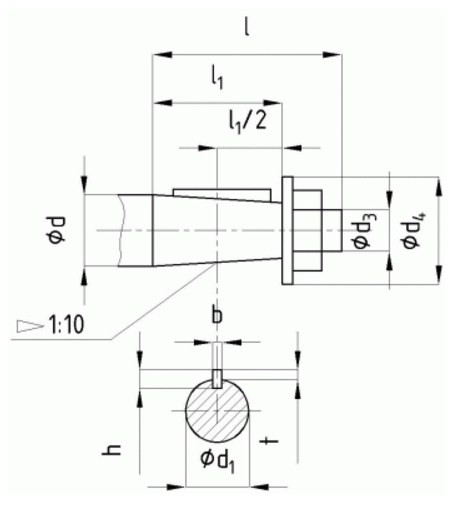
Розміри кінців швидкохідних валів редуктора РМ-250-12.5

| Ød | Ød1 | Ød3 | Ød4 | l | l1 | b | h | t |
| 30 | 27,10 | М20x1,5 | 50 | 80 | 58 | 5 | 5 | 3 |
Розміри кінців тихохідних валів під муфти редуктора РМ-250-12.5

| Ød m6 | Ød1 | b | l | t |
| 55 | 65 | 16 | 82 | 60 |
Розміри кінців тихохідних валів у формі зубчастої напівмуфти редуктора РМ-250-12.5

| m | z | b | L | L1 | k | B | Ød F7 | Ød1 f9 |
| 3 | 40 | 20 | 39,5 | 29,5 | 20 | 35 | 72 | 95 |
Варіанти складання редуктора

Умовне позначення редуктора РМ-250-12.5

Редуктор РМ-250-12.5
Відгуків про цей товар ще не було.
Немає відгуків про цей товар, станьте першим, залиште свій відгук.
Немає питань про даний товар, станьте першим і задайте своє питання.