Редуктор РМ-250-16
Редуктор РМ-250-16
Горизонтальний циліндричний редуктор РМ-250-16 - це механізм, який призначений для зміни моменту, що крутить, і частоти обертання електродвигуна. Його застосовують у різних галузях машинобудування, наприклад у кранових пристроях, приводах транспортерів та інших.
Агрегат РМ-250-16 може виконувати свою роботу при постійних та змінних навантаженнях. Вали можуть обертатися в будь-якому напрямку з паузами, або в постійному режимі. Швидкість обертання на вході не повинна перевищувати 1500 об/хв. Передавальне відношення даного редуктора дорівнює 16.
Корпус РМ-250-16 може бути чавунним, так і з інших легко-сплавних металів. Має паралельне розташування осей.
Придбати редуктор РМ-250 за доступною ціною Ви можете на сайті компанії «Промпривод». Купуючи товар у нас, Ви отримуєте низку переваг, таких як:
- ціни нижчі за ринок на 3-10%,
- паспорт до кожного виробу,
- гнучку систему знижок,
- гарантію 12 місяців,
- доставку в будь-яку точку України в обумовлений термін.
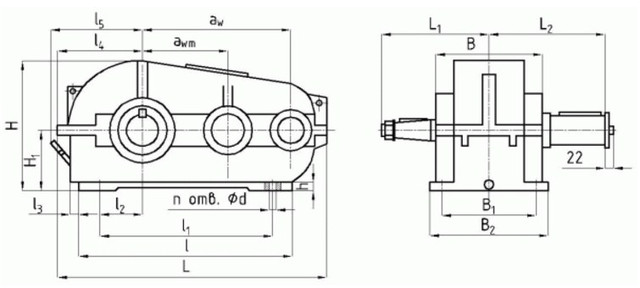
Схема та розміри редуктора РМ-250-16

| aw | awm | L | L1 | L2 | l | l1 | l2 | l3 | l4 | l5 |
| 250 | 150 | 540 | 200 | 238,5 | 320 | 235 | 45 | 50 | 189 | 249 |
| B | B1 | B2 | H | H1 | h | Ød | маса |
| 230 | 190 | 230 | 312 | 160 | 22 | 17 | 85 |
Технічні характеристики редуктора РМ-250-16
| Типорозмір | РМ-250 | |||
| Номінальне передавальне відношення, i | 16 | |||
| Номінальний момент, що крутить, на тихохідному валу, Т, Н×м | Ном. част. обер. швидкохід. валу, с-1 (об/хв) | 10 (600) | Особливо легкий | 1655 |
| ПВ 15% | 903 | |||
| ПВ 25% | 777 | |||
| ПВ 40% | 652 | |||
| ПВ 100% | 301 | |||
| 12,5 (750) | Особливо легкий | 1628 | ||
| ПВ 15% | 804 | |||
| ПВ 25% | 704 | |||
| ПВ 40% | 603 | |||
| ПВ 100% | 281 | |||
| 16,6 (1000) | Особливо легкий | 1590 | ||
| ПВ 15% | 690 | |||
| ПВ 25% | 600 | |||
| ПВ 40% | 510 | |||
| ПВ 100% | 300 | |||
| 20,83 (1250) | Особливо легкий | 1560 | ||
| ПВ 15% | 624 | |||
| ПВ 25% | 540 | |||
| ПВ 40% | 456 | |||
| ПВ 100% | 288 | |||
| 25 (1500) | Особливо легкий | 1530 | ||
| ПВ 15% | 550 | |||
| ПВ 25% | 480 | |||
| ПВ 40% | 410 | |||
| ПВ 100% | 300 | |||
| Маса, кг, не більше | 85 | |||
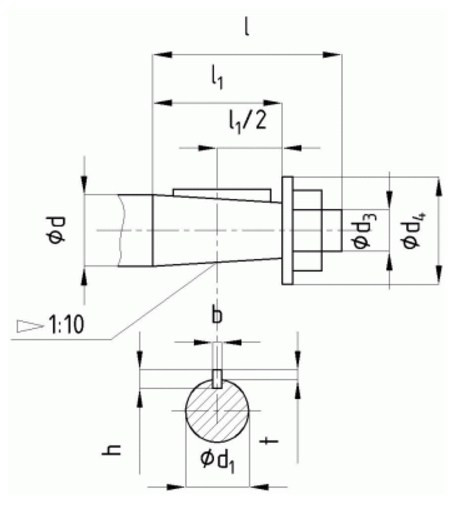
Розміри кінців швидкохідних валів редуктора РМ-250-16

| Ød | Ød1 | Ød3 | Ød4 | l | l1 | b | h | t |
| 30 | 27,10 | М20x1,5 | 50 | 80 | 58 | 5 | 5 | 3 |
Розміри кінців тихохідних валів під муфти редуктора РМ-250-16

| Ød m6 | Ød1 | b | l | t |
| 55 | 65 | 16 | 82 | 60 |
Розміри кінців тихохідних валів у формі зубчастої напівмуфти редуктора РМ-250-16

| m | z | b | L | L1 | k | B | Ød F7 | Ød1 f9 |
| 3 | 40 | 20 | 39,5 | 29,5 | 20 | 35 | 72 | 95 |
Варіанти складання редуктора

Умовне позначення редуктора РМ-250-16

Редуктор РМ-250-16
Відгуків про цей товар ще не було.
Немає відгуків про цей товар, станьте першим, залиште свій відгук.
Немає питань про даний товар, станьте першим і задайте своє питання.