Редуктор РМ-250-20
Редуктор РМ-250-20
Горизонтальний двоступінчастий редуктор РМ-250-20 має паралельне розташування осей і передавальне відношення, що дорівнює 20. Його основним завданням є зміна частоти обертання і моменту, що крутить.
Редуктор РМ-250-20 має низку умов для його застосування:
- механізм може працювати з паузами або в постійному режимі,
- навантаження на нього може бути як постійне, так і змінне, в одному напрямку або реверсне,
- обертання валів проводиться в будь-якому з напрямків,
- повинен експлуатуватися за температури від -40 до +50 градусів Цельсія,
- у неагресивному середовищі, з помірною запиленістю,
- може працювати в кліматичних умовах У та Т, згідно з ГОСТ 15150.
Корпус редуктора РМ-250-20 виготовлений із чавуну. Також він може бути виконаний з інших легко-сплавних металів.
Придбати редуктор РМ-250 Ви можете на сайті компанії «Промпривод». Замовивши товар у нас, Ви отримуєте високу якість за помірну ціну, паспорт до кожного виробу та гарантію на 12 місяців. Вся продукція проходить перевірку перед відправкою. Відправлення здійснюється в будь-яку точку України, відразу після оформлення замовлення. Для постійних клієнтів та оптових покупців діє гнучка система знижок.
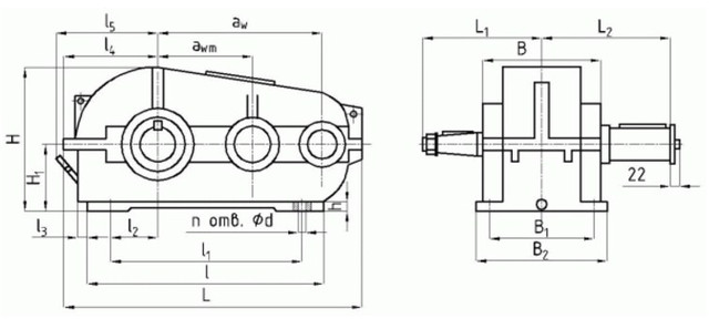
Схема та розміри редуктора РМ-250-20

| aw | awm | L | L1 | L2 | l | l1 | l2 | l3 | l4 | l5 |
| 250 | 150 | 540 | 200 | 238,5 | 320 | 235 | 45 | 50 | 189 | 249 |
| B | B1 | B2 | H | H1 | h | Ød | маса |
| 230 | 190 | 230 | 312 | 160 | 22 | 17 | 85 |
Технічні характеристики редуктора РМ-250-20
| Типорозмір | РМ-250 | ||||
| Номінальне передавальне відношення, i | 20 | ||||
| Номінальний момент, що крутить, на тихохідному валу, Т, Н×м | Ном. част. обер. швидкохід. валу, с-1 (об/хв) | 10 (600) | Особливо легкий | 1729 | |
| ПВ 15% | 946 | ||||
| ПВ 25% | 816 | ||||
| ПВ 40% | 685 | ||||
| ПВ 100% | 277 | ||||
| 12,5 (750) | Особливо легкий | 1723 | |||
| ПВ 15% | 940 | ||||
| ПВ 25% | 809 | ||||
| ПВ 40% | 679 | ||||
| ПВ 100% | 261 | ||||
| 16,6 (1000) | Особливо легкий | 1705 | |||
| ПВ 15% | 784 | ||||
| ПВ 25% | 686 | ||||
| ПВ 40% | 588 | ||||
| ПВ 100% | 274 | ||||
| 20,83 (1250) | Особливо легкий | 1664 | |||
| ПВ 15% | 722 | ||||
| ПВ 25% | 628 | ||||
| ПВ 40% | 534 | ||||
| ПВ 100% | 267 | ||||
| 25 (1500) | Особливо легкий | 1598 | |||
| ПВ 15% | 668 | ||||
| ПВ 25% | 576 | ||||
| ПВ 40% | 485 | ||||
| ПВ 100% | 262 | ||||
| Маса, кг, не більше | 85 | ||||
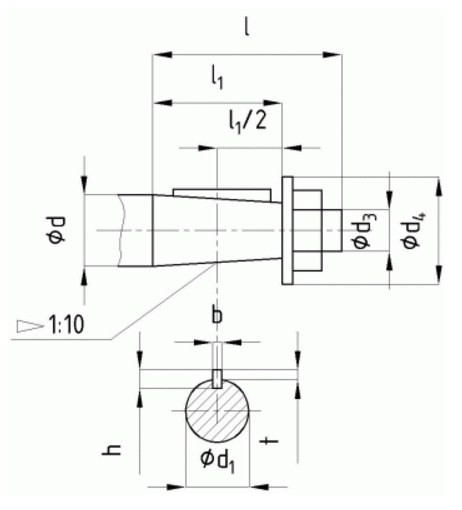
Розміри кінців швидкохідних валів редуктора РМ-250-20

| Ød | Ød1 | Ød3 | Ød4 | l | l1 | b | h | t |
| 30 | 27,10 | М20x1,5 | 50 | 80 | 58 | 5 | 5 | 3 |
Розміри кінців тихохідних валів під муфти редуктора РМ-250-20

| Ød m6 | Ød1 | b | l | t |
| 55 | 65 | 16 | 82 | 60 |
Розміри кінців тихохідних валів у формі зубчастої напівмуфти редуктора РМ-250-20

| m | z | b | L | L1 | k | B | Ød F7 | Ød1 f9 |
| 3 | 40 | 20 | 39,5 | 29,5 | 20 | 35 | 72 | 95 |
Варіанти складання редуктора

Умовне позначення редуктора РМ-250-20

Редуктор РМ-250-20
Відгуків про цей товар ще не було.
Немає відгуків про цей товар, станьте першим, залиште свій відгук.
Немає питань про даний товар, станьте першим і задайте своє питання.