Редуктор РМ-250-22.4
Редуктор РМ-250-22.4
Двоступінчастий циліндричний редуктор РМ-250-22.4 – це пристрій, виконаний у вигляді моноблоку, що розташовується горизонтально та має паралельне розташування осей. Призначений для зміни передавального числа та моменту, що крутить. Передавальне відношення даного редуктора дорівнює 22.4.
РМ-250-22.4 може працювати у постійному режимі або з періодичними зупинками. Навантаження на нього може бути постійним або змінним. Вали обертаються у будь-якому з напрямків.
Не рекомендують використовувати цей редуктор в умовах підвищеної запиленості та в агресивному середовищі. Є дуже простим у використанні та має надійну конструкцію.
Придбати редуктор РМ-250 за доступною ціною Ви можете на сайті компанії «Промпривод». Купуючи товар у нас, Ви отримуєте низку переваг, таких як:
- ціни нижчі за ринок на 3-10%,
- паспорт до кожного виробу,
- гнучку систему знижок,
- гарантію 12 місяців,
- доставку в будь-яку точку України в обумовлений термін.
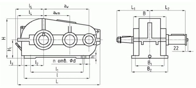
Схема та розміри редуктора РМ-250-22.4

| aw | awm | L | L1 | L2 | l | l1 | l2 | l3 | l4 | l5 |
| 250 | 150 | 540 | 200 | 238,5 | 320 | 235 | 45 | 50 | 189 | 249 |
| B | B1 | B2 | H | H1 | h | Ød | маса |
| 230 | 190 | 230 | 312 | 160 | 22 | 17 | 85 |
Технічні характеристики редуктора РМ-250-22.4
| Типорозмір | РМ-250 | |||
| Номінальне передавальне відношення, i | 22.4 | |||
| Номінальний момент, що крутить, на тихохідному валу, Т, Н×м | Ном. част. обер. швидкохід. валу, с-1 (об/хв) | 10 (600) | Особливо легкий | 1747 |
| ПВ 15% | 929 | |||
| ПВ 25% | 818 | |||
| ПВ 40% | 706 | |||
| ПВ 100% | 279 | |||
| 12,5 (750) | Особливо легкий | 1693 | ||
| ПВ 15% | 921 | |||
| ПВ 25% | 802 | |||
| ПВ 40% | 683 | |||
| ПВ 100% | 267 | |||
| 16,6 (1000) | Особливо легкий | 1672 | ||
| ПВ 15% | 803 | |||
| ПВ 25% | 691 | |||
| ПВ 40% | 647 | |||
| ПВ 100% | 268 | |||
| 20,83 (1250) | Особливо легкий | 1638 | ||
| ПВ 15% | 712 | |||
| ПВ 25% | 623 | |||
| ПВ 40% | 534 | |||
| ПВ 100% | 267 | |||
| 25 (1500) | Особливо легкий | 1624 | ||
| ПВ 15% | 641 | |||
| ПВ 25% | 551 | |||
| ПВ 40% | 462 | |||
| ПВ 100% | 268 | |||
| Маса, кг, не більше | 85 | |||
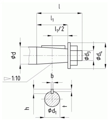
Розміри кінців швидкохідних валів редуктора РМ-250-22.4

| Ød | Ød1 | Ød3 | Ød4 | l | l1 | b | h | t |
| 30 | 27,10 | М20x1,5 | 50 | 80 | 58 | 5 | 5 | 3 |
Розміри кінців тихохідних валів під муфти редуктора РМ-250-22.4

| Ød m6 | Ød1 | b | l | t |
| 55 | 65 | 16 | 82 | 60 |
Розміри кінців тихохідних валів у формі зубчастої напівмуфти редуктора РМ-250-22.4

| m | z | b | L | L1 | k | B | Ød F7 | Ød1 f9 |
| 3 | 40 | 20 | 39,5 | 29,5 | 20 | 35 | 72 | 95 |
Варіанти складання редуктора

Умовне позначення редуктора РМ-250-22.4

Редуктор РМ-250-22.4
Відгуків про цей товар ще не було.
Немає відгуків про цей товар, станьте першим, залиште свій відгук.
Немає питань про даний товар, станьте першим і задайте своє питання.