Редуктор РМ-250-31.5-21
Циліндричний редуктор РМ-250-31.5 варіанта складання 21
Редуктори РМ-250-31.5-21 мають найширше застосування у виробничих галузях. Їх високий рівень ККД та технічні характеристики дозволяють експлуатувати пристрої в наших умовах з великою продуктивністю.
Для зручного розташування дані механізми мають кілька варіантів складання, які описані в ГОСТ 20373-94. Один із найпопулярніших варіантів – це 21. У нас ви можете купити перетворювачі цієї серії у будь-якому варіанті складання.
Варіант складання редуктора

Умови застосування
| Опис | Характеристика |
| Тип навантаження | Постійний, змінний, одного напряму, ревервивний |
| Режими роботи | Тривалий або зі змінними зупинками |
| Обертання валів | У будь-який бік |
| Максимально допустима частота обертання вхідного вала | 1500 об/хв |
| Температура зовнішнього середовища | Від -40 до +50 градусів Цельсія |
| Кліматичне виконання, категорія розміщення | У і Т, категорія розміщення I-IV відповідно до ГОСТ 15150-69 |
| Робота в умовах підвищеної запиленості | Допускається |
Купити редуктор РМ, ціна якого є цілком прийнятною, ви можете на сайті компанії «Промпривод». Ми випускаємо редуктори різних варіантів складання, що суттєво полегшить вам пошук необхідного монтажного варіанту. Також зателефонувавши за телефоном, вказаним на сайті, ви отримуєте висококваліфіковану допомогу при виборі перетворювача. Наші спеціалісти нададуть вам всю необхідну інформацію та допоможуть в оформленні замовлення.
Ми продаємо якісні перетворювачі з гарантією та всіма сертифікуючими документами, а також здійснюємо швидку доставку до будь-якого населеного пункту України.
Технічні характеристики редуктора РМ-250-31.5
| Передавальне число, u | Фактичне передавальне число, u1 | ККД, % | Маса редуктора, кг | AwЗ | AwT | AwБ | Об'єм олії, що заливається, л |
| 31.5 | 31.50 | 98 | 85 | 250 | 150 | 100 | 1.6 |
| Частота обертання вхідного валу, об/хв | Допустимий момент, що крутить, на вихідному валу при роботі редуктора в повторно-короткочасних режимах, Н*м для передавальних чисел | Допустиме радіальне консольне навантаження, прикладене в середині посадкової частини, Н | |||
| 31.5 | Вхідний (швидкохідний) вал | Вихідний (тихохідний) | Вихідний (тихохідний) вал у вигляді зубчастої напівмуфти | ||
| 600 | 3300 | 3100 | 24000 | 19100 | |
| 750 | 3300 | 2900 | 22000 | 17600 | |
| 1000 | 3200 | 2600 | 20500 | 16000 | |
| 1250 | 3200 | 2400 | 19000 | 15000 | |
| 1500 | 3200 | 2400 | 18500 | 14200 | |
Габаритні та приєднувальні розміри редуктора РМ-250-31.5

| Aw | Aw2 | L | L1 | L2 | I | I1 | I2 | I3 | I4 |
| 250 | 150 | 540 | 200 | 239 | 320 | 235 | 45 | 50 | 189 |
| I5 | B | B1 | B2 | H | H1 | h | d | маса, кг | |
| 249 | 230 | 190 | 230 | 312 | 160 | 22 | 17 | 85 | |
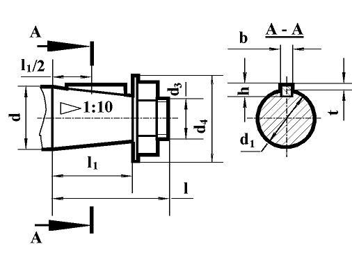
Розміри конічних кінців вхідних і вихідних валів редуктора РМ

| Редуктор | Вал | d1 | d2 | d3 | d4 | l | l1 | b | h | t |
| РМ-250 | вхідний | 30 | 27.1 | М20х1.5 | 50 | 80 | 58 | 5 | 5 | 2 |
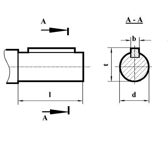
Розміри циліндричних кінців вхідних і вихідних валів редуктора РМ

| Редуктор | Вал | d2 | d1 | l | l1 | b | h | t |
| РМ-250 | вихідний | 55 m 6 | 65 | 238.5 | 82 | 16 | 60 | - |
Приєднувальні розміри тихохідного валу у вигляді зубчастої напівмуфти редуктора РМ-250

| Редуктор | Вал | m | z | b | L | L1 | k | B | d | d1 |
| РМ-250 | вихідний | 3 | 40 | 20 | 39.5 | 49.5 | 20 | 35 | 72 f 7 | 95 f 9 |
Умовні позначення редуктора РМ-250-31.5

Відгуків про цей товар ще не було.
Немає відгуків про цей товар, станьте першим, залиште свій відгук.
Немає питань про даний товар, станьте першим і задайте своє питання.