Редуктор РМ-250-40
Редуктор РМ-250-40
Циліндричний редуктор РМ-250-40 має надійну конструкцію і дуже простий у використанні. Його застосовують у машинобудуванні як механізм зміни крутного моменту і передавального числа електродвигуна.
Механізм РМ-250-40 має низку умов для його застосування:
- він може експлуатуватися за температури від -40 до +50 градусів Цельсія,
- навантаження на нього може бути постійним або змінним,
- вали можуть обертатися в обидві сторони,
- робота може проводитися в постійному режимі, а також з періодичними зупинками,
- навколишнє середовище не повинно бути надмірно запиленим,
- має різні кліматичні виконання: У та Т, згідно з ГОСТ 15150.
Корпус редуктора РМ-250-40 виготовлений з чавуну (також може бути з іншого легкосплавного металу) у вигляді моноблоку.
Придбати редуктор РМ-250 Ви можете на сайті компанії «Промпривод». Замовивши товар у нас, Ви отримуєте високу якість за помірну ціну, паспорт до кожного виробу та гарантію на 12 місяців. Вся продукція проходить перевірку перед відправкою. Відправлення здійснюється в будь-яку точку України, відразу після оформлення замовлення. Для постійних клієнтів та оптових покупців діє гнучка система знижок.
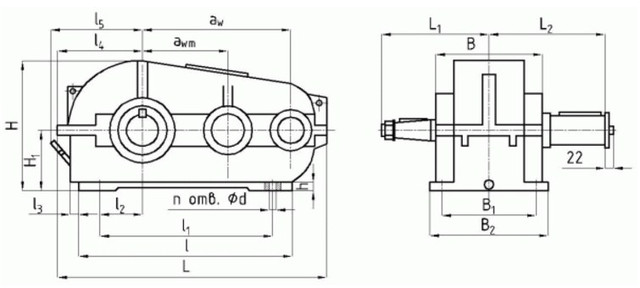
Схема та розміри редуктора РМ-250-40

| aw | awm | L | L1 | L2 | l | l1 | l2 | l3 | l4 | l5 |
| 250 | 150 | 540 | 200 | 238,5 | 320 | 235 | 45 | 50 | 189 | 249 |
| B | B1 | B2 | H | H1 | h | Ød | маса |
| 230 | 190 | 230 | 312 | 160 | 22 | 17 | 85 |
Технічні характеристики редуктора РМ-250-40
| Типорозмір | РМ-250 | |||
| Номінальне передавальне відношення, i | 40 | |||
| Номінальний момент, що крутить, на тихохідному валу, Т, Н×м | Ном. част. обер. швидкохід. валу, с-1 (об/хв) | 10 (600) | Особливо легкий | 1791 |
| ПВ 15% | 895 | |||
| ПВ 25% | 768 | |||
| ПВ 40% | 640 | |||
| ПВ 100% | 256 | |||
| 12,5 (750) | Особливо легкий | 1792 | ||
| ПВ 15% | 870 | |||
| ПВ 25% | 768 | |||
| ПВ 40% | 666 | |||
| ПВ 100% | 256 | |||
| 16,6 (1000) | Особливо легкий | 1766 | ||
| ПВ 15% | 922 | |||
| ПВ 25% | 806 | |||
| ПВ 40% | 691 | |||
| ПВ 100% | 250 | |||
| 20,83 (1250) | Особливо легкий | 1781 | ||
| ПВ 15% | 798 | |||
| ПВ 25% | 706 | |||
| ПВ 40% | 614 | |||
| ПВ 100% | 246 | |||
| 25 (1500) | Особливо легкий | 1741 | ||
| ПВ 15% | 742 | |||
| ПВ 25% | 640 | |||
| ПВ 40% | 538 | |||
| ПВ 100% | 243 | |||
| Маса, кг, не більше | 85 | |||
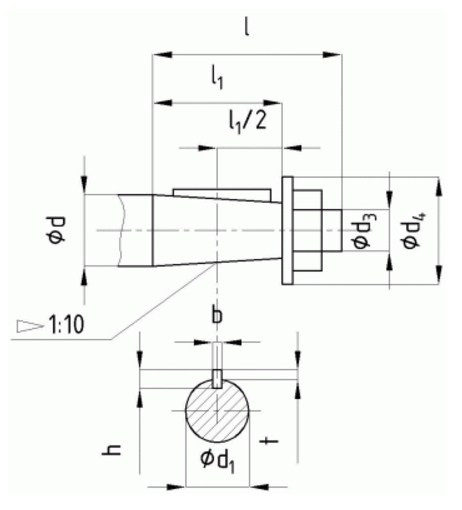
Розміри кінців швидкохідних валів редуктора РМ-250-40

| Ød | Ød1 | Ød3 | Ød4 | l | l1 | b | h | t |
| 30 | 27,10 | М20x1,5 | 50 | 80 | 58 | 5 | 5 | 3 |
Розміри кінців тихохідних валів під муфти редуктора РМ-250-40

| Ød m6 | Ød1 | b | l | t |
| 55 | 65 | 16 | 82 | 60 |
Розміри кінців тихохідних валів у формі зубчастої напівмуфти редуктора РМ-250-40

| m | z | b | L | L1 | k | B | Ød F7 | Ød1 f9 |
| 3 | 40 | 20 | 39,5 | 29,5 | 20 | 35 | 72 | 95 |
Варіанти складання редуктора

Умовне позначення редуктора РМ-250-40

Редуктор РМ-250-40
Відгуків про цей товар ще не було.
Немає відгуків про цей товар, станьте першим, залиште свій відгук.
Немає питань про даний товар, станьте першим і задайте своє питання.