Редуктор РМ-250-8
Редуктор РМ-250-8
Двоступінчастий редуктор РМ-250-8 – це механізм, головним завданням якого є збільшити момент, що крутить, і відповідно зменшити частоту обертання. Застосування його дуже широке. Він використовується в галузі машинобудування, наприклад, у механізмах кранів, приводах транспортера.
Редуктори РМ-250-8 можуть виконувати своє завдання при постійних та змінних навантаженнях. Працювати можуть у постійному та з періодичними зупинками режимах. Вали пристрою можуть обертатися в будь-якому напрямку, але частота обертання на вході не повинна перевищувати 1500 об/хв.
Придбати редуктор РМ-250 за доступною ціною Ви можете на сайті компанії «Промпривод». Купуючи товар у нас, Ви отримуєте низку переваг, таких як:
- ціни нижчі за ринок на 3-10%,
- паспорт до кожного виробу,
- гнучку систему знижок,
- гарантію 12 місяців,
- доставку в будь-яку точку України в обумовлений термін.
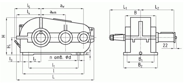
Схема та розміри редуктора РМ-250-8

| aw | awm | L | L1 | L2 | l | l1 | l2 | l3 | l4 | l5 |
| 250 | 150 | 540 | 200 | 238,5 | 320 | 235 | 45 | 50 | 189 | 249 |
| B | B1 | B2 | H | H1 | h | Ød | маса |
| 230 | 190 | 230 | 312 | 160 | 22 | 17 | 85 |
Технічні характеристики редуктора РМ-250-8
| Типорозмір | РМ-250 | |||
| Номінальне передавальне відношення, i | 8 | |||
| Номінальний момент, що крутить, на тихохідному валу, Т, Н×м | Ном. част. обер. швидкохід. валу, с-1 (об/хв) | 10 (600) | Особливо легкий | 1389 |
| ПВ 15% | 734 | |||
| ПВ 25% | 642 | |||
| ПВ 40% | 550 | |||
| ПВ 100% | 288 | |||
| 12,5 (750) | Особливо легкий | 1323 | ||
| ПВ 15% | 651 | |||
| ПВ 25% | 567 | |||
| ПВ 40% | 473 | |||
| ПВ 100% | 294 | |||
| 16,6 (1000) | Особливо легкий | 1240 | ||
| ПВ 15% | 537 | |||
| ПВ 25% | 466 | |||
| ПВ 40% | 395 | |||
| ПВ 100% | 296 | |||
| 20,83 (1250) | Особливо легкий | 1147 | ||
| ПВ 15% | 466 | |||
| ПВ 25% | 403 | |||
| ПВ 40% | 340 | |||
| ПВ 100% | 296 | |||
| 25 (1500) | Особливо легкий | 1056 | ||
| ПВ 15% | 400 | |||
| ПВ 25% | 348 | |||
| ПВ 40% | 296 | |||
| ПВ 100% | 291 | |||
| Маса, кг, не більш ніж | 85 | |||
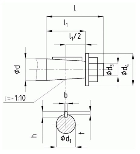
Розміри кінців швидкохідних валів редуктора РМ-250-8

| Ød | Ød1 | Ød3 | Ød4 | l | l1 | b | h | t |
| 30 | 27,10 | М20x1,5 | 50 | 80 | 58 | 5 | 5 | 3 |
Розміри кінців тихохідних валів під муфти редуктора РМ-250-8

| Ød m6 | Ød1 | b | l | t |
| 55 | 65 | 16 | 82 | 60 |
Розміри кінців тихохідних валів у формі зубчастої напівмуфти редуктора РМ-250-8
| m | z | b | L | L1 | k | B | Ød F7 | Ød1 f9 |
| 3 | 40 | 20 | 39,5 | 29,5 | 20 | 35 | 72 | 95 |
Варіанти складання редуктора

Умовне позначення редуктора РМ-250-8

Редуктор РМ-250-8
Відгуків про цей товар ще не було.
Немає відгуків про цей товар, станьте першим, залиште свій відгук.
Немає питань про даний товар, станьте першим і задайте своє питання.
