Редуктор РМ-350-10
Редуктор РМ-350-10
Циліндричний редуктор РМ-350-10 - це пристрій з паралельним розташуванням осей, призначений для зміни моменту, що крутить, і швидкості електродвигуна. Редуктор РМ-350-10 використовується при машинобудуванні у різних галузях. Його застосовують у пристроях кранів, транспортерів, підйомників та інших.
РМ-350-10 може працювати при змінному або постійному навантаженні. Температура довкілля може бути від -40 до +50 градусів за Цельсієм. Вали можуть крутитися у будь-якому напрямку. Для продовження працездатності рекомендовано не використовувати редуктор в агресивному середовищі, а також з підвищеною запиленістю.
Механізм пристрою розміщений у корпусі, який може бути виконаний із чавуну чи іншого матеріалу у вигляді моноблока.
Купити редуктор РМ-350 оптом та роздріб Ви можете на сайті компанії «Промпривод». Купуючи товар у нас, Ви отримуєте:
- високу якість товару за ціною виробника,
- паспорт до кожного виробу,
- гарантію 12 місяців,
- мінімальний термін доставки до будь-якої точки України.
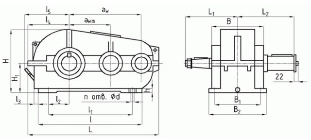
Схема та розміри редуктора РМ-350-10

| aw | awm | L | L1 | L2 | l | l1 | l2 | l3 | l4 | l5 |
| 350 | 200 | 710 | 260 | 268,5 | 415 | 310 | 45 | 60 | 238 | 280 |
| B | B1 | B2 | H | H1 | h | Ød | n отв. |
| 270 | 250 | 290 | 400 | 200 | 23 | 17 | 4 |
Технічні характеристики редуктора РМ-350-10
| Типорозмір | РМ-350 | |||
| Номінальне передавальне | 10,0 | |||
| Номінальний крутний момент | Ном. част. обер. швидкохід. валу, с-1(об/хв) | 10 (600) | Особливо легкий | 3593 |
| ПВ 15% | 2142 | |||
| ПВ 25% | 1862 | |||
| ПВ 40% | 1582 | |||
| ПВ 100% | 692 | |||
| 12,5 (750) | Особливо легкий | 3428 | ||
| ПВ 15% | 2004 | |||
| ПВ 25% | 1740 | |||
| ПВ 40% | 1477 | |||
| ПВ 100% | 738 | |||
| 16,6 (1000) | Особливо легкий | 3362 | ||
| ПВ 15% | 1790 | |||
| ПВ 25% | 1552 | |||
| ПВ 40% | 1315 | |||
| ПВ 100% | 692 | |||
| 20,83 (1250) | Особливо легкий | 3204 | ||
| ПВ 15% | 1661 | |||
| ПВ 25% | 1432 | |||
| ПВ 40% | 1218 | |||
| ПВ 100% | 688 | |||
| 25 (1500) | Особливо легкий | 3164 | ||
| ПВ 15% | 1714 | |||
| ПВ 25% | 1384 | |||
| ПВ 40% | 1173 | |||
| ПВ 100% | 626 | |||
| Маса, кг, не більше | 145 | |||
| Номінальна частота обертання швидкохідного валу, | Короткочасний допустимий момент, що крутить на тихохідному валу, Т, Н×м |
| 10,0 | |
| РМ-350-10 | |
| 10,0 (600) | 6800 |
| 12,5 (750) | 6600 |
| 16,6 (1000) | 6400 |
| 20,8 (1250) | 6100 |
| 25,0 (1500) | 6000 |
| Номінальна частота обертання швидкохідного валу, об/хв | РМ-350-10 | ||
| FБ max | FТ max | FM max | |
| 600 | 3,8 | 24,0 | 18,4 |
| 750 | 3,5 | 22,5 | 16,9 |
| 1000 | 3,1 | 20,0 | 16,0 |
| 1250 | 2,9 | 18,5 | 14,0 |
| 1500 | 2,9 | 17,5 | 13,7 |
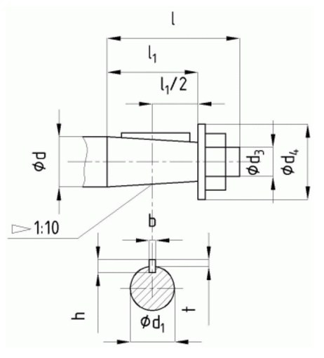
Розміри кінців швидкохідних валів редуктора РМ-350-10

| Ød | Ød1 | Ød3 | Ød4 | l | l1 | b | h | t |
| 40 | 35,90 | М24×2 | 63 | 110 | 82 | 12 | 8 | 5 |
Розміри кінців тихохідних валів під муфти редуктора РМ-350-10

| Ød m6 | Ød1 | b | l | t |
| 55 | 65 | 16 | 82 | 60 |
Розміри кінців тихохідних валів у формі зубчастої напівмуфти редуктора РМ-350-10

| m | z | b | L | L1 | k | B | Ød F7 | Ød1 f9 |
| 3 | 48 | 25 | 54,5 | 16 | 24,5 | 45 | 90 | 110 |
Варіанти складання редуктора

Умовне позначення редуктора РМ-350-10

Редуктор РМ-350-10
Відгуків про цей товар ще не було.
Немає відгуків про цей товар, станьте першим, залиште свій відгук.
Немає питань про даний товар, станьте першим і задайте своє питання.