Редуктор РМ-350-40
Редуктор РМ-350-40
Редуктор горизонтальний РМ-350-40 – це пристрій із циліндричним типом передачі та паралельним розташуванням осей. Застосовується в галузях машинобудування для зміни моменту, що крутить, і передавального числа різних приводів.
Перетворювач РМ-350-40 може працювати в постійному режимі або режимі з періодичними перервами, з постійним або змінним навантаженням. Обертання валів виконується в будь-яку зі сторін.
Механізм виконаний у кліматичному виконанні У та Т за ГОСТ 15150-69. Рекомендована температура використання від -40 до +50 градусів за Цельсієм. Корпус виготовлений із чавуну (також можна виготовити з іншого металу) у вигляді моноблоку.
Купити редуктор РМ-350 оптом та роздріб Ви можете на сайті компанії «Промпривод». Купуючи товар у нас, Ви отримуєте:
- високу якість товару за ціною виробника,
- паспорт до кожного виробу,
- гарантію 12 місяців,
- мінімальний термін доставки до будь-якої точки України.
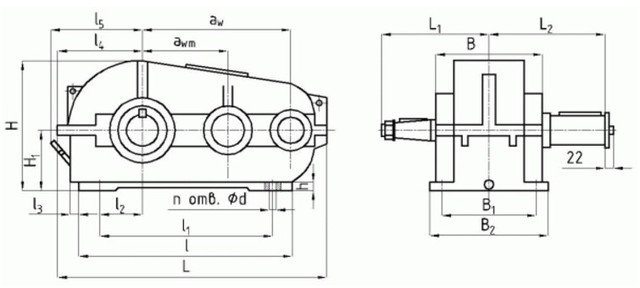
Схема та розміри редуктора РМ-350-40

| aw | awm | L | L1 | L2 | l | l1 | l2 | l3 | l4 | l5 |
| 350 | 200 | 710 | 260 | 268,5 | 415 | 310 | 45 | 60 | 238 | 280 |
| B | B1 | B2 | H | H1 | h | Ød | n отв. |
| 270 | 250 | 290 | 400 | 200 | 23 | 17 | 4 |
Технічні характеристики редуктора РМ-350-40
| Типорозмір | РМ-350 | |||
| Номінальне передавальне | 40,0 | |||
| Номінальний крутний момент | Ном. част. обер. швидкохід. валу, с-1(об/хв) | 10 (600) | Особливо легкий | 4222 |
| ПВ 15% | 2175 | |||
| ПВ 25% | 1855 | |||
| ПВ 40% | 1599 | |||
| ПВ 100% | 608 | |||
| 12,5 (750) | Особливо легкий | 4145 | ||
| ПВ 15% | 2098 | |||
| ПВ 25% | 1842 | |||
| ПВ 40% | 1586 | |||
| ПВ 100% | 563 | |||
| 16,6 (1000) | Особливо легкий | 4068 | ||
| ПВ 15% | 2111 | |||
| ПВ 25% | 1842 | |||
| ПВ 40% | 1535 | |||
| ПВ 100% | 576 | |||
| 20,83 (1250) | Особливо легкий | 4053 | ||
| ПВ 15% | 2057 | |||
| ПВ 25% | 1781 | |||
| ПВ 40% | 1535 | |||
| ПВ 100% | 583 | |||
| 25 (1500) | Особливо легкий | 3889 | ||
| ПВ 15% | 1996 | |||
| ПВ 25% | 1740 | |||
| ПВ 40% | 1484 | |||
| ПВ 100% | 588 | |||
| Маса, кг, не більше | 145 | |||
| Номінальна частота обертання швидкохідного валу, | Короткочасний допустимий момент, що крутить на тихохідному валу, Т, Н×м |
| 40,0 | |
| РМ-350-40 | |
| 10,0 (600) | 7900 |
| 12,5 (750) | 7900 |
| 16,6 (1000) | 7800 |
| 20,8 (1250) | 7700 |
| 25,0 (1500) | 7400 |
| Номінальна частота обертання швидкохідного валу, об/хв | РМ-350-40 | ||
| FБ max | FТ max | FM max | |
| 600 | 3,8 | 24,0 | 18,4 |
| 750 | 3,5 | 22,5 | 16,9 |
| 1000 | 3,1 | 20,0 | 16,0 |
| 1250 | 2,9 | 18,5 | 14,0 |
| 1500 | 2,9 | 17,5 | 13,7 |
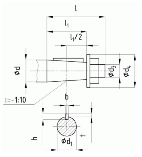
Розміри кінців швидкохідних валів редуктора РМ-350-40

| Ød | Ød1 | Ød3 | Ød4 | l | l1 | b | h | t |
| 40 | 35,90 | М24×2 | 63 | 110 | 82 | 12 | 8 | 5 |
Розміри кінців тихохідних валів під муфти редуктора РМ-350-40

| Ød m6 | Ød1 | b | l | t |
| 55 | 65 | 16 | 82 | 60 |
Розміри кінців тихохідних валів у формі зубчастої напівмуфти редуктора РМ-350-40

| m | z | b | L | L1 | k | B | Ød F7 | Ød1 f9 |
| 3 | 48 | 25 | 54,5 | 16 | 24,5 | 45 | 90 | 110 |
Варіанти складання редуктора

Умовне позначення редуктора РМ-350-40

Редуктор РМ-350-40
Відгуків про цей товар ще не було.
Немає відгуків про цей товар, станьте першим, залиште свій відгук.
Немає питань про даний товар, станьте першим і задайте своє питання.