Редуктор РМ-400-16-22
Циліндричний редуктор РМ-400-16 варіанта складання 22
Редуктор РМ-400-16-22 являє собою агрегат, основне завдання якого полягає у передачі змінених механічних величин від електродвигуна до виконавчого механізму.
Пристрій має два виходи валів, що знаходяться на одній стороні корпусу. Кінці валів виконані у формі зубчастої муфти або під елементи приводу. Редуктор встановлюють на тверду поверхню в горизонтальному положенні і закріплюють за допомогою болтового з'єднання.
Варіант складання редуктора

Умови застосування
| Опис | Характеристика |
| Тип навантаження | Постійний, змінний, одного напряму, ревервивний |
| Режими роботи | Тривалий або зі змінними зупинками |
| Обертання валів | У будь-який бік |
| Максимально допустима частота обертання вхідного вала | 1500 об/хв |
| Температура зовнішнього середовища | Від -40 до +50 градусів Цельсія |
| Кліматичне виконання, категорія розміщення | У і Т, категорія розміщення I-IV відповідно до ГОСТ 15150-69 |
| Робота в умовах підвищеної запиленості | Допускається |
Купити редуктор РМ, ціна якого є цілком прийнятною, ви можете на сайті компанії «Промпривод». Ми випускаємо редуктори різних варіантів збирання, що суттєво полегшить вам пошук необхідного монтажного варіанту. Також зателефонувавши, вказаному на сайті, ви отримуєте висококваліфіковану допомогу при виборі перетворювача. Наші спеціалісти нададуть вам всю необхідну інформацію та допоможуть в оформленні замовлення.
Ми продаємо, якісні перетворювачі з гарантією та всіма сертифікуючими документами, а також здійснюємо швидку доставку до будь-якого населеного пункту України.
Технічні характеристики редуктора РМ-400-16
| Передавальне число, u | Фактичне передавальне число, u1 | ККД, % | Маса редуктора, кг | AwЗ | AwT | AwБ | Об'єм олії, що заливається, л |
| 16 | 15.75 | 98 | 210 | 400 | 250 | 150 | 5.5 |
| Частота обертання вхідного валу, об/хв | Допустимий момент, що крутить, на вихідному валу при роботі редуктора в повторно-короткочасних режимах, Н*м для передавальних чисел | Допустиме радіальне консольне навантаження, прикладене в середині посадкової частини, Н | ||
| 16.0 | Вхідний (швидкохідний) вал | Вихідний (тихохідний) | Вихідний (тихохідний) вал у вигляді зубчастої напівмуфти | |
| 600 | 10800 | 3300 | 27000 | 24900 |
| 750 | 10400 | 3000 | 25500 | 23600 |
| 1000 | 9750 | 2700 | 22500 | 21650 |
| 1250 | 9000 | 2500 | 22000 | 20250 |
| 1500 | 8420 | 2300 | 21000 | 20100 |
Габаритні та приєднувальні розміри редуктора РМ-400

| L | L1 | L2 | L3 | L4 | L5 | B | B1 | B2 | H | H1 | H2 | H3 | d | n |
| 816 | 440 | 370 | - | 325.5 | 270 | 300 | 310 | 270 | 490 | 250 | - | 25 | 17 | 4 |
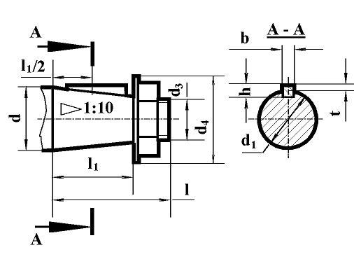
Розміри конічних кінців вхідних і вихідних валів редуктора РМ

| Редуктор | Вал | d1 | d2 | d3 | d4 | l | l1 | b | h | t |
| РМ-400 | вхідний | 40 | 35.9 | М24х2 | 63 | 110 | 82 | 12 | 8 | 3 |
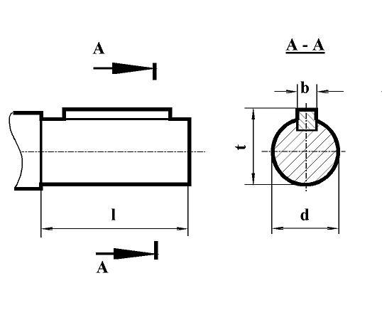
Розміри циліндричних кінців вхідних і вихідних валів редуктора РМ

| Редуктор | Вал | d2 | d1 | l | l1 | b | h | t |
| РМ-400 | вихідний | 80 m 6 | 90 | 325.5 | 123 | 22 | 88 | - |
Приєднувальні розміри тихохідного валу у вигляді зубчастої напівмуфти редуктора РМ

| Редуктор | Вал | m | z | b | L | L1 | k | B | d | d1 |
| РМ-400 | вихідний | 3 | 56 | 25 | 57.5 | 41 | 26.5 | 45 | 90 f 7 | 135 f 9 |
Умовні позначення редуктора РМ-400-16

Редуктор РМ-400-16-22
Відгуків про цей товар ще не було.
Немає відгуків про цей товар, станьте першим, залиште свій відгук.
Немає питань про даний товар, станьте першим і задайте своє питання.