Редуктор РМ-400-50
Редуктор РМ-400-50
Редуктором РМ-400-50 є механізм, що складається з безлічі шестерень, осей, підшипників та валів. Усі вони розміщуються у чавунному корпусі. Призначення його – це зміна моменту, що крутить, і числа оборотів різних приводів. Широко застосовується у різних сферах машинобудування. Наприклад, у пристроях підйомників, транспортерів, кранів тощо.
Редуктор РМ-400-50 може експлуатуватися при температурі від -40 до +50 градусів Цельсія, у сухих та тропічних кліматичних виконаннях. Для збільшення терміну служби рекомендують використовувати редуктор у середовищі, що не є агресивним. Докладніші технічні характеристики, а також приєднувальні розміри Ви можете переглянути нижче.
Придбати редуктори РМ-400 Ви можете на сайті нашої компанії «Промпривод», зателефонувавши за вказаним номером.
Купуючи товар у нашій компанії, Ви отримуєте:
- високу якість обладнання,
- ціну від виробника,
- паспорт до кожного виробу,
- доставку у найкоротший термін у будь-яку точку України.
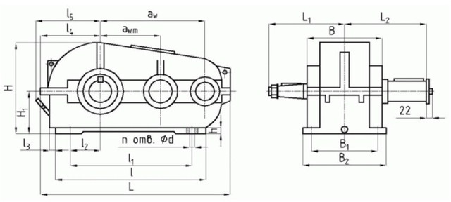
Схема та розміри редуктора РМ-400-50

| aw | awm | L | L1 | L2 | l | l1 | l2 | l3 | l4 | l5 |
| 400 | 250 | 816 | 270 | 325,5 | 440 | 370 | 80 | 75 | 288 | 367 |
| B | B1 | B2 | H | H1 | h | Ød | n отв. |
| 300 | 270 | 310 | 490 | 250 | 25 | 17 | 4 |
Технічні характеристики редуктора РМ-400-50
| Типорозмір | РМ-400 | |||
| Номінальне передавальне | 50,0 | |||
| Номінальний крутний момент | Ном. част. обер. швидкохід. валу, с-1(об/хв) | 10 (600) | Особливо легкий | 8507 |
| ПВ 15% | 3480 | |||
| ПВ 25% | 3016 | |||
| ПВ 40% | 2552 | |||
| ПВ 100% | 1237 | |||
| 12,5 (750) | Особливо легкий | 8476 | ||
| ПВ 15% | 3217 | |||
| ПВ 25% | 2784 | |||
| ПВ 40% | 2351 | |||
| ПВ 100% | 1176 | |||
| 16,6 (1000) | Особливо легкий | 8353 | ||
| ПВ 15% | 2691 | |||
| ПВ 25% | 2320 | |||
| ПВ 40% | 1995 | |||
| ПВ 100% | 1160 | |||
| 20,83 (1250) | Особливо легкий | 8353 | ||
| ПВ 15% | 2747 | |||
| ПВ 25% | 2376 | |||
| ПВ 40% | 2005 | |||
| ПВ 100% | 1151 | |||
| 25 (1500) | Особливо легкий | 8198 | ||
| ПВ 15% | 2475 | |||
| ПВ 25% | 2166 | |||
| ПВ 40% | 1825 | |||
| ПВ 100% | 835 | |||
| Маса, кг, не більше | 210 | |||
| Номінальна частота обертання швидкохідного валу, | Короткочасний допустимий момент, що крутить на тихохідному валу, Т, Н×м |
| 50,0 | |
| РМ-400 | |
| 12,5 (750) | 16200 |
| 16,6 (1000) | 16000 |
| 25,0 (1500) | 15700 |
| Номінальна частота обертання швидкохідного валу, об/хв | РМ-400-50 | ||
| FБ max | FТ max | FM max | |
| 600 | 3,3 | 27,0 | 24,90 |
| 750 | 3,0 | 25,5 | 23,60 |
| 1000 | 2,7 | 22,5 | 21,65 |
| 1250 | 2,5 | 22,0 | 20,25 |
| 1500 | 2,3 | 21,0 | 20,10 |
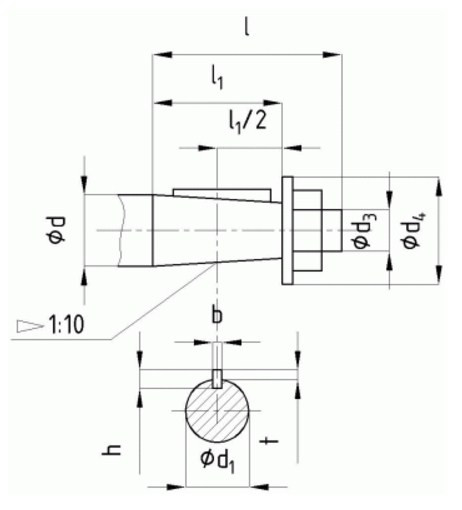
Розміри кінців швидкохідних валів редуктора РМ-400-50

| Ød | Ød1 | Ød3 | Ød4 | l | l1 | b | h | t |
| 40 | 35,9 | М24×2 | 63 | 110 | 82 | 12 | 8 | 5 |
Розміри кінців тихохідних валів під муфти редуктора РМ-400-50

| Ød m6 | Ød1 | b | l | t |
| 80 | 90 | 22 | 123 | 88 |
Розміри кінців тихохідних валів у формі зубчастої напівмуфти редуктора РМ-400-50

| m | z | b | L | L1 | k | B | Ød F7 | Ød1 f9 |
| 3 | 56 | 25 | 57,5 | 16 | 26,5 | 45 | 90 | 135 |
Варіанти складання редуктора

Умовне позначення редуктора РМ-400-50

Редуктор РМ-400-50
Відгуків про цей товар ще не було.
Немає відгуків про цей товар, станьте першим, залиште свій відгук.
Немає питань про даний товар, станьте першим і задайте своє питання.