Редуктор РМ-400-8
Редуктор РМ-400-8
Горизонтальний редуктор РМ-400-8 є двоступінчастим механізмом з циліндричним типом передачі та паралельним розташуванням осей. Він простий у використанні та має надійну конструкцію.
Застосовують їх у сферах машинобудування різних напрямів. Основним його завданням є зміна моменту, що крутить, і частоти обертання різних приводів.
Пристрій РМ-400-8 має низку умов для його застосування:
- кліматичне виконання У та Т, згідно з ГОСТ 15150-69,
- обертання валів у будь-яку зі сторін,
- навантаження постійне або змінне,
- робота постійна або з періодичними зупинками,
- максимальна швидкість обертання на вході до 1500 об/хв.
Для довготривалого використання редуктора рекомендують використовувати його в неагресивному середовищі з температурою від -40 до +50 градусів Цельсія. Корпус виготовлений з чавуну і має вигляд моноблоку.
Придбати редуктори РМ-400 Ви можете на сайті нашої компанії «Промпривод», зателефонувавши за вказаним номером.
Купуючи товар у нашій компанії, Ви отримуєте:
- високу якість обладнання,
- ціну від виробника,
- паспорт до кожного виробу,
- доставку у найкоротший термін у будь-яку точку України.
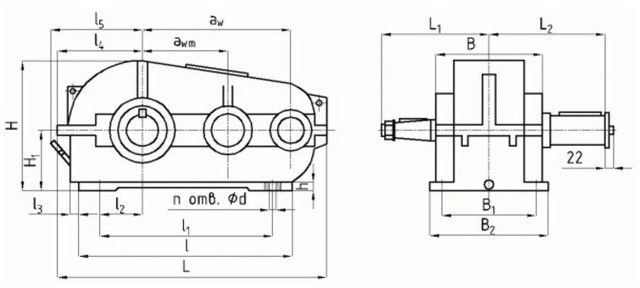
Схема та розміри редуктора РМ-400-8

| aw | awm | L | L1 | L2 | l | l1 | l2 | l3 | l4 | l5 |
| 400 | 250 | 816 | 270 | 325,5 | 440 | 370 | 80 | 75 | 288 | 367 |
| B | B1 | B2 | H | H1 | h | Ød | n отв. |
| 300 | 270 | 310 | 490 | 250 | 25 | 17 | 4 |
Технічні характеристики редуктора РМ-400-8
| Типорозмір | РМ-400 | |||
| Номінальне передавальне | 8,0 | |||
| Номінальний крутний момент | Ном. част. обер. швидкохід. валу, с-1(об/хв) | 10 (600) | Особливо легкий | 4259 |
| ПВ 15% | 2503 | |||
| ПВ 25% | 2175 | |||
| ПВ 40% | 1848 | |||
| ПВ 100% | 1337 | |||
| 12,5 (750) | Особливо легкий | 4036 | ||
| ПВ 15% | 2202 | |||
| ПВ 25% | 3491 | |||
| ПВ 40% | 1625 | |||
| ПВ 100% | 1342 | |||
| 16,6 (1000) | Особливо легкий | 3578 | ||
| ПВ 15% | 1769 | |||
| ПВ 25% | 1549 | |||
| ПВ 40% | 1282 | |||
| ПВ 100% | 1337 | |||
| 20,83 (1250) | Особливо легкий | 3271 | ||
| ПВ 15% | 1541 | |||
| ПВ 25% | 1352 | |||
| ПВ 40% | 1145 | |||
| ПВ 100% | 1352 | |||
| 25 (1500) | Особливо легкий | 3093 | ||
| ПВ 15% | 1363 | |||
| ПВ 25% | 1179 | |||
| ПВ 40% | 1006 | |||
| ПВ 100% | 1195 | |||
| Маса, кг, не більше | 210 | |||
| Номінальна частота обертання швидкохідного валу, | Короткочасний допустимий момент, що крутить на тихохідному валу, Т, Н×м |
| 8,0 | |
| РМ-400-8 | |
| 12,5 (750) | 7750 |
| 16,6 (1000) | 6900 |
| 25,0 (1500) | 5900 |
| Номінальна частота обертання швидкохідного валу, об/хв | РМ-400-8 | ||
| FБ max | FТ max | FM max | |
| 600 | 3,3 | 27,0 | 24,90 |
| 750 | 3,0 | 25,5 | 23,60 |
| 1000 | 2,7 | 22,5 | 21,65 |
| 1250 | 2,5 | 22,0 | 20,25 |
| 1500 | 2,3 | 21,0 | 20,10 |
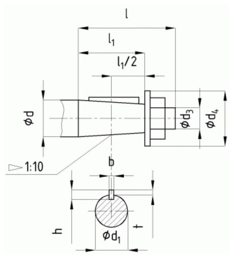
Розміри кінців швидкохідних валів редуктора РМ-400-8

| Ød | Ød1 | Ød3 | Ød4 | l | l1 | b | h | t |
| 40 | 35,9 | М24×2 | 63 | 110 | 82 | 12 | 8 | 5 |
Розміри кінців тихохідних валів під муфти редуктора РМ-400-8

| Ød m6 | Ød1 | b | l | t |
| 80 | 90 | 22 | 123 | 88 |
Розміри кінців тихохідних валів у формі зубчастої напівмуфти редуктора РМ-400-8

| m | z | b | L | L1 | k | B | Ød F7 | Ød1 f9 |
| 3 | 56 | 25 | 57,5 | 16 | 26,5 | 45 | 90 | 135 |
Варіанти складання редуктора

Умовне позначення редуктора РМ-400-8

Редуктор РМ-400-8
Відгуків про цей товар ще не було.
Немає відгуків про цей товар, станьте першим, залиште свій відгук.
Немає питань про даний товар, станьте першим і задайте своє питання.