Редуктор РМ-500-16
Редуктор РМ-500-16
Редуктор горизонтальний РМ-500-16 має циліндричний тип передачі з паралельним розташуванням осей. Застосовується з великою кількістю пристроїв, де потрібно змінити крутний момент і кількість обертів. Як приклад, це можуть бути крани, транспортери, підйомники та інші.
Редуктори РМ-500-16 можуть працювати по 24 години на добу при постійному або змінному навантаженні. Головне, щоб швидкість на вхідному валу не перевищувала 1500 об/хв. Обертання його валів може проводитися в будь-якому напрямку.
Корпус РМ-500-16 виконаний з чавуну та є пилозахисним. Це дозволяє експлуатувати його в умовах із підвищеною запиленістю. Але для збільшення терміну служби не рекомендується використовувати цей редуктор в агресивному середовищі.
Купити редуктори РМ-500 Ви можете на сайті нашої компанії «Промпривод». Вам варто лише зателефонувати за вказаним номером та оформити замовлення.
Купуючи обладнання у нас, Ви отримуєте низку переваг, таких як:
- обслуговування на високому рівні,
- найвища якість товару,
- паспорт, що додається, до кожного редуктора,
- гарантія 12 місяців,
- доставка у будь-який з регіонів України.
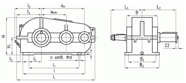
Схема та розміри редуктора РМ-500-16

| aw | awm | L | L1 | L2 | l | l1 | l2 | l3 | l4 | l5 |
| 500 | 300 | 986 | 330 | 330 | 620 | 480 | 110 | 87 | 338 | 420 |
| B | B1 | B2 | H | H1 | h | Ød | n отв. |
| 350 | 310 | 350 | 592 | 300 | 25 | 17 | 6 |
Технічні характеристики редуктора РМ-500-16
| Типорозмір | РМ-500 | |||
| Номінальне передавальне | 16,0 | |||
| Номінальний крутний момент | Ном. част. обер. швидкохід. валу, с-1(об/хв) | 10 (600) | Особливо легкий | 12540 |
| ПВ 15% | 7022 | |||
| ПВ 25% | 6144 | |||
| ПВ 40% | 5141 | |||
| ПВ 100% | 2332 | |||
| 12,5 (750) | Особливо легкий | 12239 | ||
| ПВ 15% | 6220 | |||
| ПВ 25% | 5417 | |||
| ПВ 40% | 4615 | |||
| ПВ 100% | 2307 | |||
| 16,6 (1000) | Особливо легкий | 11286 | ||
| ПВ 15% | 5342 | |||
| ПВ 25% | 4665 | |||
| ПВ 40% | 3912 | |||
| ПВ 100% | 2317 | |||
| 20,83 (1250) | Особливо легкий | 10353 | ||
| ПВ 15% | 4815 | |||
| ПВ 25% | 4213 | |||
| ПВ 40% | 3551 | |||
| ПВ 100% | 2323 | |||
| 25 (1500) | Особливо легкий | 9630 | ||
| ПВ 15% | 4364 | |||
| ПВ 25% | 3812 | |||
| ПВ 40% | 3210 | |||
| ПВ 100% | 2307 | |||
| Маса, кг, не більше | 390 | |||
| Номінальна частота обертання швидкохідного валу, | Короткочасний допустимий момент, що крутить на тихохідному валу, Т, Н×м |
| 16,0 | |
| 12,5 (750) | 23500 |
| 16,6 (1000) | 21000 |
| 25,0 (1500) | 18500 |
| Номінальна частота обертання швидкохідного валу, об/хв | |||
| FБ max | FТ max | FM max | |
| 600 | 4,3 | 23,5 | 21,3 |
| 750 | 4,0 | 22,0 | 19,6 |
| 1000 | 3,5 | 19,5 | 17,7 |
| 1250 | 3,2 | 18,0 | 16,4 |
| 1500 | 3,0 | 17,0 | 16,45 |
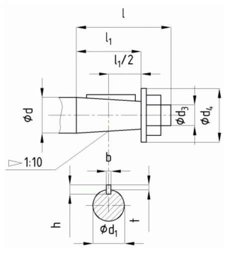
Розміри кінців швидкохідних валів редуктора РМ-500-16

| Ød | Ød1 | Ød3 | Ød4 | l | l1 | b | h | t |
| 50 | 45,9 | М36×3 | 70 | 110 | 82 | 12 | 8 | 5 |
Розміри кінців тихохідних валів під муфти редуктора РМ-500-16

| Ød m6 | Ød1 | b | l | t |
| 80 | 90 | 22 | 123 | 88 |
Розміри кінців тихохідних валів у формі зубчастої напівмуфти редуктора РМ-500-16

| m | z | b | L | L1 | k | B | Ød F7 | Ød1 f9 |
| 4 | 56 | 35 | 63 | 16 | 32 | 50 | 120 | 170 |
Варіанти складання редуктора

Умовне позначення редуктора РМ-500-16

Редуктор РМ-500-16
Відгуків про цей товар ще не було.
Немає відгуків про цей товар, станьте першим, залиште свій відгук.
Немає питань про даний товар, станьте першим і задайте своє питання.