Редуктор РМ-500-20
Редуктор РМ-500-20
Редуктором циліндричним РМ-500-20 називають механізм для зміни моменту, що крутить, і числа оборотів різних приводів, які використовуються в різних галузях машинобудування. Він може застосовуватися в конструкції транспортерів, підйомників, кранів та інших пристроїв.
Даний механізм РМ-500-20 має ряд умов застосування:
- швидкість на вході не повинна бути більше 1500 об/хв.,
- експлуатувати його можна в кліматичних умовах У та Т, згідно з ГОСТ 15150,
- робота може проводитись у постійному режимі або з короткочасними паузами,
- можливість використання у запиленому середовищі,
- навантаження постійне та змінне,
- обертання валів проводиться у будь-який бік.
Корпус пристрою виготовляється із чавуну та має форму моноблока. В окремих випадках корпус може бути виконаний і з іншого металу.
Придбати редуктор РМ-500 за ціною, нижчою від ринку на 3-10% Ви можете на нашому сайті компанії «Промпривод». Можна оформити замовлення в режимі онлайн або зателефонувати за телефонами, вказаними на сайті. Наші фахівці кваліфіковано дадуть відповідь на всі Ваші запитання та допоможуть оформити замовлення.
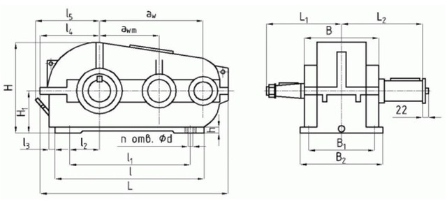
Схема та розміри редуктора РМ-500-20

Розміри редуктора РМ-500-20
| aw | awm | L | L1 | L2 | l | l1 | l2 | l3 | l4 | l5 |
| 500 | 300 | 986 | 330 | 330 | 620 | 480 | 110 | 87 | 338 | 420 |
| B | B1 | B2 | H | H1 | h | Ød | n отв. |
| 350 | 310 | 350 | 592 | 300 | 25 | 17 | 6 |
Технічні характеристики редуктора РМ-500-20
| Типорозмір | РМ-500 | |||
| Номінальне передавальне | 20,0 | |||
| Номінальний крутний момент | Ном. част. обер. швидкохід. валу, с-1(об/хв) | 10 (600) | Особливо легкий | 13051 |
| ПВ 15% | 7341 | |||
| ПВ 25% | 6460 | |||
| ПВ 40% | 5481 | |||
| ПВ 100% | 2153 | |||
| 12,5 (750) | Особливо легкий | 12920 | ||
| ПВ 15% | 7178 | |||
| ПВ 25% | 6264 | |||
| ПВ 40% | 5325 | |||
| ПВ 100% | 2166 | |||
| 16,6 (1000) | Особливо легкий | 12529 | ||
| ПВ 15% | 6166 | |||
| ПВ 25% | 5383 | |||
| ПВ 40% | 4503 | |||
| ПВ 100% | 2153 | |||
| 20,83 (1250) | Особливо легкий | 12685 | ||
| ПВ 15% | 5622 | |||
| ПВ 25% | 4855 | |||
| ПВ 40% | 3994 | |||
| ПВ 100% | 2161 | |||
| 25 (1500) | Особливо легкий | 11746 | ||
| ПВ 15% | 5220 | |||
| ПВ 25% | 4503 | |||
| ПВ 40% | 3785 | |||
| ПВ 100% | 2166 | |||
| Маса, кг, не більше | 390 | |||
| Номінальна частота обертання швидкохідного валу, | Короткочасний допустимий момент, що крутить на тихохідному валу, Т, Н×м |
| 20,0 | |
| 12,5 (750) | 24500 |
| 16,6 (1000) | 24000 |
| 25,0 (1500) | 22000 |
| Номінальна частота обертання швидкохідного валу, об/хв | |||
| FБ max | FТ max | FM max | |
| 600 | 4,3 | 23,5 | 21,3 |
| 750 | 4,0 | 22,0 | 19,6 |
| 1000 | 3,5 | 19,5 | 17,7 |
| 1250 | 3,2 | 18,0 | 16,4 |
| 1500 | 3,0 | 17,0 | 16,45 |
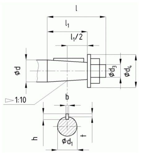
Розміри кінців швидкохідних валів редуктора РМ-500-20

| Ød | Ød1 | Ød3 | Ød4 | l | l1 | b | h | t |
| 50 | 45,9 | М36×3 | 70 | 110 | 82 | 12 | 8 | 5 |
Розміри кінців тихохідних валів під муфти редуктора РМ-500-20

| Ød m6 | Ød1 | b | l | t |
| 80 | 90 | 22 | 123 | 88 |
Розміри кінців тихохідних валів у формі зубчастої напівмуфти редуктора РМ-500-20

| m | z | b | L | L1 | k | B | Ød F7 | Ød1 f9 |
| 4 | 56 | 35 | 63 | 16 | 32 | 50 | 120 | 170 |
Варіанти складання редуктора

Умовне позначення редуктора РМ-500-20

Редуктор РМ-500-20
Відгуків про цей товар ще не було.
Немає відгуків про цей товар, станьте першим, залиште свій відгук.
Немає питань про даний товар, станьте першим і задайте своє питання.