Редуктор РМ-500-22.4
Редуктор РМ-500-22.4
Циліндричний горизонтальний редуктор РМ-500-22.4 застосовується у різних напрямках сфери машинобудування. Головним його завданням є зміна крутного моменту та числа обертів електродвигунів, приводів та інших пристроїв.
Робота двоступінчастого редуктора РМ-500-22.4 може проводитись як із перервами, так і в постійному режимі. Завдяки моноблочному корпусу його можна експлуатувати в сильно запиленому середовищі. Матеріал корпусу – чавун.
РМ-500-22.4 надійний, простий у застосуванні та має ККД наближене до 100%.
Купити редуктори РМ-500 Ви можете на сайті нашої компанії «Промпривод». Вам варто лише зателефонувати за вказаним номером та оформити замовлення.
Купуючи обладнання у нас, Ви отримуєте низку переваг, таких як:
- обслуговування на високому рівні,
- найвища якість товару,
- паспорт, що додається, до кожного редуктора,
- гарантія 12 місяців,
- доставка у будь-який з регіонів України.
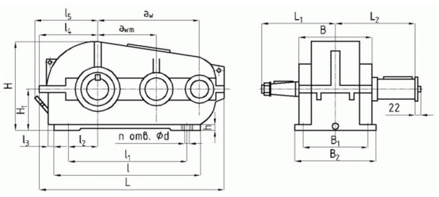
Схема та розміри редуктора РМ-500-22.4

| aw | awm | L | L1 | L2 | l | l1 | l2 | l3 | l4 | l5 |
| 500 | 300 | 986 | 330 | 330 | 620 | 480 | 110 | 87 | 338 | 420 |
| B | B1 | B2 | H | H1 | h | Ød | n отв. |
| 350 | 310 | 350 | 592 | 300 | 25 | 17 | 6 |
Технічні характеристики редуктора РМ-500-22.4
| Типорозмір | РМ-500 | |||
| Номінальне передавальне | 22.4 | |||
| Номінальний крутний момент | Ном. част. обер. швидкохід. валу, с-1(об/хв) | 10 (600) | Особливо легкий | 13194 |
| ПВ 15% | 7805 | |||
| ПВ 25% | 6541 | |||
| ПВ 40% | 5575 | |||
| ПВ 100% | 2156 | |||
| 12,5 (750) | Особливо легкий | 13082 | ||
| ПВ 15% | 7284 | |||
| ПВ 25% | 6244 | |||
| ПВ 40% | 5382 | |||
| ПВ 100% | 2170 | |||
| 16,6 (1000) | Особливо легкий | 12710 | ||
| ПВ 15% | 6244 | |||
| ПВ 25% | 5463 | |||
| ПВ 40% | 4527 | |||
| ПВ 100% | 2163 | |||
| 20,83 (1250) | Особливо легкий | 12309 | ||
| ПВ 15% | 5619 | |||
| ПВ 25% | 4906 | |||
| ПВ 40% | 4192 | |||
| ПВ 100% | 2159 | |||
| 25 (1500) | Особливо легкий | 12041 | ||
| ПВ 15% | 5500 | |||
| ПВ 25% | 4757 | |||
| ПВ 40% | 4014 | |||
| ПВ 100% | 2170 | |||
| Маса, кг, не більше | 390 | |||
| Номінальна частота обертання швидкохідного валу, | Короткочасний допустимий момент, що крутить на тихохідному валу, Т, Н×м |
| 22.4 | |
| 12,5 (750) | 25000 |
| 16,6 (1000) | 24000 |
| 25,0 (1500) | 23000 |
| Номінальна частота обертання швидкохідного валу, об/хв | |||
| FБ max | FТ max | FM max | |
| 600 | 4,3 | 23,5 | 21,3 |
| 750 | 4,0 | 22,0 | 19,6 |
| 1000 | 3,5 | 19,5 | 17,7 |
| 1250 | 3,2 | 18,0 | 16,4 |
| 1500 | 3,0 | 17,0 | 16,45 |
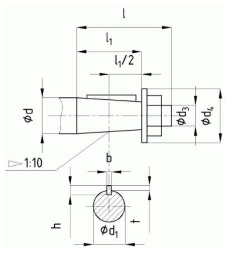
Розміри кінців швидкохідних валів редуктора РМ-500-22.4

| Ød | Ød1 | Ød3 | Ød4 | l | l1 | b | h | t |
| 50 | 45,9 | М36×3 | 70 | 110 | 82 | 12 | 8 | 5 |
Розміри кінців тихохідних валів під муфти редуктора РМ-500-22.4

| Ød m6 | Ød1 | b | l | t |
| 80 | 90 | 22 | 123 | 88 |
Розміри кінців тихохідних валів у формі зубчастої напівмуфти редуктора РМ-500-22.4

| m | z | b | L | L1 | k | B | Ød F7 | Ød1 f9 |
| 4 | 56 | 35 | 63 | 16 | 32 | 50 | 120 | 170 |
Варіанти складання редуктора

Умовне позначення редуктора РМ-500-22.4

Редуктор РМ-500-22.4
Відгуків про цей товар ще не було.
Немає відгуків про цей товар, станьте першим, залиште свій відгук.
Немає питань про даний товар, станьте першим і задайте своє питання.