Редуктор РМ-500-31.5
Редуктор РМ-500-31.5
Редуктор циліндричний РМ-500-31.5 - це пристрій широкого застосування. Його використовують у різних галузях машинобудування. Головним завданням редуктора є зміна моменту, що крутить, і числа оборотів різних приводів.
РМ-500-31.5 має низку умов для його застосування:
- експлуатація в запиленому середовищі,
- робота в постійному режимі або з періодичними зупинками,
- обертання валів у будь-якому з напрямків,
- постійне або змінне навантаження,
- температура навколишнього середовища в діапазоні від -40 до +50 градусів.
- кліматичне виконання У і Т, згідно з ГОСТ 15150,
- швидкість обертання на вході не повинна перевищувати 1500 об/хв.
Корпус виконаний у вигляді моноблока із чавуну. Має надійну конструкцію та високий ККД. Для збільшення терміну роботи рекомендують використовувати обладнання РМ-500-31.5 у неагресивному середовищі.
Замовляючи продукцію на нашому сайті компанії «Промпривод», Ви отримуєте високу якість за ціною від виробника. Кожен товар перед відправленням проходить перевірку. Доставка здійснюється в будь-який регіон України будь-яким способом, найбільш зручним для Вас. Для постійних клієнтів та оптових покупців діє гнучка система знижок.
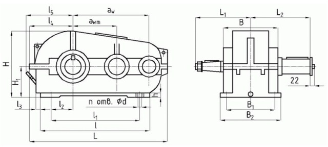
Схема та розміри редуктора РМ-500-31.5

| aw | awm | L | L1 | L2 | l | l1 | l2 | l3 | l4 | l5 |
| 500 | 300 | 986 | 330 | 330 | 620 | 480 | 110 | 87 | 338 | 420 |
| B | B1 | B2 | H | H1 | h | Ød | n отв. |
| 350 | 310 | 350 | 592 | 300 | 25 | 17 | 6 |
Технічні характеристики редуктора РМ-500-31,5
| Типорозмір | РМ-500 | |||
| Номінальне передавальне | 31.5 | |||
| Номінальний крутний момент | Ном. част. обер. швидкохід. валу, с-1(об/хв) | 10 (600) | Особливо легкий | 13292 |
| ПВ 15% | 7423 | |||
| ПВ 25% | 6470 | |||
| ПВ 40% | 5467 | |||
| ПВ 100% | 2157 | |||
| 12,5 (750) | Особливо легкий | 13442 | ||
| ПВ 15% | 6982 | |||
| ПВ 25% | 6059 | |||
| ПВ 40% | 5136 | |||
| ПВ 100% | 2167 | |||
| 16,6 (1000) | Особливо легкий | 13091 | ||
| ПВ 15% | 7223 | |||
| ПВ 25% | 5447 | |||
| ПВ 40% | 4635 | |||
| ПВ 100% | 2167 | |||
| 20,83 (1250) | Особливо легкий | 12760 | ||
| ПВ 15% | 5537 | |||
| ПВ 25% | 4936 | |||
| ПВ 40% | 4165 | |||
| ПВ 100% | 2167 | |||
| 25 (1500) | Особливо легкий | 12640 | ||
| ПВ 15% | 5216 | |||
| ПВ 25% | 4514 | |||
| ПВ 40% | 3852 | |||
| ПВ 100% | 2167 | |||
| Маса, кг, не більше | 390 | |||
| Номінальна частота обертання швидкохідного валу, | Короткочасний допустимий момент, що крутить на тихохідному валу, Т, Н×м |
| 31,5 | |
| 12,5 (750) | 25500 |
| 16,6 (1000) | 25000 |
| 25,0 (1500) | 24000 |
| Номінальна частота обертання швидкохідного валу, об/хв | |||
| FБ max | FТ max | FM max | |
| 600 | 4,3 | 23,5 | 21,3 |
| 750 | 4,0 | 22,0 | 19,6 |
| 1000 | 3,5 | 19,5 | 17,7 |
| 1250 | 3,2 | 18,0 | 16,4 |
| 1500 | 3,0 | 17,0 | 16,45 |
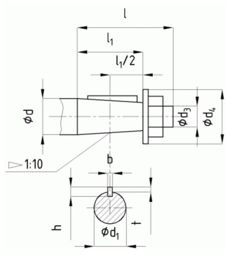
Розміри кінців швидкохідних валів редуктора РМ-500-31.5

| Ød | Ød1 | Ød3 | Ød4 | l | l1 | b | h | t |
| 50 | 45,9 | М36×3 | 70 | 110 | 82 | 12 | 8 | 5 |
Розміри кінців тихохідних валів під муфти редуктора РМ-500-31.5

| Ød m6 | Ød1 | b | l | t |
| 80 | 90 | 22 | 123 | 88 |
Розміри кінців тихохідних валів у формі зубчастої напівмуфти редуктора РМ-500-31.5

| m | z | b | L | L1 | k | B | Ød F7 | Ød1 f9 |
| 4 | 56 | 35 | 63 | 16 | 32 | 50 | 120 | 170 |
Варіанти складання редуктора

Умовне позначення редуктора РМ-500-31.5

Редуктор РМ-500-31.5
Відгуків про цей товар ще не було.
Немає відгуків про цей товар, станьте першим, залиште свій відгук.
Немає питань про даний товар, станьте першим і задайте своє питання.