Редуктор РМ-500-40
Редуктор РМ-500-40
Горизонтальний двоступінчастий редуктор РМ-500-40 – це механізм із циліндричним типом передач. Він часто застосовується у сфері машинобудування у парі з різними електродвигунами та приводами. Входить до складу підйомників, кранів, транспортерів та інших пристроїв.
Робота агрегату РМ-500-40 може проводитися як протягом доби, так і з періодичними зупинками з постійним і змінним навантаженням. Корпус є моноблочним, тому дає можливість експлуатації його в запиленому середовищі. Матеріал корпусу – чавун.
Купити редуктори РМ-500 Ви можете на сайті нашої компанії «Промпривод». Вам варто лише зателефонувати за вказаним номером та оформити замовлення.
Купуючи обладнання у нас, Ви отримуєте низку переваг, таких як:
- обслуговування на високому рівні,
- найвища якість товару,
- паспорт, що додається, до кожного редуктора,
- гарантія 12 місяців,
- доставка у будь-який з регіонів України.
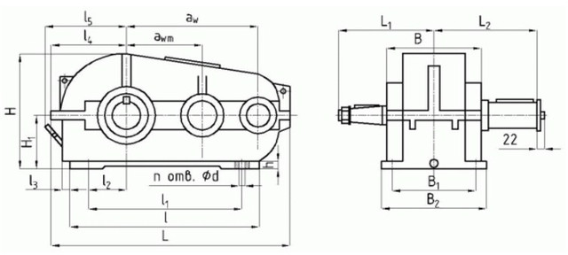
Схема та розміри редуктора РМ-500-40

| aw | awm | L | L1 | L2 | l | l1 | l2 | l3 | l4 | l5 |
| 500 | 300 | 986 | 330 | 330 | 620 | 480 | 110 | 87 | 338 | 420 |
| B | B1 | B2 | H | H1 | h | Ød | n отв. |
| 350 | 310 | 350 | 592 | 300 | 25 | 17 | 6 |
Технічні характеристики редуктора РМ-500-40
| Типорозмір | РМ-500 | |||
| Номінальне передавальне | 40,0 | |||
| Номінальний крутний момент | Ном. част. обер. швидкохід. валу, с-1(об/хв) | 10 (600) | Особливо легкий | 13113 |
| ПВ 15% | 7100 | |||
| ПВ 25% | 6205 | |||
| ПВ 40% | 5245 | |||
| ПВ 100% | 2047 | |||
| 12,5 (750) | Особливо легкий | 14072 | ||
| ПВ 15% | 7062 | |||
| ПВ 25% | 6141 | |||
| ПВ 40% | 5219 | |||
| ПВ 100% | 1945 | |||
| 16,6 (1000) | Особливо легкий | 13624 | ||
| ПВ 15% | 6946 | |||
| ПВ 25% | 6025 | |||
| ПВ 40% | 5143 | |||
| ПВ 100% | 1996 | |||
| 20,83 (1250) | Особливо легкий | 13509 | ||
| ПВ 15% | 6601 | |||
| ПВ 25% | 5680 | |||
| ПВ 40% | 4820 | |||
| ПВ 100% | 1996 | |||
| 25 (1500) | Особливо легкий | 13305 | ||
| ПВ 15% | 5885 | |||
| ПВ 25% | 5117 | |||
| ПВ 40% | 4350 | |||
| ПВ 100% | 1996 | |||
| Маса, кг, не більше | 390 | |||
| Номінальна частота обертання швидкохідного валу, | Короткочасний допустимий момент, що крутить на тихохідному валу, Т, Н×м |
| 40,0 | |
| 12,5 (750) | 26520 |
| 16,6 (1000) | 26000 |
| 25,0 (1500) | 25000 |
| Номінальна частота обертання швидкохідного валу, об/хв | |||
| FБ max | FТ max | FM max | |
| 600 | 4,3 | 23,5 | 21,3 |
| 750 | 4,0 | 22,0 | 19,6 |
| 1000 | 3,5 | 19,5 | 17,7 |
| 1250 | 3,2 | 18,0 | 16,4 |
| 1500 | 3,0 | 17,0 | 16,45 |
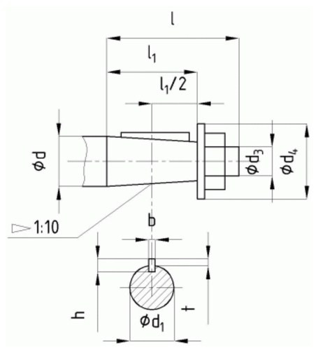
Розміри кінців швидкохідних валів редуктора РМ-500-40

| Ød | Ød1 | Ød3 | Ød4 | l | l1 | b | h | t |
| 50 | 45,9 | М36×3 | 70 | 110 | 82 | 12 | 8 | 5 |
Розміри кінців тихохідних валів під муфти редуктора РМ-500-40

| Ød m6 | Ød1 | b | l | t |
| 80 | 90 | 22 | 123 | 88 |
Розміри кінців тихохідних валів у формі зубчастої напівмуфти редуктора РМ-500-40

| m | z | b | L | L1 | k | B | Ød F7 | Ød1 f9 |
| 4 | 56 | 35 | 63 | 16 | 32 | 50 | 120 | 170 |
Варіанти складання редуктора

Умовне позначення редуктора РМ-500-40

Редуктор РМ-500-40
Відгуків про цей товар ще не було.
Немає відгуків про цей товар, станьте першим, залиште свій відгук.
Немає питань про даний товар, станьте першим і задайте своє питання.