Редуктор РМ-500-50
Редуктор РМ-500-50
Циліндричний двоступінчастий редуктор РМ-500-50 – це горизонтальний привід із паралельним розташуванням осей. Завданням даного редуктора є зміна моменту, що крутить, і числа оборотів різних приводів. Знайшов широке застосування у сфері машинобудування різних напрямів.
Горизонтальний механізм має кілька умов для застосування:
- можливість експлуатації в У та Т кліматичних умовах, згідно з ГОСТ 15150,
- робота проводиться без перерви або з періодичними паузами,
- обертання валів у будь-якому напрямку,
- навантаження на редуктор може бути як змінним, так і постійним,
- обертання на вході не повинно перевищувати 1500 об/хв.,
- температура навколишнього середовища від -40 до +50 градусів за Цельсієм.
Особливостями РМ-500-50 є моноблочне виконання корпусу, виконаного з чавуну; надійність механізму та простота у використанні; ККД наближене до 100%.
Головною перевагою є можливість застосування РМ-500-50 у запиленому середовищі, але воно не повинно бути агресивним та вибухонебезпечним.
Придбати редуктор РМ-500 за ціною, нижчою від ринку на 3-10% Ви можете на нашому сайті компанії «Промпривод». Можна оформити замовлення в режимі онлайн або зателефонувати за телефонами, вказаними на сайті. Наші фахівці кваліфіковано дадуть відповідь на всі Ваші запитання та допоможуть оформити замовлення.
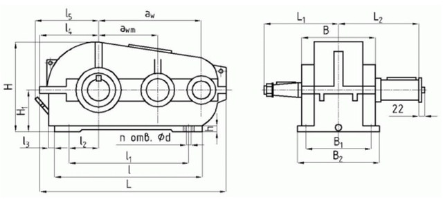
Схема та розміри редуктора РМ-500-50

| aw | awm | L | L1 | L2 | l | l1 | l2 | l3 | l4 | l5 |
| 500 | 300 | 986 | 330 | 330 | 620 | 480 | 110 | 87 | 338 | 420 |
| B | B1 | B2 | H | H1 | h | Ød | n отв. |
| 350 | 310 | 350 | 592 | 300 | 25 | 17 | 6 |
Технічні характеристики редуктора РМ-500-50
| Типорозмір | РМ-500 | |||
| Номінальне передавальне | 50,0 | |||
| Номінальний крутний момент | Ном. част. обер. швидкохід. валу, с-1(об/хв) | 10 (600) | Особливо легкий | 14230 |
| ПВ 15% | 7193 | |||
| ПВ 25% | 6265 | |||
| ПВ 40% | 5336 | |||
| ПВ 100% | 2166 | |||
| 12,5 (750) | Особливо легкий | 13921 | ||
| ПВ 15% | 7177 | |||
| ПВ 25% | 6249 | |||
| ПВ 40% | 5321 | |||
| ПВ 100% | 2042 | |||
| 16,6 (1000) | Особливо легкий | 13689 | ||
| ПВ 15% | 6775 | |||
| ПВ 25% | 5893 | |||
| ПВ 40% | 5012 | |||
| ПВ 100% | 1995 | |||
| 20,83 (1250) | Особливо легкий | 13550 | ||
| ПВ 15% | 6274 | |||
| ПВ 25% | 5457 | |||
| ПВ 40% | 4640 | |||
| ПВ 100% | 2005 | |||
| 25 (1500) | Особливо легкий | 13302 | ||
| ПВ 15% | 5816 | |||
| ПВ 25% | 5043 | |||
| ПВ 40% | 4300 | |||
| ПВ 100% | 1980 | |||
| Маса, кг, не більш ніж | 390 | |||
| Номінальна частота обертання швидкохідного валу, | Короткочасний допустимий момент, що крутить |
| 50,0 | |
| 12,5 (750) | 27000 |
| 16,6 (1000) | 26000 |
| 25,0 (1500) | 25000 |
| Номінальна частота обертання швидкохідного валу, об/хв | |||
| FБ max | FТ max | FM max | |
| 600 | 4,3 | 23,5 | 21,3 |
| 750 | 4,0 | 22,0 | 19,6 |
| 1000 | 3,5 | 19,5 | 17,7 |
| 1250 | 3,2 | 18,0 | 16,4 |
| 1500 | 3,0 | 17,0 | 16,45 |
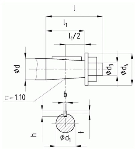
Розміри кінців швидкохідних валів редуктора РМ-500-50

| Ød | Ød1 | Ød3 | Ød4 | l | l1 | b | h | t |
| 50 | 45,9 | М36×3 | 70 | 110 | 82 | 12 | 8 | 5 |
Розміри кінців тихохідних валів під муфти редуктора РМ-500-50

| Ød m6 | Ød1 | b | l | t |
| 80 | 90 | 22 | 123 | 88 |
Розміри кінців тихохідних валів у формі зубчастої напівмуфти редуктора РМ-500-50

| m | z | b | L | L1 | k | B | Ød F7 | Ød1 f9 |
| 4 | 56 | 35 | 63 | 16 | 32 | 50 | 120 | 170 |
Варіанти складання редуктора

Умовне позначення редуктора РМ-500-50

Редуктор РМ-500-50
Відгуків про цей товар ще не було.
Немає відгуків про цей товар, станьте першим, залиште свій відгук.
Немає питань про даний товар, станьте першим і задайте своє питання.