Редуктор РМ-500-8
Редуктор РМ-500-8
Горизонтальний двоступінчастий редуктор РМ-500-8 – це пристрій, що застосовується у машинобудівній галузі. Його використовують у роботі з різними приводами для зміни крутного моменту та числа обертів.
Циліндричний редуктор РМ-500-8 має низку умов для застосування:
- РМ-500-8 стійко переносить роботу в постійному режимі, а також із зупинками,
- обертання валів проводиться в будь-якому з напрямків,
- навантаження на нього може бути постійним і змінним,
- температура навколишнього середовища від -40 до +50 градусів.
- можливість роботи в сухому, помірному та тропічному кліматі,
- швидкість обертання на вході до 1500 об/хв.
Для більш тривалого терміну роботи рекомендують експлуатувати редуктор у неагресивному середовищі. Корпус виготовляється із чавуну. В окремих випадках може бути виконаний з іншого металу. Завдяки корпусу у вигляді моноблоку, він є стійким до попадання в механізм пилу і може застосовуватися у забруднених приміщеннях.
Придбати редуктор РМ-500 за ціною, нижчою від ринку на 3-10% Ви можете на нашому сайті компанії «Промпривод». Можна оформити замовлення в режимі онлайн або зателефонувати за телефонами, вказаними на сайті. Наші фахівці кваліфіковано дадуть відповідь на всі Ваші запитання та допоможуть оформити замовлення.
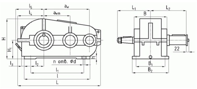
Схема та розміри редуктора РМ-500-8

| aw | awm | L | L1 | L2 | l | l1 | l2 | l3 | l4 | l5 |
| 500 | 300 | 986 | 330 | 330 | 620 | 480 | 110 | 87 | 338 | 420 |
| B | B1 | B2 | H | H1 | h | Ød | n отв. |
| 350 | 310 | 350 | 592 | 300 | 25 | 17 | 6 |
Технічні характеристики редуктора РМ-500-8
| Типорозмір | РМ-500 | |||
| Номінальне передавальне | 8,0 | |||
| Номінальний крутний момент | Ном. част. обер. швидкохід. валу, с-1(об/хв) | 10 (600) | Особливо легкий | 9304 |
| ПВ 15% | 5766 | |||
| ПВ 25% | 4980 | |||
| ПВ 40% | 4259 | |||
| ПВ 100% | 2320 | |||
| 12,5 (750) | Особливо легкий | 8597 | ||
| ПВ 15% | 5137 | |||
| ПВ 25% | 4456 | |||
| ПВ 40% | 3774 | |||
| ПВ 100% | 2317 | |||
| 16,6 (1000) | Особливо легкий | 7627 | ||
| ПВ 15% | 4128 | |||
| ПВ 25% | 3617 | |||
| ПВ 40% | 3067 | |||
| ПВ 100% | 2107 | |||
| 20,83 (1250) | Особливо легкий | 6856 | ||
| ПВ 15% | 3586 | |||
| ПВ 25% | 3114 | |||
| ПВ 40% | 2642 | |||
| ПВ 100% | 2170 | |||
| 25 (1500) | Особливо легкий | 5897 | ||
| ПВ 15% | 3171 | |||
| ПВ 25% | 2752 | |||
| ПВ 40% | 2333 | |||
| ПВ 100% | 2097 | |||
| Маса, кг, не більше | 390 | |||
| Номінальна частота обертання швидкохідного валу, | Короткочасний допустимий момент, що крутить на тихохідному валу, Т, Н×м |
| 8,0 | |
| 12,5 (750) | 16500 |
| 16,6 (1000) | 14500 |
| 25,0 (1500) | 11400 |
| Номінальна частота обертання швидкохідного валу, об/хв | |||
| FБ max | FТ max | FM max | |
| 600 | 4,3 | 23,5 | 21,3 |
| 750 | 4,0 | 22,0 | 19,6 |
| 1000 | 3,5 | 19,5 | 17,7 |
| 1250 | 3,2 | 18,0 | 16,4 |
| 1500 | 3,0 | 17,0 | 16,45 |
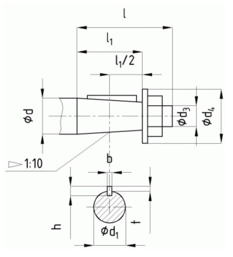
Розміри кінців швидкохідних валів редуктора РМ-500-8

| Ød | Ød1 | Ød3 | Ød4 | l | l1 | b | h | t |
| 50 | 45,9 | М36×3 | 70 | 110 | 82 | 12 | 8 | 5 |
Розміри кінців тихохідних валів під муфти редуктора РМ-500-8

| Ød m6 | Ød1 | b | l | t |
| 80 | 90 | 22 | 123 | 88 |
Розміри кінців тихохідних валів у формі зубчастої напівмуфти редуктора РМ-500-8

| m | z | b | L | L1 | k | B | Ød F7 | Ød1 f9 |
| 4 | 56 | 35 | 63 | 16 | 32 | 50 | 120 | 170 |
Варіанти складання редуктора

Умовне позначення редуктора РМ-500-8

Редуктор РМ-500-8
Відгуків про цей товар ще не було.
Немає відгуків про цей товар, станьте першим, залиште свій відгук.
Немає питань про даний товар, станьте першим і задайте своє питання.