Редуктор РМ-650-22.4-21
Циліндричний редуктор РМ-650-22.4 варіанта складання 21
Редуктор РМ-650-22.4-21 є якісним перетворюючим пристроєм, робота якого спрямована на зміну параметрів крутного моменту та частоти обертання з метою оптимізації та підвищення ефективності роботи автоматизованих систем.
Цей перетворювач має універсальне застосування, тому область його використання дуже широка. Корпус редуктора виконаний із чавуну, а кількість виходів валів визначається варіантом складання. Варіант складання 21 охарактеризований наявністю двох виходів, що знаходяться на протилежних сторонах редуктора.
Варіант складання редуктора

Умови застосування
| Опис | Характеристика |
| Тип навантаження | Постійний, змінний, одного напряму, ревервивний |
| Режими роботи | Тривалий або зі змінними зупинками |
| Обертання валів | У будь-який бік |
| Максимально допустима частота обертання вхідного вала | 1500 об/хв |
| Температура зовнішнього середовища | Від -40 до +50 градусів Цельсія |
| Кліматичне виконання, категорія розміщення | У і Т, категорія розміщення I-IV відповідно до ГОСТ 15150-69 |
| Робота в умовах підвищеної запиленості | Допускається |
Компанія «Промпривод» надає можливість придбати редуктори РМ, ціна яких нижча за ринкову, створених відповідно до варіантів складання, які зазначені у вітчизняному стандарті ГОСТ 20373-94. Редуктори виготовляються на сучасному устаткуванні із задіянням передових технологій. Ми завжди надсилаємо замовлення в обумовлені терміни, надаємо гарантію на всі товари та детальну консультацію щодо наших виробів.
У комплекті з пристроями ви отримуєте повний пакет документів, що сертифікують, що підтверджують якість виробу. Доставка можлива по всій території України.
Технічні характеристики редуктора РМ-650-22.4
| Передавальне число, u | Фактичне передавальне число, u1 | ККД, % | Маса редуктора, кг | AwЗ | AwT | AwБ | Об'єм олії, що заливається, л |
| 22.4 | 23.34 | 98 | 878 | 650 | 400 | 250 | 22 |
| Частота обертання вхідного валу, об/хв | Допустимий момент, що крутить, на вихідному валу при роботі редуктора в повторно-короткочасних режимах, Н*м для передавальних чисел | Допустиме радіальне консольне навантаження, прикладене в середині посадкової частини, Н | ||
| 22.4 | Вхідний (швидкохідний) вал | Вихідний (тихохідний) | Вихідний (тихохідний) вал у вигляді зубчастої напівмуфти | |
| 600 | 57800 | 4500 | 114000 | 113000 |
| 750 | 54500 | 4300 | 110000 | 106300 |
| 1000 | 54000 | 3800 | 96000 | 97600 |
| 1250 | 45600 | 3350 | 90500 | 91000 |
| 1500 | 42200 | 3100 | 86500 | 89000 |
Габаритні та приєднувальні розміри редуктора РМ-650

| L | L1 | L2 | L3 | L4 | L5 | B | B1 | B2 | B3 | H | H1 | H2 | H3 | d | n |
| 1278 | 830 | 645 | 215 | 430 | 430 | 470 | 470 | 410 | 318 | 697 | 320 | 95 | 35 | 25 | 8 |
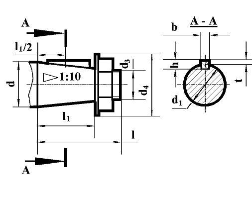
Розміри конічних кінців вхідних і вихідних валів редуктора РМ

| Редуктор | Вал | d1 | d2 | d3 | d4 | l | l1 | b | h | t |
| РМ-650 | вхідний | 60 | 54.75 | М42х3 | 94 | 140 | 105 | 16 | 10 | 4 |
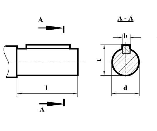
Розміри циліндричних кінців вхідних і вихідних валів редуктора РМ

| Редуктор | Вал | d2 | d1 | l | l1 | b | h | t |
| РМ-650 | вихідний | 110 m 6 125 m 6 | 130 145 | 430 | 165 165 | 28 32 | 120 136 | - |
Приєднувальні розміри тихохідного валу у вигляді зубчастої напівмуфти редуктора РМ

| Редуктор | Вал | m | z | b | L | L1 | k | B | d | d1 |
| РМ-650 | вихідний | 6 | 56 | 40 | 75 | 56 | 32 | 68 | 170 f 7 | 260 f 9 |
Умовні позначення редуктора РМ-650

Відгуків про цей товар ще не було.
Немає відгуків про цей товар, станьте першим, залиште свій відгук.
Немає питань про даний товар, станьте першим і задайте своє питання.