Редуктор РМ-750-10-22
Циліндричний редуктор РМ-750-10 варіанта складання 22
Редуктор РМ-750-10-22 застосовують для оптимізації роботи автоматизованих систем з виробництва. Принцип роботи пристрою полягає в підвищенні моменту, що крутить, за рахунок зниження кутової швидкості на вихідному валу.
Для зручного розміщення редуктора у різні приводи існує кілька варіантів складання, які прописані в ГОСТ 20373-94. Ми пропонуємо купити редуктор РМ даного типорозміру у складанні 22.
Варіант складання редуктора

Умови застосування
| Опис | Характеристика |
| Тип навантаження | Постійний, змінний, одного напряму, ревервивний |
| Режими роботи | Тривалий або зі змінними зупинками |
| Обертання валів | У будь-який бік |
| Максимально допустима частота обертання вхідного вала | 1500 об/хв |
| Температура зовнішнього середовища | Від -40 до +50 градусів Цельсія |
| Кліматичне виконання, категорія розміщення | У і Т, категорія розміщення I-IV відповідно до ГОСТ 15150-69 |
| Робота в умовах підвищеної запиленості | Допускається |
Компанія «Промпривод» надає можливість придбати редуктори РМ, ціна яких нижча за ринкову, створених відповідно до варіантів складання, які зазначені у вітчизняному стандарті ГОСТ 20373-94. Редуктори виготовляються на сучасному устаткуванні із задіянням передових технологій. Ми завжди надсилаємо замовлення в обумовлені терміни, надаємо гарантію на всі товари та докладну консультацію щодо наших виробів.
У комплекті з пристроями ви отримуєте повний пакет документів, що сертифікують, що підтверджують якість виробу. Доставка можлива по всій території України.
Технічні характеристики редуктора РМ-750-10
| Передавальне число, u | Мт, Н·м | Маса редуктора, кг | Awc | AwT | AwБ |
| 10 | 15000 | 1030 | 750 | 450 | 300 |
Габаритні та приєднувальні розміри редуктора РМ-750

| L | L1 | L2 | L3 | L4 | L5 | B | B1 | B2 | H | H1 | H2 | H3 | в | n |
| 1448 | 1025 | 825 | 275 | 475 | 450 | 510 | 510 | 450 | 743 | 320 | 130 | 35 | 25 | 8 |
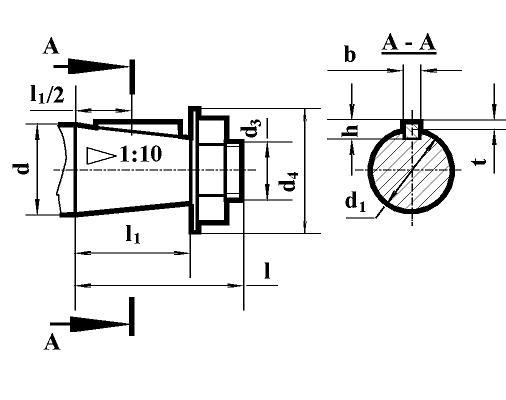
Розміри кінців вхідних і вихідних валів


| Вхідний вал | Вихідний вал | ||||||||||||
| d1 | d2 | d3 | d4 | l | l1 | b | h | t | d5 | d6 | l2 | t1 | b1 |
| 60 | М42хЗ | 94 | 54.75 | 140 | 105 | 16 | 10 | 6 | 110 | 130 | 165 | 120 | 28 |
Приєднувальні розміри тихохідного валу у вигляді зубчастої напівмуфти редуктора РМ

| m | z | A | k | k1 | k2 | k3 | D | d1 |
| 6 | 56 | 75 | 32 | 40 | 16 | 68 | 260 | 170 |
Умовні позначення редуктора РМ-750

Редуктор РМ-750-10-22
Відгуків про цей товар ще не було.
Немає відгуків про цей товар, станьте першим, залиште свій відгук.
Немає питань про даний товар, станьте першим і задайте своє питання.