Редуктор РМ-750-12.5-12
Циліндричний редуктор РМ-750-12.5 варіанта складання 12
Редуктор РМ-750-12.5-12 – механічний загальнопромисловий перетворювач із двома ступенями та зубчастим типом зачеплення.
Встановлюють пристрої для зміни швидкості обертання валів від високої на вхідному більш низьку на вихідному валу, внаслідок цих змін збільшується крутний момент тихохідного валу.
Виходи валів, даного складання, мають різнобічне розміщення. Монтують пристрій горизонтально, на тверду поверхню. Перший запуск необхідно здійснити в холосту.
Варіант складання редуктора

Умови застосування
| Опис | Характеристика |
| Тип навантаження | Постійний, змінний, одного напряму, ревервивний |
| Режими роботи | Тривалий або зі змінними зупинками |
| Обертання валів | У будь-який бік |
| Максимально допустима частота обертання вхідного вала | 1500 об./хв |
| Температура зовнішнього середовища | Від -40 до +50 градусів Цельсія |
| Кліматичне виконання, категорія розміщення | У і Т, категорія розміщення I-IV відповідно до ГОСТ 15150-69 |
| Робота в умовах підвищеної запиленості | Допускається. |
Компанія «Промпривод» надає можливість придбати редуктори РМ, ціна яких нижча за ринкову, створених відповідно до варіантів складання, які зазначені у вітчизняному стандарті ГОСТ 20373-94. Редуктори виготовляються на сучасному устаткуванні із задіянням передових технологій. Ми завжди надсилаємо замовлення в обумовлені терміни, надаємо гарантію на всі товари та побробну консультацію щодо наших виробів.
У комплекті з пристроями ви отримуєте повний пакет документів, що сертифікують, що підтверджують якість виробу. Доставка можлива по всій території України.
Технічні характеристики редуктора РМ-750-12.5
| Передавальне число, u | Мт, Н·м | Маса редуктора, кг | Awc | AwT | AwБ |
| 12.5 | 15000 | 1030 | 750 | 450 | 300 |
Габаритні та приєднувальні розміри редуктора РМ-750

| L | L1 | L2 | L3 | L4 | L5 | B | B1 | B2 | H | H1 | H2 | H3 | в | n |
| 1448 | 1025 | 825 | 275 | 475 | 450 | 510 | 510 | 450 | 743 | 320 | 130 | 35 | 25 | 8 |
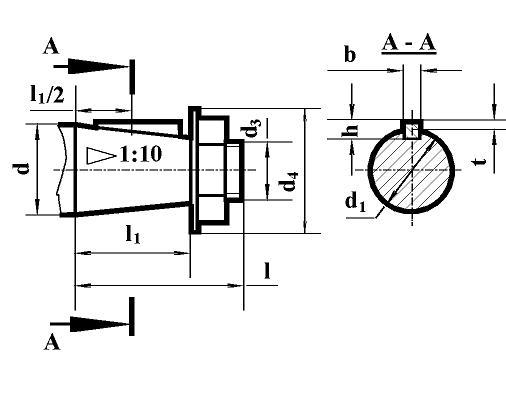
Розміри кінців вхідних і вихідних валів


| Вхідний вал | Вихідний вал | ||||||||||||
| d1 | d2 | d3 | d4 | l | l1 | b | h | t | d5 | d6 | l2 | t1 | b1 |
| 60 | М42хЗ | 94 | 54.75 | 140 | 105 | 16 | 10 | 6 | 110 | 130 | 165 | 120 | 28 |
Приєднувальні розміри тихохідного валу у вигляді зубчастої напівмуфти редуктора РМ

| m | z | A | k | k1 | k2 | k3 | D | d1 |
| 6 | 56 | 75 | 32 | 40 | 16 | 68 | 260 | 170 |
Умовні позначення редуктора РМ-750

Відгуків про цей товар ще не було.
Немає відгуків про цей товар, станьте першим, залиште свій відгук.
Немає питань про даний товар, станьте першим і задайте своє питання.