Редуктор РМ-750-12.5
Редуктор РМ-750-12.5
Горизонтальний двоступінчастий редуктор РМ-750-12.5 застосовується у машинобудівних галузях різного напряму. Його використовують з різними приводами для зміни їхньої кількості обертів і крутного моменту.
Редуктор РМ-750-12.5 має низку умов для застосування, це:
- експлуатація в кліматичних умовах У та Т при температурі від -40 до +50 градусів Цельсія,
- робота при різних навантаженнях у постійному режимі або з періодичними паузами,
- обертання валів проводиться в будь-якому напрямку,
- швидкість на вході до 1500 об/хв.
Корпус виготовляють із чавуну у вигляді моноблоку. Завдяки будівлі корпусу редуктор можна експлуатувати в запиленому середовищі не турбуючись, що в механізм потрапить пил. ККД редуктора РМ-750-12.5 приблизно дорівнює 98%. Він є надійним та дуже простим у застосуванні пристроєм.
Придбати редуктор РМ-750 можна у нас на сайті компанії «Промпривод». До товару додається оригінальний паспорт, з усіма печатками та відмітками ВТК, а також гарантія на 12 місяців.
Доставка здійснюється в будь-який регіон України, у найкоротші терміни. Замовляючи у нас, Ви можете бути впевнені в якості товару. Всі ціни від виробника.
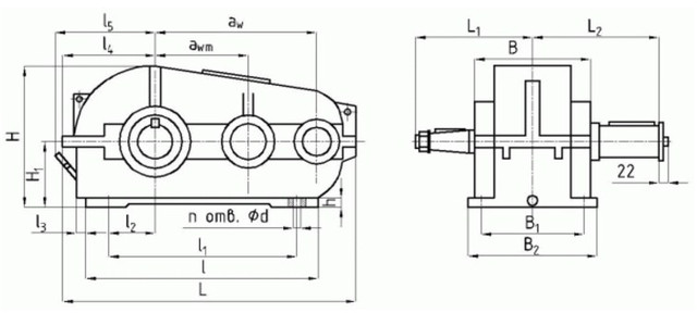
Схема та розміри редуктора РМ-750-12.5

| aw | awm | L | L1 | L2 | l | l1 | l2 | l3 | l4 | l5 |
| 750 | 450 | 1448 | 450 | 475 | 1025 | 620 | 275 | 230 | 491 | 525 |
| B | B1 | B2 | H | H1 | h | Ød | n отв. |
| 510 | 450 | 510 | 356 | 743 | 320 | 130 | 35 |
Технічні характеристики редуктора РМ-750-12.5
| Типорозмір | РМ-750 | |||
| Номінальне передавальне | 12.5 | |||
| Номінальний крутний момент | Ном. част. обер. швидкохід. валу, с-1(об/хв) | 10 (600) | Особливо легкий | 35021 |
| ПВ 15% | 23146 | |||
| ПВ 25% | 20127 | |||
| ПВ 40% | 17108 | |||
| ПВ 100% | 7850 | |||
| 12,5 (750) | Особливо легкий | 32203 | ||
| ПВ 15% | 20449 | |||
| ПВ 25% | 17712 | |||
| ПВ 40% | 15136 | |||
| ПВ 100% | 7809 | |||
| 16,6 (1000) | Особливо легкий | 28379 | ||
| ПВ 15% | 17994 | |||
| ПВ 25% | 15699 | |||
| ПВ 40% | 13284 | |||
| ПВ 100% | 7125 | |||
| 20,83 (1250) | Особливо легкий | 25119 | ||
| ПВ 15% | 15651 | |||
| ПВ 25% | 13719 | |||
| ПВ 40% | 11593 | |||
| ПВ 100% | 7149 | |||
| Маса, кг, не більше | 1030 | |||
| Номінальна частота обертання швидкохідного валу, | Короткочасний допустимий момент, що крутить на тихохідному валу, Т, Н×м |
| 12.5 | |
| РМ-750 | |
| 10,0 (600) | 67500 |
| 12,5 (750) | 62000 |
| 16,6 (1000) | 54000 |
| 20,8 (1250) | 48600 |
| Номінальна частота обертання швидкохідного валу, об/хв | РМ-750-12.5 | ||
| FБ max | FТ max | FM max | |
| 600 | 6,7 | 105,0 | 113,3 |
| 750 | 6,3 | 97,5 | 105,0 |
| 1000 | 5,5 | 88,5 | 96,1 |
| 1250 | 5,0 | 81,5 | 89,7 |
| 1500 | 4,6 | 79,0 | 89,2 |
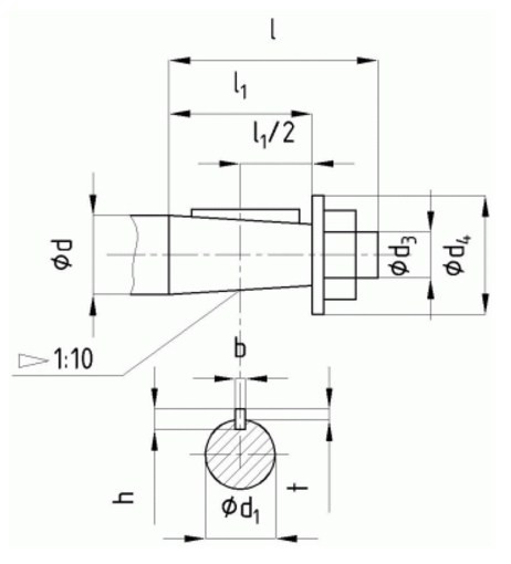
Розміри кінців швидкохідних валів редуктора РМ-750-12.5

| Ød | Ød1 | Ød3 | Ød4 | l | l1 | b | h | t |
| 60 | 54,75 | М42´ З | 94 | 140 | 105 | 16 | 10 | 6 |
Розміри кінців тихохідних валів під муфти редуктора РМ-750-12.5

| Ød m6 | Ød1 | b | l | t |
| 110 | 130 | 28 | 165 | 120 |
Розміри кінців тихохідних валів у формі зубчастої напівмуфти редуктора РМ-750-12.5

| m | z | b | L | L1 | k | B | Ød F7 | Ød1 f9 |
| 6 | 56 | 40 | 75 | 16 | 32 | 68 | 170 | 260 |
Варіанти складання редуктора

Умовне позначення редуктора РМ-750-12.5

Редуктор РМ-750-12.5
Відгуків про цей товар ще не було.
Немає відгуків про цей товар, станьте першим, залиште свій відгук.
Немає питань про даний товар, станьте першим і задайте своє питання.