Редуктор РМ-750-22.4
Редуктор РМ-750-22.4
Горизонтальний редуктор із циліндричним типом передачі РМ-750-22.4 є двоступінчастим. Він застосовується з різними приводами для зміни їхньої кількості обертів і крутного моменту. Свого роду "робоча конячка" з широким спектром застосування в галузях машинобудування.
Двоступінчастий редуктор РМ-750-22.4 може працювати тривалий час без зупинок із постійним або змінним навантаженням. Вхідна швидкість не повинна перевищувати 1500 оборотів за хвилину.
Експлуатувати РМ-750-22.4 можливо в кліматичних умовах У і Т (ГОСТ 15150-69) за температури від -40 до +50 градусів Цельсія. Корпус виготовлений із чавуну. Форма корпусу – моноблок. Є дуже надійним механізмом із високим відсотком ККД.
Придбати редуктори РМ-750 Ви можете у нас на сайті компанії «Промпривод», отримавши при цьому:
- високу якість товару,
- ціну від виробника,
- гарантію 12 місяців,
- оригінальний паспорт до виробу,
- доставку найзручнішим для Вас способом,
- мінімальні терміни доставки до всіх регіонів України.
Наші фахівці завжди підкажуть та проконсультують по представленому товару та допоможуть оформити замовлення. Працюючи з нами, Ви заощаджуєте свій час та гроші. Дзвоніть прямо зараз!
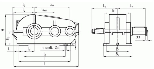
Схема та розміри редуктора РМ-750-22.4

| aw | awm | L | L1 | L2 | l | l1 | l2 | l3 | l4 | l5 |
| 750 | 450 | 1448 | 450 | 475 | 1025 | 620 | 275 | 230 | 491 | 525 |
| B | B1 | B2 | H | H1 | h | Ød | n отв. |
| 510 | 450 | 510 | 356 | 743 | 320 | 130 | 35 |
Технічні характеристики редуктора РМ-750-22.4
| Типорозмір | РМ-750 | |||
| Номінальне передавальне | 22.4 | |||
| Номінальний крутний момент | Ном. част. обер. швидкохід. валу, с-1(об/хв) | 10 (600) | Особливо легкий | 43483 |
| ПВ 15% | 26016 | |||
| ПВ 25% | 22671 | |||
| ПВ 40% | 19326 | |||
| ПВ 100% | 7247 | |||
| 12,5 (750) | Особливо легкий | 42517 | ||
| ПВ 15% | 24975 | |||
| ПВ 25% | 21704 | |||
| ПВ 40% | 18434 | |||
| ПВ 100% | 7284 | |||
| 16,6 (1000) | Особливо легкий | 40807 | ||
| ПВ 15% | 21630 | |||
| ПВ 25% | 18954 | |||
| ПВ 40% | 16055 | |||
| ПВ 100% | 7805 | |||
| 20,83 (1250) | Особливо легкий | 39246 | ||
| ПВ 15% | 19445 | |||
| ПВ 25% | 16947 | |||
| ПВ 40% | 14271 | |||
| ПВ 100% | 7314 | |||
| 25 (1500) | Особливо легкий | 36422 | ||
| ПВ 15% | 17839 | |||
| ПВ 25% | 15461 | |||
| ПВ 40% | 13231 | |||
| ПВ 100% | 7136 | |||
| Маса, кг, не більше | 1030 | |||
| Номінальна частота обертання швидкохідного валу, | Короткочасний допустимий момент, що крутить на тихохідному валу, Т, Н×м |
| 22.4 | |
| РМ-750 | |
| 10,0 (600) | 83000 |
| 12,5 (750) | 81000 |
| 16,6 (1000) | 79000 |
| 20,8 (1250) | 75000 |
| 25,0 (1500) | 69000 |
| Номінальна частота обертання швидкохідного валу, об/хв | РМ-750-22.4 | ||
| FБ max | FТ max | FM max | |
| 600 | 6,7 | 105,0 | 113,3 |
| 750 | 6,3 | 97,5 | 105,0 |
| 1000 | 5,5 | 88,5 | 96,1 |
| 1250 | 5,0 | 81,5 | 89,7 |
| 1500 | 4,6 | 79,0 | 89,2 |
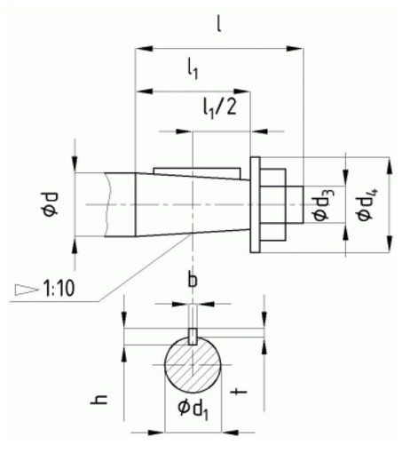
Розміри кінців швидкохідних валів редуктора РМ-750-22.4

| Ød | Ød1 | Ød3 | Ød4 | l | l1 | b | h | t |
| 60 | 54,75 | М42´ З | 94 | 140 | 105 | 16 | 10 | 6 |
Розміри кінців тихохідних валів під муфти редуктора РМ-750-22.4

| Ød m6 | Ød1 | b | l | t |
| 110 | 130 | 28 | 165 | 120 |
Розміри кінців тихохідних валів у формі зубчастої напівмуфти редуктора РМ-750-22.4

| m | z | b | L | L1 | k | B | Ød F7 | Ød1 f9 |
| 6 | 56 | 40 | 75 | 16 | 32 | 68 | 170 | 260 |
Варіанти складання редуктора

Умовне позначення редуктора РМ-750-22.4

Редуктор РМ-750-22.4
Відгуків про цей товар ще не було.
Немає відгуків про цей товар, станьте першим, залиште свій відгук.
Немає питань про даний товар, станьте першим і задайте своє питання.