Редуктор РМ-750-31.5
Редуктор РМ-750-31.5
Горизонтальний двоступінчастий редуктор РМ-750-31.5 може експлуатуватися в різних галузях машинобудування, де потрібно змінити крутний момент та кількість обертів приводів або електродвигунів. Є простим у застосуванні механізмом із передатним відношенням 31.5.
Має низку умов застосування:
- робота при різних навантаженнях у постійному або змінному режимі,
- обертання валів за і проти годинникової стрілки,
- кліматичне середовище може бути помірним, або тропічним,
- робочий температурний режим від -40 до +50 градусів за Цельсієм.
Головною конструктивною особливістю редуктора РМ-750-31.5 є можливість експлуатувати його в сильно запиленому середовищі. Для виготовлення корпусу використовують чавун, але в особливих випадках може бути інший метал.
Придбати редуктор РМ-750 можна у нас на сайті компанії «Промпривод». До товару додається оригінальний паспорт, з усіма печатками та відмітками ВТК, а також гарантія на 12 місяців.
Доставка здійснюється в будь-який регіон України, у найкоротші терміни. Замовляючи у нас, Ви можете бути впевнені в якості товару. Всі ціни від виробника.
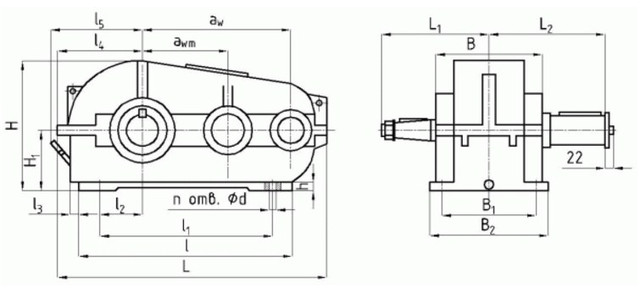
Схема та розміри редуктора РМ-750-31.5

| aw | awm | L | L1 | L2 | l | l1 | l2 | l3 | l4 | l5 |
| 750 | 450 | 1448 | 450 | 475 | 1025 | 620 | 275 | 230 | 491 | 525 |
| B | B1 | B2 | H | H1 | h | Ød | n отв. |
| 510 | 450 | 510 | 356 | 743 | 320 | 130 | 35 |
Технічні характеристики редуктора РМ-750
| Типорозмір | РМ-750 | |||
| Номінальне передавальне | 31.5 | |||
| Номінальний крутний момент | Ном. част. обер. швидкохід. валу, с-1(об/хв) | 10 (600) | Особливо легкий | 44641 |
| ПВ 15% | 25581 | |||
| ПВ 25% | 22070 | |||
| ПВ 40% | 18809 | |||
| ПВ 100% | 7273 | |||
| 12,5 (750) | Особливо легкий | 44139 | ||
| ПВ 15% | 24076 | |||
| ПВ 25% | 20866 | |||
| ПВ 40% | 17856 | |||
| ПВ 100% | 7303 | |||
| 16,6 (1000) | Особливо легкий | 42434 | ||
| ПВ 15% | 21668 | |||
| ПВ 25% | 18960 | |||
| ПВ 40% | 15950 | |||
| ПВ 100% | 7163 | |||
| 20,83 (1250) | Особливо легкий | 41411 | ||
| ПВ 15% | 19261 | |||
| ПВ 25% | 16853 | |||
| ПВ 40% | 14205 | |||
| ПВ 100% | 7343 | |||
| 25 (1500) | Особливо легкий | 40127 | ||
| ПВ 15% | 17255 | |||
| ПВ 25% | 15048 | |||
| ПВ 40% | 12640 | |||
| ПВ 100% | 7323 | |||
| Маса, кг, не більше | 1030 | |||
| Номінальна частота обертання швидкохідного валу, | Короткочасний допустимий момент, що крутить на тихохідному валу, Т, Н×м |
| 31.5 | |
| РМ-750 | |
| 10,0 (600) | 85000 |
| 12,5 (750) | 84000 |
| 16,6 (1000) | 81000 |
| 20,8 (1250) | 79000 |
| 25,0 (1500) | 76500 |
| Номінальна частота обертання швидкохідного валу, об/хв | РМ-750-31.5 | ||
| FБ max | FТ max | FM max | |
| 600 | 6,7 | 105,0 | 113,3 |
| 750 | 6,3 | 97,5 | 105,0 |
| 1000 | 5,5 | 88,5 | 96,1 |
| 1250 | 5,0 | 81,5 | 89,7 |
| 1500 | 4,6 | 79,0 | 89,2 |
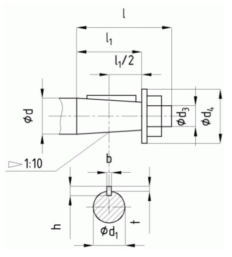
Розміри кінців швидкохідних валів редуктора РМ-750-31.5

| Ød | Ød1 | Ød3 | Ød4 | l | l1 | b | h | t |
| 60 | 54,75 | М42´ З | 94 | 140 | 105 | 16 | 10 | 6 |
Розміри кінців тихохідних валів під муфти редуктора РМ-750-31.5

| Ød m6 | Ød1 | b | l | t |
| 110 | 130 | 28 | 165 | 120 |
Розміри кінців тихохідних валів у формі зубчастої напівмуфти редуктора РМ-750-31.5

| m | z | b | L | L1 | k | B | Ød F7 | Ød1 f9 |
| 6 | 56 | 40 | 75 | 16 | 32 | 68 | 170 | 260 |
Варіанти складання редуктора

Умовне позначення редуктора РМ-750-31.5

Редуктор РМ-750-31.5
Відгуків про цей товар ще не було.
Немає відгуків про цей товар, станьте першим, залиште свій відгук.
Немає питань про даний товар, станьте першим і задайте своє питання.