Редуктор РМ-750-50
Редуктор РМ-750-50
Даний редуктор є дуже надійним та простим у застосуванні. РМ-750-50 - це горизонтальний двоступінчастий механізм. Тип передачі в нього циліндричний. Він знайшов своє застосування у галузях машинобудування.
Його використовують там, де потрібно змінити кількість обертів і крутний момент різних приводів та електродвигунів. Наприклад, у пристроях кранів, підйомників, транспортерів та інших установок.
Горизонтальний редуктор РМ-750-50 має низку умов для експлуатації:
- можливість роботи тривалий час без зупинок, а також з періодичними паузами при постійному або змінному навантаженні,
- середовище може бути відповідно до кліматичних виконань У і Т (ГОСТ 15150-69) з температурою від -40 до +50 градусів Цельсія,
- обертання валів проводиться у будь-якому потрібному напрямку.
Рекомендується використання редуктора РМ-750-50 у неагресивному та невибухонебезпечному середовищі.
Конструкцією пристрою передбачено захист від попадання в механізм пилу, тому його можна експлуатувати у дуже запилених умовах.
Придбати редуктор РМ-750 можна у нас на сайті компанії «Промпривод». До товару додається оригінальний паспорт, з усіма печатками та відмітками ВТК, а також гарантія на 12 місяців.
Доставка здійснюється в будь-який регіон України, у найкоротші терміни. Замовляючи у нас, Ви можете бути впевнені в якості товару. Всі ціни від виробника.
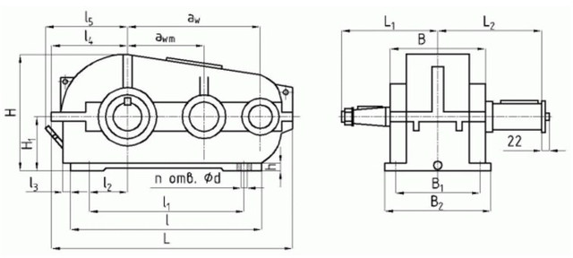
Схема та розміри редуктора РМ-750-50

| aw | awm | L | L1 | L2 | l | l1 | l2 | l3 | l4 | l5 |
| 750 | 450 | 1448 | 450 | 475 | 1025 | 620 | 275 | 230 | 491 | 525 |
| B | B1 | B2 | H | H1 | h | Ød | n отв. |
| 510 | 450 | 510 | 356 | 743 | 320 | 130 | 35 |
Технічні характеристики редуктора РМ-750-50
| Типорозмір | РМ-750 | |||
| Номінальне передавальне | 50,0 | |||
| Номінальний крутний момент | Ном. част. обер. швидкохід. валу, с-1(об/хв) | 10 (600) | Особливо легкий | 49497 |
| ПВ 15% | 24749 | |||
| ПВ 25% | 21655 | |||
| ПВ 40% | 18175 | |||
| ПВ 100% | 7347 | |||
| 12,5 (750) | Особливо легкий | 46404 | ||
| ПВ 15% | 24749 | |||
| ПВ 25% | 21346 | |||
| ПВ 40% | 18258 | |||
| ПВ 100% | 6806 | |||
| 16,6 (1000) | Особливо легкий | 45476 | ||
| ПВ 15% | 23666 | |||
| ПВ 25% | 20418 | |||
| ПВ 40% | 17169 | |||
| ПВ 100% | 6729 | |||
| 20,83 (1250) | Особливо легкий | 44176 | ||
| ПВ 15% | 21531 | |||
| ПВ 25% | 18933 | |||
| ПВ 40% | 15963 | |||
| ПВ 100% | 6719 | |||
| 25 (1500) | Особливо легкий | 43620 | ||
| ПВ 15% | 20108 | |||
| ПВ 25% | 17324 | |||
| ПВ 40% | 14849 | |||
| ПВ 100% | 6651 | |||
| Маса, кг, не більш ніж | 1030 | |||
| Номінальна частота обертання швидкохідного валу, | Короткочасний допустимий момент, що крутить на тихохідному валу, Т, Н×м |
| 50,0 | |
| РМ-750 | |
| 10,0 (600) | 95000 |
| 12,5 (750) | 89000 |
| 16,6 (1000) | 87000 |
| 20,8 (1250) | 85000 |
| 25,0 (1500) | 83500 |
| Номінальна частота обертання швидкохідного валу, об/хв | РМ-750-50 | ||
| FБ max | FТ max | FM max | |
| 600 | 6,7 | 105,0 | 113,3 |
| 750 | 6,3 | 97,5 | 105,0 |
| 1000 | 5,5 | 88,5 | 96,1 |
| 1250 | 5,0 | 81,5 | 89,7 |
| 1500 | 4,6 | 79,0 | 89,2 |
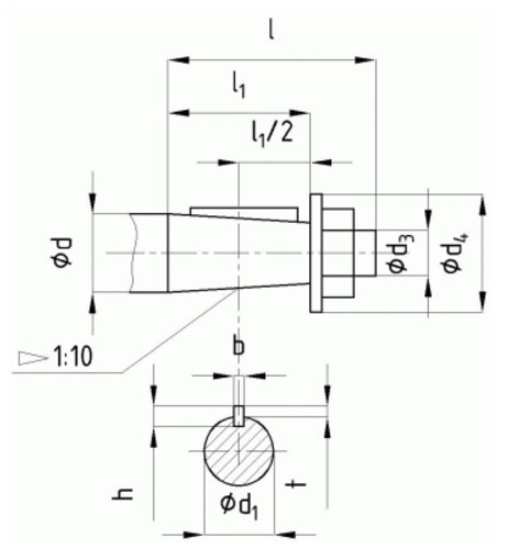
Розміри кінців швидкохідних валів редуктора РМ-750-50

| Ød | Ød1 | Ød3 | Ød4 | l | l1 | b | h | t |
| 60 | 54,75 | М42´ З | 94 | 140 | 105 | 16 | 10 | 6 |
Розміри кінців тихохідних валів під муфти редуктора РМ-750-50

| Ød m6 | Ød1 | b | l | t |
| 110 | 130 | 28 | 165 | 120 |
Розміри кінців тихохідних валів у формі зубчастої напівмуфти редуктора РМ-750-50

| m | z | b | L | L1 | k | B | Ød F7 | Ød1 f9 |
| 6 | 56 | 40 | 75 | 16 | 32 | 68 | 170 | 260 |
Варіанти складання редуктора

Умовне позначення редуктора РМ-750-50

Редуктор РМ-750-50
Відгуків про цей товар ще не було.
Немає відгуків про цей товар, станьте першим, залиште свій відгук.
Немає питань про даний товар, станьте першим і задайте своє питання.