Редуктор РМ-750-8
Редуктор РМ-750-8
Горизонтальний редуктор РМ-750-8 – це надійний «трудяга», який застосовують у своїх пристроях різноманітні галузі машинобудування. Його головним та основним завданням є зміна крутного моменту та числа оборотів. Застосовується в парі з різними приводами та електродвигунами.
Двоступінчастий циліндричний редуктор РМ-750-8 має декілька умов для його застосування:
- робоче навантаження може бути постійним або змінним,
- вали редуктора можуть обертатися в будь-якому напрямку,
- швидкість на вхідному валу до 1500 об/хв.,
- можливість працювати цілодобово або з періодичними зупинками,
- експлуатація в кліматичних умовах У та Т, згідно з ГОСТ 15150-69.
Даний редуктор рекомендують використовувати в не агресивному середовищі при температурі від -40 до +50 градусів за Цельсієм. Завдяки своїй конструкції РМ-750-8 можна застосовувати у сильно запиленому середовищі.
Придбати редуктор РМ-750 можна у нас на сайті компанії «Промпривод». До товару додається оригінальний паспорт, з усіма печатками та відмітками ВТК, а також гарантія на 12 місяців.
Доставка здійснюється в будь-який регіон України, у найкоротші терміни. Замовляючи у нас, Ви можете бути впевнені в якості товару. Всі ціни від виробника.
Схема та розміри редуктора РМ-750-8

| aw | awm | L | L1 | L2 | l | l1 | l2 | l3 | l4 | l5 |
| 750 | 450 | 1448 | 450 | 475 | 1025 | 620 | 275 | 230 | 491 | 525 |
| B | B1 | B2 | H | H1 | h | Ød | n отв. |
| 510 | 450 | 510 | 356 | 743 | 320 | 130 | 35 |
Технічні характеристики редуктора РМ-750-8
| Типорозмір | РМ-750 | |||
| Номінальне передавальне | 8,0 | |||
| Номінальний крутний момент | Ном. част. обер. швидкохід. валу, с-1(об/хв) | 10 (600) | Особливо легкий | 26865 |
| ПВ 15% | 19788 | |||
| ПВ 25% | 17167 | |||
| ПВ 40% | 14546 | |||
| ПВ 100% | 7863 | |||
| 12,5 (750) | Особливо легкий | 24637 | ||
| ПВ 15% | 17613 | |||
| ПВ 25% | 15307 | |||
| ПВ 40% | 13000 | |||
| ПВ 100% | 7129 | |||
| Маса, кг, не більше | 1030 | |||
| Номінальна частота обертання швидкохідного валу, | Короткочасний допустимий момент, що крутить на тихохідному валу, Т, Н×м |
| 8,0 | |
| РМ-750-8 | |
| 10,0 (600) | 52000 |
| 12,5 (750) | 47000 |
| Номінальна частота обертання швидкохідного валу, об/хв | РМ-750-8 | ||
| FБ max | FТ max | FM max | |
| 600 | 6,7 | 105,0 | 113,3 |
| 750 | 6,3 | 97,5 | 105,0 |
| 1000 | 5,5 | 88,5 | 96,1 |
| 1250 | 5,0 | 81,5 | 89,7 |
| 1500 | 4,6 | 79,0 | 89,2 |
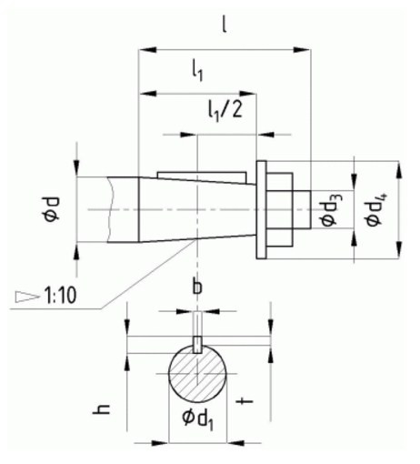
Розміри кінців швидкохідних валів редуктора РМ-750-8

| Ød | Ød1 | Ød3 | Ød4 | l | l1 | b | h | t |
| 60 | 54,75 | М42´ З | 94 | 140 | 105 | 16 | 10 | 6 |
Розміри кінців тихохідних валів під муфти редуктора РМ-750-8

| Ød m6 | Ød1 | b | l | t |
| 110 | 130 | 28 | 165 | 120 |
Розміри кінців тихохідних валів у формі зубчастої напівмуфти редуктора РМ-750

| m | z | b | L | L1 | k | B | Ød F7 | Ød1 f9 |
| 6 | 56 | 40 | 75 | 16 | 32 | 68 | 170 | 260 |
Варіанти складання редуктора

Умовне позначення редуктора РМ-750-8

Редуктор РМ-750-8
Відгуків про цей товар ще не було.
Немає відгуків про цей товар, станьте першим, залиште свій відгук.
Немає питань про даний товар, станьте першим і задайте своє питання.