Редуктор РМ-850-10
Редуктор РМ-850-10
Горизонтальний крановий редуктор РМ-850-10 – це дуже надійний та простий в експлуатації пристрій. Він має паралельне розташування осей із циліндричним типом передачі. Застосовують його в галузях машинобудування з механізмами, яким потрібна зміна числа обертів і моменту, що крутить.
Перетворювач РМ-850-10 має низку умов для нормальної його роботи:
- кліматичні умови мають бути згідно з У і Т, а температура навколишнього середовища становитиме від -40 до +50 градусів Цельсія,
- швидкість вхідного валу не повинна перевищувати 1500 оборотів за хвилину,
- експлуатація редуктора у неагресивному середовищі.
Також редуктор має і низку переваг:
- робота можлива як у тривалому режимі, так і в режимі з періодичними перервами,
- навантаження може бути постійним і змінним,
- вали обертаються за годинниковою та проти годинникової стрілки,
- має пилозахищений корпус, виготовлений з чавуну,
- має високий показник ККД.
Придбати редуктор РМ-850 можна у нас на сайті компанії «Промпривод». До товару додається оригінальний паспорт, з усіма печатками та відмітками ВТК, а також гарантія на 12 місяців.
Доставка здійснюється в будь-який регіон України, у найкоротші терміни. Замовляючи у нас, Ви можете бути впевнені в якості товару. Всі ціни від виробника.
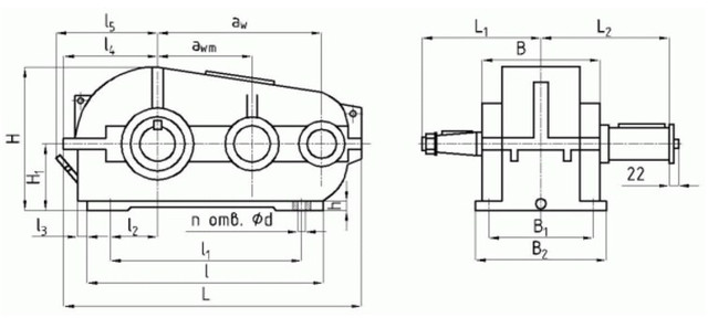
Схема та розміри редуктора РМ-850-10

| aw | awm | L | L1 | L2 | l | l1 | l2 | l3 | l4 | l5 |
| 850 | 500 | 1632 | 510 | 550 | 1100 | 610 | 300 | 205 | 546 | 530 |
| B | B1 | B2 | H | H1 | h | Ød | n отв. |
| 580 | 520 | 580 | 408 | 875 | 400 | 105 | 35 |
Технічні характеристики редуктора РМ-850-10
| Типорозмір | РМ-850 | |||
| Номінальне передавальне | 10,0 | |||
| Номінальний крутний момент | Ном. част. обер. швидкохід. валу, с-1(об/хв) | 10 (600) | Особливо легкий | 56034 |
| ПВ 15% | 33291 | |||
| ПВ 25% | 29006 | |||
| ПВ 40% | 24556 | |||
| ПВ 100% | 10877 | |||
| 12,5 (750) | Особливо легкий | 54716 | ||
| ПВ 15% | 31115 | |||
| ПВ 25% | 27028 | |||
| ПВ 40% | 22941 | |||
| ПВ 100% | 9888 | |||
| Маса, кг, не більше | 1230 | |||
| Номінальна частота обертання швидкохідного валу, | Короткочасний допустимий момент, що крутить на тихохідному валу, Т, Н×м |
| 10,0 | |
| РМ-850 | |
| 10,0 (600) | 89000 |
| 12,5 (750) | 81000 |
| Номінальна частота обертання швидкохідного валу, об/хв | РМ-850 | ||
| FБ max | FТ max | FMmax | |
| 600 | 14,0 | 150 | 163,2 |
| 750 | 13,0 | 137 | 152,2 |
| 1000 | 11,5 | 124 | 137,8 |
| 1250 | 10,5 | 119 | 127,8 |
| 1500 | 9,9 | 111 | 124,4 |
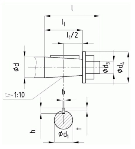
Розміри кінців швидкохідних валів редуктора РМ-850-10

| Ød | Ød1 | Ød3 | Ød4 | l | l1 | b | h | t |
| 90 | 83,50 | М64×4 | 130 | 170 | 130 | 22 | 14 | 9 |
Розміри кінців тихохідних валів під муфти редуктора РМ-850-10

| Ød m6 | Ød1 | b | l | t |
| 130 | 150 | 32 | 200 | 141 |
Розміри кінців тихохідних валів у формі зубчастої напівмуфти редуктора РМ-850-10

| m | z | b | L | L1 | k | B | Ød F7 | Ød1 f9 |
| 8 | 54 | 50 | 73 | 22 | 40 | 78 | 190 | 260 |
Варіанти складання редуктора

Умовне позначення редуктора РМ-850-10

Редуктор РМ-850-10
Відгуків про цей товар ще не було.
Немає відгуків про цей товар, станьте першим, залиште свій відгук.
Немає питань про даний товар, станьте першим і задайте своє питання.