Редуктор РМ-850-16
Редуктор РМ-850-16
Головним і основним завданням горизонтального редуктора РМ-850-16 є зміна моменту, що крутить, і числа оборотів різних приводів.
Використовується у багатьох напрямках машинобудування. Має циліндричний тип передачі з паралельно розташованими осями.
Двоступінчастий циліндричний редуктор РМ-850-16 має багато особливостей і переваг, таких як:
- можливість працювати в тривалому режимі при різних типах навантаження,
- експлуатація можлива в сильно запиленому середовищі,
- обертання валів може здійснюватися в обох напрямках.
Купуючи товар у нас на сайті компанії «Промпривод», ви отримуєте відмінну якість за низькими цінами. До кожного виробу додається гарантія на 12 місяців та паспорт з усіма відмітками та печатками ВТК.
Доставка здійснюється по всіх регіонах України будь-яким зручним для Вас способом. Терміни доставки у нас найкоротші. Не витрачайте час, телефонуйте прямо зараз!
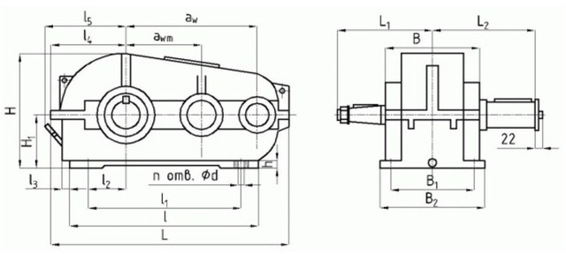
Схема та розміри редуктора РМ-850-16

| aw | awm | L | L1 | L2 | l | l1 | l2 | l3 | l4 | l5 |
| 850 | 500 | 1632 | 510 | 550 | 1100 | 610 | 300 | 205 | 546 | 530 |
| B | B1 | B2 | H | H1 | h | Ød | n отв. |
| 580 | 520 | 580 | 408 | 875 | 400 | 105 | 35 |
Технічні характеристики редуктора РМ-850-16
| Типорозмір | РМ-850 | |||
| Номінальне передавальне | 16,0 | |||
| Номінальний крутний момент | Ном. част. обер. швидкохід. валу, с-1(об/хв) | 10 (600) | Особливо легкий | 58936 |
| ПВ 15% | 36114 | |||
| ПВ 25% | 31349 | |||
| ПВ 40% | 26584 | |||
| ПВ 100% | 10784 | |||
| 12,5 (750) | Особливо легкий | 58184 | ||
| ПВ 15% | 34910 | |||
| ПВ 25% | 30296 | |||
| ПВ 40% | 24076 | |||
| ПВ 100% | 10834 | |||
| 16,6 (1000) | Особливо легкий | 55676 | ||
| ПВ 15% | 29042 | |||
| ПВ 25% | 25280 | |||
| ПВ 40% | 21518 | |||
| ПВ 100% | 10834 | |||
| Маса, кг, не більше | 1230 | |||
| Номінальна частота обертання швидкохідного валу, | Короткочасний допустимий момент, що крутить на тихохідному валу, Т, Н×м |
| 16,0 | |
| РМ-850 | |
| 10,0 (600) | 104800 |
| 12,5 (750) | 101200 |
| 16,6 (1000) | 95600 |
| Номінальна частота обертання швидкохідного валу, об/хв | РМ-850-16 | ||
| FБ max | FТ max | FMmax | |
| 600 | 14,0 | 150 | 163,2 |
| 750 | 13,0 | 137 | 152,2 |
| 1000 | 11,5 | 124 | 137,8 |
| 1250 | 10,5 | 119 | 127,8 |
| 1500 | 9,9 | 111 | 124,4 |
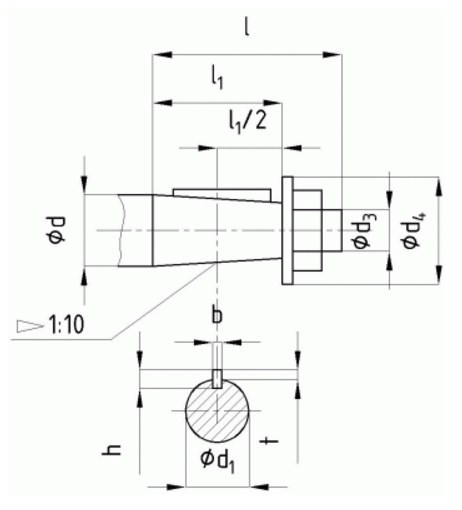
Розміри кінців швидкохідних валів редуктора РМ-850-16

| Ød | Ød1 | Ød3 | Ød4 | l | l1 | b | h | t |
| 90 | 83,50 | М64×4 | 130 | 170 | 130 | 22 | 14 | 9 |
Розміри кінців тихохідних валів під муфти редуктора РМ-850-16

| Ød m6 | Ød1 | b | l | t |
| 130 | 150 | 32 | 200 | 141 |
Розміри кінців тихохідних валів у формі зубчастої напівмуфти редуктора РМ-850-16

| m | z | b | L | L1 | k | B | Ød F7 | Ød1 f9 |
| 8 | 54 | 50 | 73 | 22 | 40 | 78 | 190 | 260 |
Варіанти складання редуктора

Умовне позначення редуктора РМ-850-16

Редуктор РМ-850-16
Відгуків про цей товар ще не було.
Немає відгуків про цей товар, станьте першим, залиште свій відгук.
Немає питань про даний товар, станьте першим і задайте своє питання.