Редуктор РМ-850-20
Редуктор РМ-850-20
Редуктор горизонтальний РМ-850-20 – це пристрій для зміни моменту, що крутить, і числа обертів приводів, електродвигунів та інших установок. Використовується у галузях машинобудування.
Наприклад, у конструкціях підйомників, транспортерів, кранів та ін. У них паралельне розташування осей з циліндричним типом передачі.
Двоступінчастий редуктор РМ-850-20 може виконувати свою роботу протягом тривалого часу, як без зупинок, так і з періодичними паузами при постійному та змінному навантаженні.
Корпус виконаний у вигляді моноблока з чавуну. Конструкція корпусу є герметична, що дозволяє експлуатувати даний редуктор у сильно запиленої обстановці. Але не рекомендується використання РМ-850-20 у вибухонебезпечному та агресивному середовищі.
Придбати редуктори РМ-850 Ви можете у нас на сайті компанії «Промпривод», отримавши при цьому:
- високу якість товару,
- ціну від виробника,
- гарантію 12 місяців,
- оригінальний паспорт до виробу,
- доставку найзручнішим для Вас способом,
- мінімальні терміни доставки до всіх регіонів України.
Наші фахівці завжди підкажуть та проконсультують по представленому товару та допоможуть оформити замовлення. Працюючи з нами, Ви заощаджуєте свій час та гроші. Дзвоніть прямо зараз!
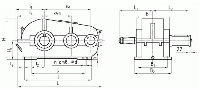
Схема та розміри редуктора РМ-850-20

| aw | awm | L | L1 | L2 | l | l1 | l2 | l3 | l4 | l5 |
| 850 | 500 | 1632 | 510 | 550 | 1100 | 610 | 300 | 205 | 546 | 530 |
| B | B1 | B2 | H | H1 | h | Ød | n отв. |
| 580 | 520 | 580 | 408 | 875 | 400 | 105 | 35 |
Технічні характеристики редуктора РМ-850-20
| Типорозмір | РМ-850 | |||
| Номінальне передавальне | 20,0 | |||
| Номінальний крутний момент | Ном. част. обер. швидкохід. валу, с-1(об/хв) | 10 (600) | Особливо легкий | 62317 |
| ПВ 15% | 35237 | |||
| ПВ 25% | 30669 | |||
| ПВ 40% | 26102 | |||
| ПВ 100% | 10114 | |||
| 12,5 (750) | Особливо легкий | 61339 | ||
| ПВ 15% | 34193 | |||
| ПВ 25% | 29756 | |||
| ПВ 40% | 25318 | |||
| ПВ 100% | 10049 | |||
| 16,6 (1000) | Особливо легкий | 59707 | ||
| ПВ 15% | 31713 | |||
| ПВ 25% | 27602 | |||
| ПВ 40% | 23491 | |||
| ПВ 100% | 9984 | |||
| 20,83 (1250) | Особливо легкий | 57945 | ||
| ПВ 15% | 30695 | |||
| ПВ 25% | 26780 | |||
| ПВ 40% | 22708 | |||
| ПВ 100% | 10023 | |||
| Маса, кг, не більше | 1230 | |||
| Номінальна частота обертання швидкохідного валу, | Короткочасний допустимий момент, що крутить на тихохідному валу, Т, Н×м |
| 20,0 | |
| РМ-850 | |
| 10,0 (600) | 111400 |
| 12,5 (750) | 10800 |
| 16,6 (1000) | 103000 |
| 20,8 (1250) | 98200 |
| Номінальна частота обертання швидкохідного валу, об/хв | РМ-850-20 | ||
| FБ max | FТ max | FMmax | |
| 600 | 14,0 | 150 | 163,2 |
| 750 | 13,0 | 137 | 152,2 |
| 1000 | 11,5 | 124 | 137,8 |
| 1250 | 10,5 | 119 | 127,8 |
| 1500 | 9,9 | 111 | 124,4 |
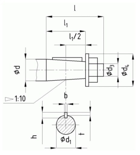
Розміри кінців швидкохідних валів редуктора РМ-850-20

| Ød | Ød1 | Ød3 | Ød4 | l | l1 | b | h | t |
| 90 | 83,50 | М64×4 | 130 | 170 | 130 | 22 | 14 | 9 |
Розміри кінців тихохідних валів під муфти редуктора РМ-850-20

| Ød m6 | Ød1 | b | l | t |
| 130 | 150 | 32 | 200 | 141 |
Розміри кінців тихохідних валів у формі зубчастої напівмуфти редуктора РМ-850-20

| m | z | b | L | L1 | k | B | Ød F7 | Ød1 f9 |
| 8 | 54 | 50 | 73 | 22 | 40 | 78 | 190 | 26 |
Варіанти складання редуктора

Умовне позначення редуктора РМ-850-20

Редуктор РМ-850-20
Відгуків про цей товар ще не було.
Немає відгуків про цей товар, станьте першим, залиште свій відгук.
Немає питань про даний товар, станьте першим і задайте своє питання.