Редуктор РМ-850-40
Редуктор РМ-850-40
Циліндричний редуктор РМ-850-40 – це пристрій для зміни числа обертів та моменту, що крутить, для різних механізмів. Його часто застосовують у машинобудівних галузях різного напряму. Є надійними у роботі та простими в експлуатації.
Редуктор РМ-850-40 має ряд переваг:
- вали мають властивість обертатися в будь-якому з напрямків,
- робота може проводитися в тривалому або змінному режимі, при різних типах навантаження,
- має захист від попадання пилу в механізм,
- можливість експлуатації у сухому, помірному та тропічному кліматі.
Корпус горизонтального редуктора РМ-850-40 виготовляють із чавуну. В окремих випадках можна виконати його і з іншого металу.
Придбати редуктор РМ-850 можна у нас на сайті компанії «Промпривод». До товару додається оригінальний паспорт, з усіма печатками та відмітками ВТК, а також гарантія на 12 місяців.
Доставка здійснюється в будь-який регіон України, у найкоротші терміни. Замовляючи у нас, Ви можете бути впевнені в якості товару. Всі ціни від виробника.
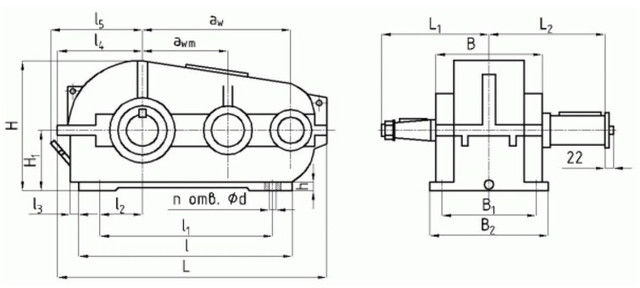
Схема та розміри редуктора РМ-850-40

| aw | awm | L | L1 | L2 | l | l1 | l2 | l3 | l4 | l5 |
| 850 | 500 | 1632 | 510 | 550 | 1100 | 610 | 300 | 205 | 546 | 530 |
| B | B1 | B2 | H | H1 | h | Ød | n отв. |
| 580 | 520 | 580 | 408 | 875 | 400 | 105 | 35 |
Технічні характеристики редуктора РМ-850-40
| Типорозмір | РМ-850 | |||
| Номінальне передавальне | 40,0 | |||
| Номінальний крутний момент | Ном. част. обер. швидкохід. валу, с-1(об/хв) | 10 (600) | Особливо легкий | 65883 |
| ПВ 15% | 33901 | |||
| ПВ 25% | 29423 | |||
| ПВ 40% | 24946 | |||
| ПВ 100% | 9403 | |||
| 12,5 (750) | Особливо легкий | 64987 | ||
| ПВ 15% | 33773 | |||
| ПВ 25% | 29168 | |||
| ПВ 40% | 24818 | |||
| ПВ 100% | 9160 | |||
| 16,6 (1000) | Особливо легкий | 64092 | ||
| ПВ 15% | 33005 | |||
| ПВ 25% | 28784 | |||
| ПВ 40% | 24562 | |||
| ПВ 100% | 9211 | |||
| 20,83 (1250) | Особливо легкий | 62941 | ||
| ПВ 15% | 32238 | |||
| ПВ 25% | 27939 | |||
| ПВ 40% | 23641 | |||
| ПВ 100% | 9211 | |||
| 25 (1500) | Особливо легкий | 61405 | ||
| ПВ 15% | 31214 | |||
| ПВ 25% | 27121 | |||
| ПВ 40% | 23027 | |||
| ПВ 100% | 9083 | |||
| Маса, кг, не більше | 1230 | |||
| Номінальна частота обертання швидкохідного валу, | Короткочасний допустимий момент, що крутить на тихохідному валу, Т, Н×м |
| 40,0 | |
| РМ-850 | |
| 10,0 (600) | 122000 |
| 12,5 (750) | 120000 |
| 16,6 (1000) | 116400 |
| 20,8 (1250) | 113400 |
| 25,0 (1500) | 110400 |
| Номінальна частота обертання швидкохідного валу, об/хв | РМ-850-40 | ||
| FБ max | FТ max | FMmax | |
| 600 | 14,0 | 150 | 163,2 |
| 750 | 13,0 | 137 | 152,2 |
| 1000 | 11,5 | 124 | 137,8 |
| 1250 | 10,5 | 119 | 127,8 |
| 1500 | 9,9 | 111 | 124,4 |
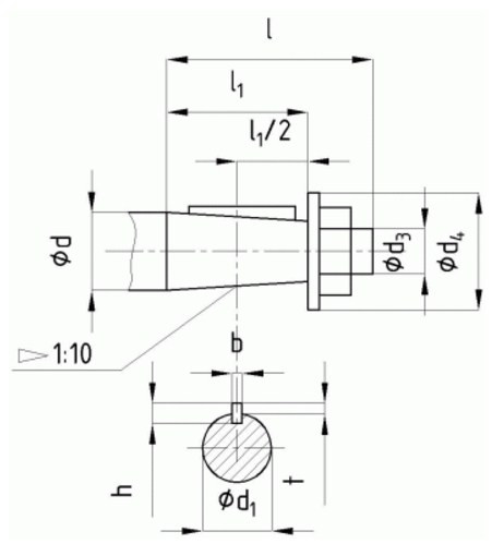
Розміри кінців швидкохідних валів редуктора РМ-850-40

| Ød | Ød1 | Ød3 | Ød4 | l | l1 | b | h | t |
| 90 | 83,50 | М64×4 | 130 | 170 | 130 | 22 | 14 | 9 |
Розміри кінців тихохідних валів під муфти редуктора РМ-850-40

| Ød m6 | Ød1 | b | l | t |
| 130 | 150 | 32 | 200 | 141 |
Розміри кінців тихохідних валів у формі зубчастої напівмуфти редуктора РМ-850-40

| m | z | b | L | L1 | k | B | Ød F7 | Ød1 f9 |
| 8 | 54 | 50 | 73 | 22 | 40 | 78 | 190 | 260 |
Варіанти складання редуктора

Умовне позначення редуктора РМ-850-40

Редуктор РМ-850-40
Відгуків про цей товар ще не було.
Немає відгуків про цей товар, станьте першим, залиште свій відгук.
Немає питань про даний товар, станьте першим і задайте своє питання.