Редуктор РМ-850-50-11
Циліндричний редуктор РМ-850-50 варіанта складання 11
Циліндричні редуктори мають широкий попит і застосовуються практично у всіх виробничих сферах, для оптимізування різних механічних процесів. Одним із таких перетворювачів є двоступінчасті редуктори РМ-850-50-11.
Купити редуктори ви можете у нас просто зателефонувавши. Ми надаємо перетворювачі, виготовлені відповідно до будь-якої схеми складання, в тому числі і 11 варіанті складання.
Варіант складання редуктора

Умови застосування
| Опис | Характеристика |
| Тип навантаження | Постійний, змінний, одного напряму, ревервивний |
| Режими роботи | Тривалий або зі змінними зупинками |
| Обертання валів | У будь-який бік |
| Максимально допустима частота обертання вхідного вала | 1500 об/хв |
| Температура зовнішнього середовища | Від -40 до +50 градусів Цельсія |
| Кліматичне виконання, категорія розміщення | У і Т, категорія розміщення I-IV відповідно до ГОСТ 15150-69 |
| Робота в умовах підвищеної запиленості | Допускається |
Компанія «Промпривод» надає можливість придбати редуктори РМ, ціна яких нижча за ринкову, створених відповідно до варіантів складання, які зазначені у вітчизняному стандарті ГОСТ 20373-94. Редуктори виготовляються на сучасному устаткуванні із задіянням передових технологій. Ми завжди надсилаємо замовлення в обумовлені терміни, надаємо гарантію на всі товари та детальну консультацію щодо наших виробів.
У комплекті з пристроями ви отримуєте повний пакет документів, що сертифікують, що підтверджують якість виробу. Доставка можлива по всій території України.
Технічні характеристики редуктора РМ-850-50
| Передавальне число, u | Фактичне передавальне число, u1 | ККД, % | Маса редуктора, кг | AwЗ | AwT | AwБ | Об'єм олії, що заливається, л |
| 50 | 48.57 | 98 | 1230 | 850 | 500 | 350 | 44 |
| Частота обертання вхідного валу, об/хв | Допустимий момент, що крутить, на вихідному валу при роботі редуктора в повторно-короткочасних режимах, Н*м для передавальних чисел | Допустиме радіальне консольне навантаження, прикладене в середині посадкової частини, Н | ||
| 50.0 | Вхідний (швидкохідний) вал | Вихідний (тихохідний) | Вихідний (тихохідний) вал у вигляді зубчастої напівмуфти | |
| 600 | 123500 | 14000 | 150000 | 163200 |
| 750 | 123500 | 13000 | 137000 | 152200 |
| 1000 | 121500 | 11500 | 124000 | 137800 |
| 1250 | 120500 | 10500 | 119000 | 127800 |
| 1500 | 118500 | 9900 | 111000 | 124400 |
Габаритні та приєднувальні розміри редуктора РМ-850

| Редуктор | L | L1 | L2 | L3 | L4 | L5 | B | B1 | B2 | B3 | H | H1 | H2 | H3 | d | n |
| РМ-850 | 1632 | 1100 | 900 | 300 | 550 | 510 | 580 | 580 | 520 | 408 | 875 | 400 | 105 | 35 | 32 | 8 |
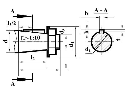
Розміри конічних кінців вхідних і вихідних валів редуктора РМ

| Редуктор | Вал | d1 | d2 | d3 | d4 | l | l1 | b | h | t |
| РМ-850 | вхідний | 90 | 83.50 | М64х4 | 130 | 170 | 130 | 22 | 14 | 5 |
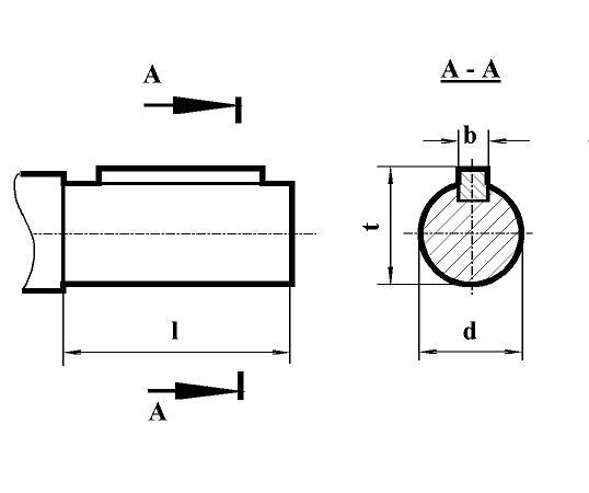
Розміри циліндричних кінців вхідних і вихідних валів редуктора РМ

| Редуктор | Вал | d2 | d1 | l | l1 | b | h | t |
| РМ-850 | вихідний | 130 m 6 | 150 | 550 | 200 | 32 | 141 | - |
Приєднувальні розміри тихохідного валу у вигляді зубчастої напівмуфти редуктора РМ

| Редуктор | Вал | m | z | b | L | L1 | k | B | d | d1 |
| РМ-850 | вихідний | 8 | 54 | 50 | 73 | 72 | 40 | 78 | 190 f 7 | 260 f 9 |
Умовні позначення редуктора РМ-850

Редуктор РМ-850-50-11
Відгуків про цей товар ще не було.
Немає відгуків про цей товар, станьте першим, залиште свій відгук.
Немає питань про даний товар, станьте першим і задайте своє питання.