Редуктор РЦД-250-10-11
Циліндричний редуктор РЦД-250-10 варіанта складання 11
Редуктори РЦД 250-10-11 являють собою промислові перетворювачі з міжосьовою відстанню 250 мм і передавальним числом рівним 10.
Дані пристрої встановлюють в машинобудуванні та інших промислових сферах для оптимізації виробництва шляхом зниження швидкості вихідного валу, який йде до приводної системи обладнання моменту.
Компанія «Промпривод» пропонує купити редуктор РЦД 11 варіанта складання, якому характерна наявність двох виходів (одного тихохідного та одного швидкохідного валу), які розташовані з одного боку корпусу в горизонтальній площині.
Варіант складання редуктора

Умови застосування
| Опис | Характеристика |
| Тип навантаження | Постійний, змінний, одного напряму, ревервивний |
| Режими роботи | Тривалий або зі змінними зупинками |
| Обертання валів | У будь-який бік |
| Максимально допустима частота обертання вхідного вала | 1500 об/хв |
| Температура зовнішнього середовища | Від -40 до +50 градусів Цельсія |
| Кліматичне виконання, категорія розміщення | У і Т, категорія розміщення I-IV відповідно до ГОСТ 15150-69 |
| Робота в умовах підвищеної запиленості | Допускається |
Купити редуктор РЦД, ціна якого залежатиме від міжосьової відстані, передавального числа та варіанта складання, ви можете на сайті компанії «Промпривод». Досвідчені менеджери нашої компанії завжди готові допомогти вам з вибором пристрою, а також підібрати для вас зручний спосіб оплати та доставки.
Купуючи перетворювачі у нас, ви отримуєте пристрій високої якості, виготовлений висококваліфікованими фахівцями з використанням передових технологій. Дані редуктори мають дуже тривалий термін служби та відповідають усім міжнародним стандартам якості. У комплекті з редуктором ви отримуєте унікальний паспорт та гарантію від виробника на 12 місяців. Доставка можлива по всій території країни.
Технічні характеристики редуктора РЦД-250-10
| Типорозмір редуктора | РЦД-250 | ||
| Номінальне передавальне відношення | 10,0 | ||
| Момент крутіння на виході, Т, Нxм | порядок роботи | Середній (С), ПВ 25% | 768 |
| Важкий (В), ПВ 40% | 568 | ||
| Безперервний (Б), ПВ 100% | 505 | ||
| Кількість обертань валу с-1(об/хв) | 25 (1500) | ||
| Навантаження на швидкісний вал | 1000 | ||
| Навантаження, прикладене в середині посадкової частини тихохідного валу Fт, Н | 6400 | ||
| Вага, кг | 87 | ||
Габаритні та приєднувальні розміри РЦД-250-10

| Тип пристрою | Розмір, мм | n, шт. | Маса, кг | ||||||||||||||||
| АC | АT | А1 | А2 | А3 | B | В1 | В2 | Н | Н1 | h | L | L1 | L2 | L3 | M | d | |||
| РЦД-250 | 250 | 150 | 115 | 165 | 330 | 250 | 200 | 250 | 315 | 160 | 24 | 520 | 400 | 220 | 230 | 185 | 23 | 6 | 87 |
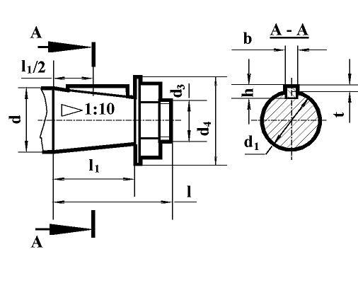
Розміри конічних кінців вхідних і вихідних валів редуктора РЦД

| Тип | d | d1 | d2 | d3 | l | l1 | b | t |
| РЦД-250 | 30 | 27,1 | М20х1,5 | 50 | 80 | 58 | 5 | 29,1 |
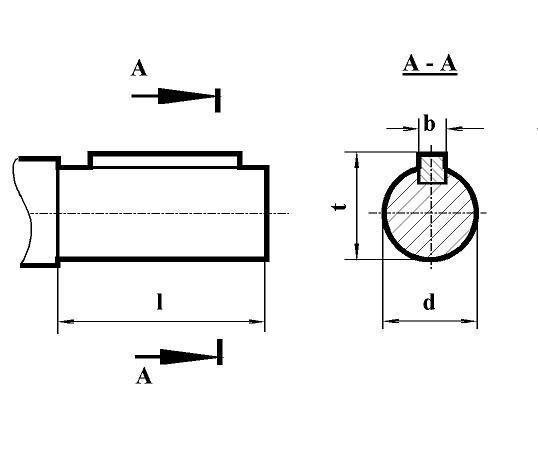
Розміри циліндричних кінців вхідних і вихідних валів редуктора РЦД

| Тип | l | d | b | t |
| РЦД-250 | 82 | 45k6 | 14 | 49,5 |
Умовні позначення редуктора РЦД-250-10

Редуктор РЦД-250-10-11
Відгуків про цей товар ще не було.
Немає відгуків про цей товар, станьте першим, залиште свій відгук.
Немає питань про даний товар, станьте першим і задайте своє питання.