Редуктор РЦД-250-40-11
Циліндричний редуктор РЦД-250-40 варіанта складання 11
Редуктори РЦД 250-40 мають 11 варіант складання оснащені одним вхідним валом, призначеним для приєднання редуктора до електродвигуна, і одним вихідним валом для з'єднання з виконавчим механізмом.
Обидва кінці розташовані у горизонтальній площині з одного боку корпусу. Кінці валів виконані у вигляді муфти або частини зубчастої муфти , для більш щільного і стабільного з'єднання. Використовують редуктори в промислових сферах, для зміни величин, що надходять на нього, оптимізуючи, таким чином, будь-який механічний процес виробництва.
Варіант складання редуктора

Умови застосування
| Опис | Характеристика |
| Тип навантаження | Постійний, змінний, одного напряму, ревервивний |
| Режими роботи | Тривалий або зі змінними зупинками |
| Обертання валів | У будь-який бік |
| Максимально допустима частота обертання вхідного вала | 1500 об/хв |
| Температура зовнішнього середовища | Від -40 до +50 градусів Цельсія |
| Кліматичне виконання, категорія розміщення | У і Т, категорія розміщення I-IV відповідно до ГОСТ 15150-69 |
| Робота в умовах підвищеної запиленості | Допускається |
Купити редуктор РЦД, ціна якого залежатиме від міжосьової відстані, передавального числа та варіанта складання, ви можете на сайті компанії «Промпривод». Досвідчені менеджери нашої компанії завжди готові допомогти вам з вибором пристрою, а також підібрати для вас зручний спосіб оплати та доставки.
Купуючи перетворювачі у нас, ви отримуєте пристрій високої якості, виготовлений висококваліфікованими фахівцями з використанням передових технологій. Дані редуктори мають дуже тривалий термін служби та відповідають усім міжнародним стандартам якості. У комплекті з редуктором ви отримуєте унікальний паспорт та гарантію від виробника на 12 місяців. Доставка можлива по всій території країни.
Технічні характеристики редуктора РЦД-250-40
| Типорозмір редуктора | РЦД-250 | ||
| Номінальне передавальне відношення | 40 | ||
| Момент крутіння на виході, Т, Нxм | порядок роботи | Середній (С), ПВ 25% | 844 |
| Важкий (В), ПВ 40% | 653 | ||
| Безперервний (Б), ПВ 100% | 430 | ||
| Кількість обертань валу с-1(об/хв) | 25 (1500) | ||
| Навантаження на швидкісний вал | 1000 | ||
| Навантаження, прикладене в середині посадкової частини тихохідного валу Fт, Н | 6400 | ||
| Вага, кг | 87 | ||
Габаритні та приєднувальні розміри РЦД-250-40

| Тип пристрою | Розмір, мм | n, шт. | Маса, кг | ||||||||||||||||
| АC | АT | А1 | А2 | А3 | B | В1 | В2 | Н | Н1 | h | L | L1 | L2 | L3 | M | d | |||
| РЦД-250-40 | 250 | 150 | 115 | 165 | 330 | 250 | 200 | 250 | 315 | 160 | 24 | 520 | 400 | 220 | 230 | 185 | 23 | 6 | 87 |
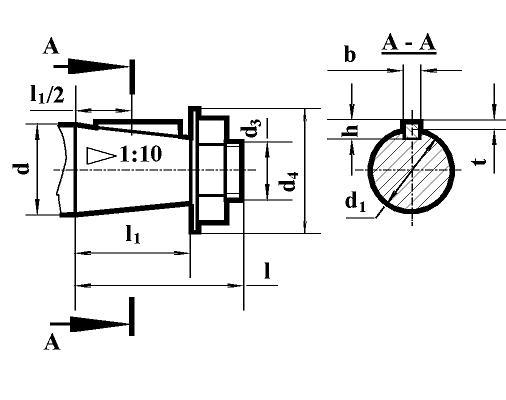
Розміри конічних кінців вхідних і вихідних валів редуктора РЦД

| Тип | d | d1 | d2 | d3 | l | l1 | b | t |
| РЦД-250 | 30 | 27,1 | М20х1,5 | 50 | 80 | 58 | 5 | 29,1 |
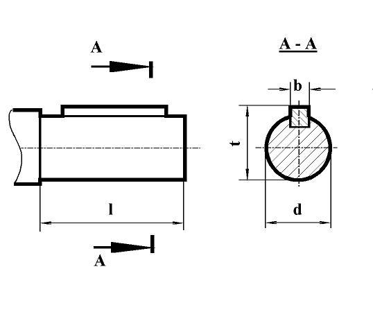
Розміри циліндричних кінців вхідних і вихідних валів редуктора РЦД

| Тип | l | d | b | t |
| РЦД-250 | 82 | 45k6 | 14 | 49,5 |
Умовні позначення редуктора РЦД-250-

Редуктор РЦД-250-40-11
Відгуків про цей товар ще не було.
Немає відгуків про цей товар, станьте першим, залиште свій відгук.
Немає питань про даний товар, станьте першим і задайте своє питання.