Редуктор РЦД-350-40-12
Циліндричний редуктор РЦД-350-40 варіанта складання 12
Редуктор РЦД 350-40-12 є механічним перетворювачем енергії, яка надходить від двигуна, для подальшої її передачі приводу виконавчого механізму.
Оскільки приводи мають циліндричний тип передачі, можуть видавати високі показники ККД, працювати з підвищеними навантаженнями. Перетворювачі мають тривалий експлуатаційний термін. У нас ви можете придбати редуктори РЦД 12 варіанта складання або будь-якого іншого передбаченого ГОСТ 20373-94.
Варіант складання редуктора

Умови застосування
| Опис | Характеристика |
| Тип навантаження | Постійний, змінний, одного напряму, ревервивний |
| Режими роботи | Тривалий або зі змінними зупинками |
| Обертання валів | У будь-який бік |
| Максимально допустима частота обертання вхідного вала | 1500 об/хв |
| Температура зовнішнього середовища | Від -40 до +50 градусів Цельсія |
| Кліматичне виконання, категорія розміщення | У і Т, категорія розміщення I-IV відповідно до ГОСТ 15150-69 |
| Робота в умовах підвищеної запиленості | Допускається |
Купити редуктор РЦД, ціна якого залежатиме від міжосьової відстані, передавального числа та варіанта складання, ви можете на сайті компанії «Промпривод». Досвідчені менеджери нашої компанії завжди готові допомогти вам з вибором пристрою, а також підібрати для вас зручний спосіб оплати та доставки.
Купуючи перетворювачі у нас, ви отримуєте пристрій високої якості, виготовлений висококваліфікованими фахівцями з використанням передових технологій. Дані редуктори мають дуже тривалий термін служби та відповідають усім міжнародним стандартам якості. У комплекті з редуктором ви отримуєте унікальний паспорт та гарантію від виробника на 12 місяців. Доставка можлива по всій території країни.
Технічні характеристики редуктора РЦД-350-40
| Типорозмір | Передавальне число | Номінальний момент, що крутить, Н*м | Маса, кг | Awc | AwT | AwБ |
| РЦД-350 | 40 | 1100 | 175 | 350 | 200 | 150 |
Габаритні та приєднувальні розміри РЦД-350-40

| Типорозмір | Аз | Ат | А1 | А2 | А3 | B | В1 | В2 | H | Н1 | h | L | L1 | L2 | L3 | M | d | n |
| мм | шт | |||||||||||||||||
| РЦД-350-40 | 350 | 200 | 164 | 240 | 480 | 320 | 255 | 320 | 410 | 212 | 24 | 700 | 545 | 260 | 290 | 235 | 23 | 6 |
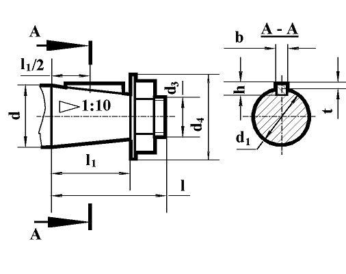
Розміри конічних кінців вхідних і вихідних валів редуктора РЦД

| Тип | d | d1 | d2 | d3 | l | l1 | b | t |
| РЦД-350 | 35 | 32,1 | М20х1,5 | 50 | 80 | 58 | 6 | 34,6 |
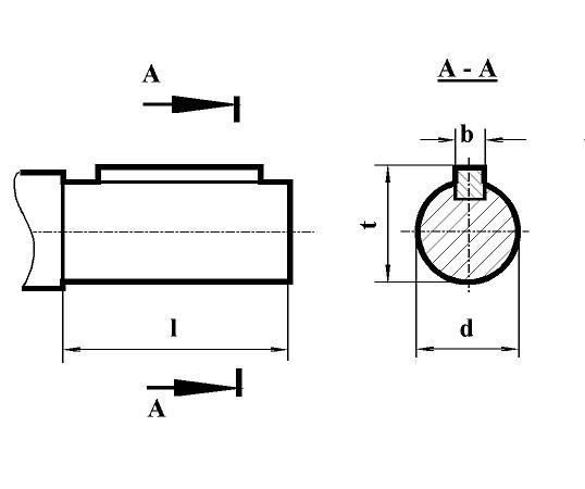
Розміри циліндричних кінців вхідних і вихідних валів редуктора РЦД

| Тип | l | d | b | t |
| РЦД-350 | 105 | 65m6 | 18 | 71,0 |
Умовні позначення редуктора РЦД-350-40

Редуктор РЦД-350-40-12
Відгуків про цей товар ще не було.
Немає відгуків про цей товар, станьте першим, залиште свій відгук.
Немає питань про даний товар, станьте першим і задайте своє питання.