Редуктор РЦД-400-10-11
Циліндричний редуктор РЦД-400-10 варіанта складання 11
Редуктор РЦД 400-10-11 є механізмом, який має дві зубчасті передачі, які призначені для збільшення моменту, що крутить, і зменшення частоти обертання тихохідного валу.
Область застосування таких пристроїв дуже велика і включає багато сфер народного господарства, найчастіше редуктори використовують у машинобудуванні.
Згідно з 11 варіантом складання привід має горизонтальне виконання. Кінці паралельних валів виходять на один бік чавунного корпусу. У нас ви можете купити перетворювач РЦД із кінцями, виконаними у формі зубчастої напівмуфти.
Варіант складання редуктора

Умови застосування
| Опис | Характеристика |
| Тип навантаження | Постійний, змінний, одного напряму, ревервивний |
| Режими роботи | Тривалий або зі змінними зупинками |
| Обертання валів | У будь-який бік |
| Максимально допустима частота обертання вхідного вала | 1500 об/хв |
| Температура зовнішнього середовища | Від -40 до +50 градусів Цельсія |
| Кліматичне виконання, категорія розміщення | У і Т, категорія розміщення I-IV відповідно до ГОСТ 15150-69 |
| Робота в умовах підвищеної запиленості | Допускається |
Купити редуктор РЦД, ціна якого залежатиме від міжосьової відстані, передавального числа та варіанта складання, ви можете на сайті компанії «Промпривод». Досвідчені менеджери нашої компанії завжди готові допомогти вам з вибором пристрою, а також підібрати для вас зручний спосіб оплати та доставки.
Купуючи перетворювачі у нас, ви отримуєте пристрій високої якості, виготовлений висококваліфікованими фахівцями з використанням передових технологій. Дані редуктори мають дуже тривалий термін служби та відповідають усім міжнародним стандартам якості. У комплекті з редуктором ви отримуєте унікальний паспорт та гарантію від виробника на 12 місяців. Доставка можлива по всій території країни.
Технічні характеристики редуктора РЦД-400-10
| Типорозмір | Передавальне число | Номінальний момент, що крутить, Н*м | Маса, кг | Awc | AwT | AwБ |
| РЦД-400 | 10 | 2100 | 287 | 400 | 250 | 150 |
Габаритні та приєднувальні розміри РЦД-400-10

| Типорозмір | Аз | Ат | А1 | А2 | А3 | B | В1 | В2 | H | Н1 | h | L | L1 | L2 | L3 | M | d | n |
| мм | шт | |||||||||||||||||
| РЦД-400 | 400 | 250 | 190 | 270 | 540 | 360 | 275 | 360 | 510 | 265 | 28 | 800 | 640 | 280 | 335 | 285 | 27 | 6 |
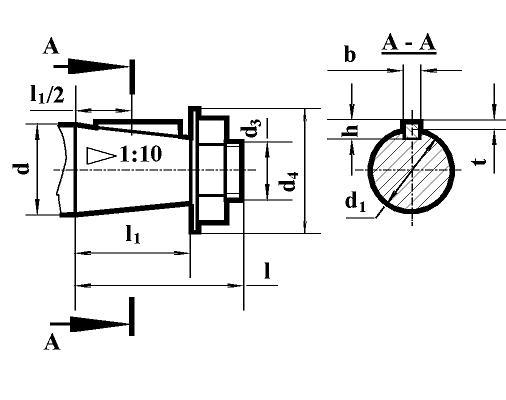
Розміри конічних кінців вхідних і вихідних валів редуктора РЦД

| Тип | d | d1 | d2 | d3 | l | l1 | b | t |
| РЦД-400 | 35 | 35,1 | М20х1,5 | 50 | 80 | 58 | 6 | 34,6 |
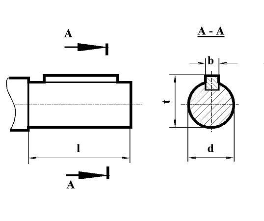
Розміри циліндричних кінців вхідних і вихідних валів редуктора РЦД

| Тип | l | d | b | t |
| РЦД-400 | 130 | 85m6 | 22 | 93,0 |
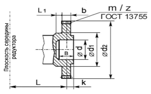
Приєднувальні розміри тихохідного валу у вигляді зубчастої напівмуфти редуктора РЦД-400

| Тип | d | d1 | d2 | I | I1 | b | t | d3 | I2 | b1 | t1 |
| мм | |||||||||||
| РЦД-400 | 35 | 50 | М20x1,5 | 80 | 58 | 6 | 18,55 | 65 | 105 | 18 | 71 |
Умовні позначення редуктора РЦД-400-10

Редуктор РЦД-400-10-11
Відгуків про цей товар ще не було.
Немає відгуків про цей товар, станьте першим, залиште свій відгук.
Немає питань про даний товар, станьте першим і задайте своє питання.