Редуктор РЦД-400-10-21
Циліндричний редуктор РЦД-400-10 варіанта складання 21
Редуктори РЦД 400-10-21 мають широке застосування і дуже потрібні в різних галузях виробництва та промисловості.
Приводи оснащені двома ступенями та циліндричним типом передачі. Популярність їх обґрунтована високим показником ККД, потужними можливостями та тривалим терміном служби.
На нашому сайті ви можете купити редуктор РДЦ 400-10 в різних варіантах складання, в тому числі і 21 складання. Для цього складання характерно:
- Паралельне розміщення валів.
- Наявність одного тихохідного та одного швидкохідного валів.
- Кінці валів розміщуються з різних боків пристрою.
- Виконання горизонтального типу.
Варіант складання редуктора

Умови застосування
| Опис | Характеристика |
| Тип навантаження | Постійний, змінний, одного напряму, ревервивний |
| Режими роботи | Тривалий або зі змінними зупинками |
| Обертання валів | У будь-який бік |
| Максимально допустима частота обертання вхідного вала | 1500 об/хв |
| Температура зовнішнього середовища | Від -40 до +50 градусів Цельсія |
| Кліматичне виконання, категорія розміщення | У і Т, категорія розміщення I-IV відповідно до ГОСТ 15150-69 |
| Робота в умовах підвищеної запиленості | Допускається |
Купити редуктор РЦД, ціна якого залежатиме від міжосьової відстані, передавального числа та варіанта складання, ви можете на сайті компанії «Промпривод». Досвідчені менеджери нашої компанії завжди готові допомогти вам з вибором пристрою, а також підібрати для вас зручний спосіб оплати та доставки.
Купуючи перетворювачі у нас, ви отримуєте пристрій високої якості, виготовлений висококваліфікованими фахівцями з використанням передових технологій. Дані редуктори мають дуже тривалий термін служби та відповідають усім міжнародним стандартам якості. У комплекті з редуктором ви отримуєте унікальний паспорт та гарантію від виробника на 12 місяців. Доставка можлива по всій території країни.
Технічні характеристики редуктора РЦД-400-10
| Типорозмір | Передавальне число | Номінальний момент, що крутить, Н*м | Маса, кг | Awc | AwT | AwБ |
| РЦД-400 | 10 | 2100 | 287 | 400 | 250 | 150 |
Габаритні та приєднувальні розміри РЦД-400-10

| Типорозмір | Аз | Ат | А1 | А2 | А3 | B | В1 | В2 | H | Н1 | h | L | L1 | L2 | L3 | M | d | n |
| мм | шт | |||||||||||||||||
| РЦД-400 | 400 | 250 | 190 | 270 | 540 | 360 | 275 | 360 | 510 | 265 | 28 | 800 | 640 | 280 | 335 | 285 | 27 | 6 |
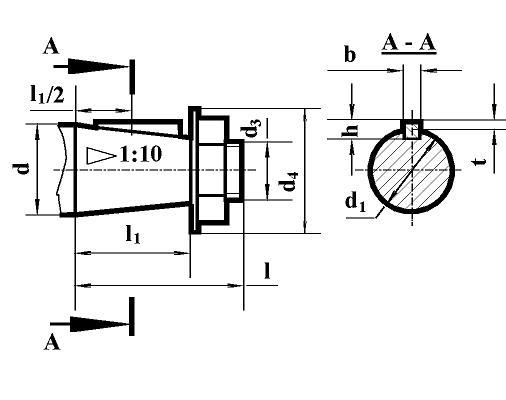
Розміри конічних кінців вхідних і вихідних валів редуктора РЦД

| Тип | d | d1 | d2 | d3 | l | l1 | b | t |
| РЦД-400 | 35 | 35,1 | М20х1,5 | 50 | 80 | 58 | 6 | 34,6 |
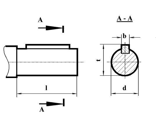
Розміри циліндричних кінців вхідних і вихідних валів редуктора РЦД

| Тип | l | d | b | t |
| РЦД-400 | 130 | 85m6 | 22 | 93,0 |
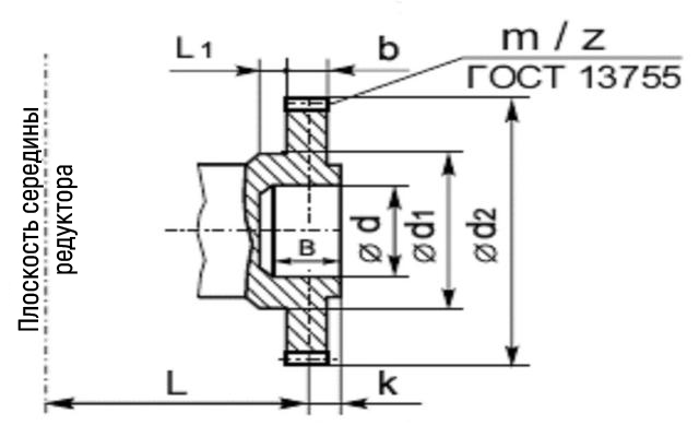
Приєднувальні розміри тихохідного валу у вигляді зубчастої напівмуфти редуктора РЦД-400

| Тип | d | d1 | d2 | I | I1 | b | t | d3 | I2 | b1 | t1 |
| мм | |||||||||||
| РЦД-400 | 35 | 50 | М20x1,5 | 80 | 58 | 6 | 18,55 | 65 | 105 | 18 | 71 |
Умовні позначення редуктора РЦД-400-10

Редуктор РЦД-400-10-21
Відгуків про цей товар ще не було.
Немає відгуків про цей товар, станьте першим, залиште свій відгук.
Немає питань про даний товар, станьте першим і задайте своє питання.