Редуктор Ц2-500-8
Редуктор Ц2-500-8
Редуктор із циліндричним типом передавання РМ-500-8 є механізмом для зміни крутного моменту та частоти обертання. Застосовуються переважно для вантажного обладнання.
Редуктори дуже популярні та мають низку позитивних якостей:
1. Редуктори дуже міцні та мають довгий термін експлуатації.
2. Високий коефіцієнт корисної дії понад 96%.
3. Різні кліматичні виготовлення.
4. Евольвентне зубчасте зачеплення, що передає обертання.
Умови застосування редуктора Ц2-500-8:
• навантаження — постійні, змінні, реверсивного або односпрямованого характеру;
• працює в помірно запиленому неагресивному середовищі;
• обертання валів можливе як в один, так і в інший бік з обмеженням окружної швидкості зубчастих передач 12 м/с;
Компанія «Зевс» зарекомендувала себе як надійний і стабільний постачальник якісних пристроїв. Заявляючи редуктори в нас, ви отримуєте низку переваг, як-от: якість товару завжди на найвищому рівні, кожен пристрій проходить низку перевірок перед відправленням, ви отримуєте гарантію від виробника на 36 місяців, відправлення відбувається в умовлені терміни. Доставка по всій Україні, за Харковом ми доставимо товар власним транспортом.
Варіанти складання редуктора Ц2-500-8:

Технічні характеристики редуктора Ц2-500-8:
| Передатне число | 8 | ||
| Момент кручення на виході, Нм | Режим роботи | Безперервний Н (ПВ=100%) | 6000 |
| Дуже важкий ВТ (ПВ=60%) | 7300 | ||
| Важкий Т (ПВ=40%) | 8500 | ||
| Середній С (ПВ=25%) | 14000 | ||
| Легкий Л (ПВ=15%) | 24000 | ||
| Швидкість радання швидкохідного вала, об/хв | 1500 | ||
| Навантаження на вхідний валу, Н | Режим роботи | Безперервний Н (ПВ=100%) | 3100 |
| Важкий Т (ПВ=40%) | 4100 | ||
| Середній С (ПВ=25%) | 5200 | ||
| Легкий Л (ПВ=15%) | 6900 | ||
| Навантаження на вихідний валу, Н | Режим роботи | Безперервний Н (ПВ=100%) | 14000 |
| Дуже важкий ВТ (ПВ=60%) | 14000 | ||
| Важкий Т (ПВ=40%) | 23000 | ||
| Середній С (ПВ=25%) | 29500 | ||
| Легкий Л (ПВ=15%) | 38700 | ||
| Вага пристрою, кг | 615 | ||
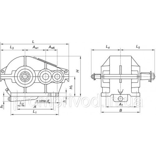
Розміри циліндричного кранового редуктора Ц2-500-8:

| AWT | Awб | A | A1 | B | H | H1 | h | h1 | L | L1 | L2 | L3 | L4 | L5 | d | n |
| 300 | 200 | 640 | 360 | 440 | 598 | 315 | 30 | - | 985 | 785 | 190 | 340 | 390 | 445 | 39 | 6 |
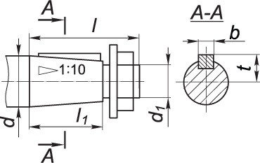
Розміри валів конічної форми циліндричного кранового редуктора Ц2-500-8:

| Вал, розташований на вході | Вал, розташований на виході | ||||||||||
| d | d1 | l | l1 | b | t | d | d1 | l | l1 | b | t |
| 60 | М42×3 | 140 | 105 | 16 | 31.38 | 110 | М80×4 | 210 | 165 | 25 | 55.88 |
| Вал, розташований на виході | ||||||||
| d | d1 | d2 | l | l1 | b | t | n | L |
| 110s6 | 80 | М12 | 165 | 22 | 28 | 120 | 3 | 410 |
| b | d | d1 | d2 | L | l | l1 | Зачеплення | |
| m | z | |||||||
| 40 | 336 | 150F8 | 215 | 330 | 15 | 65 | 8 | 40 |
Редуктор Ц2-500-8
Відгуків про цей товар ще не було.
Немає відгуків про цей товар, станьте першим, залиште свій відгук.
Немає питань про даний товар, станьте першим і задайте своє питання.