Редуктор Ц2У-100-16-11
Редуктор Ц2У-100-16-11 двоступінчастий циліндричний вузький
Редуктор Ц2У-100-16-11 - універсальний перетворювач для отримання необхідного моменту кручення та його передачі приєднаній виконавчій ланці.
Редуктор має два ступені, горизонтальне просторове розташування, вузький компактний корпус та інші переваги, що роблять його незамінним помічником при організації автоматизованих приводів різного призначення.
Найбільш повну інформацію про пристрої, що вас цікавлять, ви можете уточнити у наших менеджерів. Співробітники заводу «Промпривід» допоможуть вам здійснити раціональну покупку без переплат у повній відповідності до вимог експлуатації.
Купити редуктор Ц2У у нашій компанії дуже просто! Телефонуйте за телефонами, вказаними на сайті, або залиште своє повідомлення в чаті, і ми практично миттєво запропонуємо вам найкращий варіант з доставкою по Україні.
Варіант складання редуктора Ц2У

Конструкція редуктора Ц2У-100

Габаритні та приєднувальні розміри
| Тип редуктора | Розмір, мм | n, шт. | h, мм | |||||||||||||||
| АТ | АБ | L | L1 | I | I1 | L2 | L3 | Н | H1 | А | В | B1 | B2 | d | Чавун. корпус | Алюмін. корпус | ||
| не більше | ||||||||||||||||||
| Ц2У-100 | 100 | 80 | 390 | 325 | 136 | 85 | 136 | 165 | 230 | 112 | 290 | 155 | 145 | 109 | 15 | 4 | - | 20±3 |
Основні технічні характеристики
| Показник редуктора | Типорозмір редуктора | ||
| Ц2У-100 | |||
| Номінальне передавальне число | 8; 10; 12.5; 16; 20; 25; 31.5, 40 | ||
| Номінальний крутний момент на вихідному валу при тривалій роботі з постійним навантаженням, Н•м | Безперервний (Б) | 315 | |
| Номінальний крутний момент на вихідному валу при роботі редуктора в повторно-короткочасних режимах, H•м | Важкий (В) | 315 | |
| Середній (С) | |||
| Легкий (Л) | |||
| Допустиме радіальне консольне навантаження, прикладене в середині посадкової частини, Н | Вхідного вала Fвх | Безперервний (Б) | 500 |
| Важкий (В) | |||
| Середній (С) | |||
| Легкий (Л) | |||
| Вихідного вала Fвих | Безперервний (Б) | 4500 | |
| Важкий (В) | |||
| Середній (С) | |||
| Легкий (Л) | |||
| ККД, не менше | 0,97 | ||
| Маса редуктора, кг, не більше | з чавунним корпусом | 37 | |
| з алюмінієвим корпусом | 21 | ||
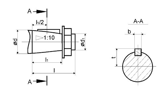
Розміри конічного кінця вхідного та вихідного вала

| Вал | d | d1 | I | I1 | b | t |
| Вх | 20 | М12х1,25 | 50 | 36 | 4 | 10,6 |
| Вих | 35 | М20х1,5 | 80 | 58 | 6 | 18,55 |
Розміри циліндричних валів редукторів Ц2У

| Вал | d | I | b | t |
| Вх | 18 | 36 | 6 | 20,5 |
| Вих | 30 | 58 | 8 | 33 |
Типорозміри підшипників
| Вхідний вал (швидкохідний) | Кількість | Проміжний вал | Кількість | Вихідний вал (тихохідний) | Кількість |
| 7604 | 2 | 7604 | 2 | 7307А | 2 |
Умовне позначення редуктора

Редуктор Ц2У-100-16-11
Відгуків про цей товар ще не було.
Немає відгуків про цей товар, станьте першим, залиште свій відгук.
Немає питань про даний товар, станьте першим і задайте своє питання.