Редуктор Ц2У-100-31.5-12
Редуктор Ц2У-100-31.5-12 двоступінчастий циліндричний вузький
Редуктори Ц2У-100-31.5-12 можна описати як універсальні горизонтальні перетворювачі промислового типу. Вони грають роль демультиплікатора, знижуючи значення швидкості обертання і тим самим підвищуючи момент кручення. Передача цих показників проводиться на виконавчу ланку через виведення тихохідного валу, просторове розташування його та кінця швидкохідного валу, а також їх кількість визначаться щодо необхідного варіанта складання.
Найбільш повну інформацію про пристрої, що вас цікавлять, ви можете уточнити у наших менеджерів. Співробітники заводу «Промпривід» допоможуть вам здійснити раціональну покупку без переплат у повній відповідності до вимог експлуатації.
Купити редуктор Ц2У у нашій компанії дуже просто! Телефонуйте за телефонами, вказаними на сайті, або залиште своє повідомлення в чаті, і ми практично миттєво запропонуємо вам найкращий варіант з доставкою по Україні.
Варіант складання редуктора Ц2У

Конструкція редуктора Ц2У-100

Габаритні та приєднувальні розміри
| Тип редуктора | Розмір, мм | n, шт. | h, мм | |||||||||||||||
| АТ | АБ | L | L1 | I | I1 | L2 | L3 | Н | H1 | А | В | B1 | B2 | d | Чавун. корпус | Алюмін. корпус | ||
| не більше | ||||||||||||||||||
| Ц2У-100 | 100 | 80 | 390 | 325 | 136 | 85 | 136 | 165 | 230 | 112 | 290 | 155 | 145 | 109 | 15 | 4 | - | 20±3 |
Основні технічні характеристики
| Показник редуктора | Типорозмір редуктора | ||
| Ц2У-100 | |||
| Номінальне передавальне число | 8; 10; 12.5; 16; 20; 25; 31.5, 40 | ||
| Номінальний крутний момент на вихідному валу при тривалій роботі з постійним навантаженням, Н•м | Безперервний (Б) | 315 | |
| Номінальний крутний момент на вихідному валу при роботі редуктора в повторно-короткочасних режимах, H•м | Важкий (В) | 315 | |
| Середній (С) | |||
| Легкий (Л) | |||
| Допустиме радіальне консольне навантаження, прикладене в середині посадкової частини, Н | Вхідного вала Fвх | Безперервний (Б) | 500 |
| Важкий (В) | |||
| Середній (С) | |||
| Легкий (Л) | |||
| Вихідного вала Fвих | Безперервний (Б) | 4500 | |
| Важкий (В) | |||
| Середній (С) | |||
| Легкий (Л) | |||
| ККД, не менше | 0,97 | ||
| Маса редуктора, кг, не більше | з чавунним корпусом | 37 | |
| з алюмінієвим корпусом | 21 | ||
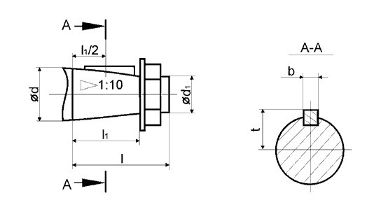
Розміри конічного кінця вхідного та вихідного вала

| Вал | d | d1 | I | I1 | b | t |
| Вх | 20 | М12х1,25 | 50 | 36 | 4 | 10,6 |
| Вих | 35 | М20х1,5 | 80 | 58 | 6 | 18,55 |
Розміри циліндричних валів редукторів Ц2У

| Вал | d | I | b | t |
| Вх | 18 | 36 | 6 | 20,5 |
| Вих | 30 | 58 | 8 | 33 |
Типорозміри підшипників
| Вхідний вал (швидкохідний) | Кількість | Проміжний вал | Кількість | Вихідний вал (тихохідний) | Кількість |
| 7604 | 2 | 7604 | 2 | 7307А | 2 |
Умовне позначення редуктора

Відгуків про цей товар ще не було.
Немає відгуків про цей товар, станьте першим, залиште свій відгук.
Немає питань про даний товар, станьте першим і задайте своє питання.