Редуктор Ц2У-125-20-21
Редуктор Ц2У-125-20-21 двоступінчастий циліндричний вузький
Перетворення механічних величин може здійснюватись за допомогою редуктора Ц2У-125-20-21. Пристрій позиціонується як циліндричний, горизонтальний і двоступінчастий. Це говорить про те, що до складу редуктора входять три вали - ведучий, ведений та проміжний.
Кінці перших двох валів можуть мати різну конфігурацію та кількість висновків. У варіанті складання 21 висновки валів розташовуються по обидва боки механізму паралельно один одному.
Основою успішної виробничої діяльності є коректно підібрані та справно функціонуючі механізми. У компанії «Промпривод» Ви завжди знайдете необхідний вид обладнання за розумною ціною. Дзвоніть нам, щоб купити редуктор Ц2У-125 за низькою вартістю в будь-якому типорозмірі і варіанті складання. Усі перетворювачі, придбані в нашій компанії, пройшли випробування, відповідають необхідним стандартам та повністю готові до експлуатації.
Варіант складання редуктора Ц2У

Конструкція редуктора Ц2У-125

Габаритні та приєднувальні розміри
| Розмір, мм | n, шт. | h, мм | |||||||||||||||
| АТ | АБ | L | L1 | I | I1 | L2 | L3 | Н | H1 | А | В | B1 | B2 | d | Чавун. корпус | люмін. корпус | |
| не більше | |||||||||||||||||
| 125 | 80 | 446 | 375 | 160 | 106 | 145 | 206 | 272 | 132 | 335 | 175 | 165 | 125 | 19 | 4 | - | 22±3 |
Основні технічні характеристики
| Показник редуктора | Типорозмір редуктора | ||
| Ц2У-125 | |||
| Номінальне передавальне число | 8; 10; 12.5; 16; 20; 25; 31.5, 40 | ||
| Номінальний крутний момент на вихідному валу при тривалій роботі з постійним навантаженням, Н•м | Безперервний (Б) | 630 | |
| Номінальний крутний момент на вихідному валу при роботі редуктора в повторно-короткочасних режимах, H•м | Важкий (В) | 630 | |
| Середній (С) | |||
| Легкий (Л) | |||
| Допустиме радіальне консольне навантаження, прикладене в середині посадкової частини, Н | Вхідного валу Fвх | Безперервний (Б) | 750 |
| Важкий (В) | |||
| Середній (С) | |||
| Легкий (Л) | |||
| Вихідного валу Fвих | Безперервний (Б) | 6300 | |
| Важкий (В) | |||
| Середній (С) | |||
| Легкий (Л) | |||
| ККД, не менше | 0,97 | ||
| Маса редуктора, кг, не більше | з чавунним корпусом | 55 | |
| з алюмінієвим корпусом | 31,5 | ||
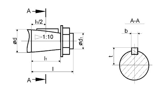
Розміри конічного кінця вхідного та вихідного валу

| Вал | d | d1 | I | I1 | b | t |
| Вх | 20 | М12х1,25 | 50 | 36 | 4 | 10,6 |
| Вих | 45 | М30х2,0 | 110 | 82 | 12 | 23,45 |
Розміри циліндричних валів редукторів Ц2У

| Вал | d | I | b | t |
| Вх | 18 | 36 | 6 | 20,5 |
| Вих | 40 | 82 | 12 | 43 |
Умовне позначення редуктора

Редуктор Ц2У-125-20-21
Відгуків про цей товар ще не було.
Немає відгуків про цей товар, станьте першим, залиште свій відгук.
Немає питань про даний товар, станьте першим і задайте своє питання.