Редуктор Ц2У-160-31.5-22
Редуктор Ц2У-160-31.5-22 двоступінчастий циліндричний вузький
Редуктори Ц2У-160-31.5-22 – пристрої загального призначення, які знайшли своє застосування переважно у машинобудівній галузі. Використовуйте цей вид перетворювачів, якщо вам слід оптимізувати момент кручення системи та застосовувати для цього пристрій, що працює з високим ККД без нагріву, що має вузький корпус та тривалий період експлуатації.
Вибирайте виробника, виходячи з його досвіду та доступності створюваного ним обладнання! Співробітники компанії «Промпривод», які вже понад 10 років займаються створенням якісної техніки, можуть проконсультувати вас з питань виробництва, використання та придбання промислового обладнання будь-якої складності. У нас ви отримаєте гідну знижку за необхідності купити редуктор Ц2У-160 оптом, обов'язкову чесну гарантію та повний комплект документів.
Варіант складання редуктора Ц2У

Конструкція редуктора Ц2У-160

Габаритні та приєднувальні розміри
| Тип редуктора | Розмір, мм | n, шт. | h, мм | |||||||||||||||
| АТ | АБ | L | L1 | I | I1 | L2 | L3 | Н | H1 | А | В | B1 | B2 | d | Чавун. корпус | алюмін. корпус | ||
| не більше | ||||||||||||||||||
| Ц2У-160 | 160 | 100 | 557 | 475 | 200 | 135 | 170 | 224 | 345 | 170 | 425 | 206 | 195 | 140 | 24 | 4 | 24±4 | 28±4 |
Основні технічні характеристики
| Показник редуктора | Типорозмір редуктора | ||
| Ц2У-160 | |||
| Номінальне передавальне число | 8; 10; 12.5; 16; 20; 25; 31.5, 40 | ||
| Номінальний крутний момент на вихідному валу при тривалій роботі з постійним навантаженням, Н•м | Безперервний (Б) | 1250 | |
| Номінальний крутний момент на вихідному валу при роботі редуктора в повторно-короткочасних режимах, H•м | Важкий (В) | 1600 | |
| Середній (С) | 2000 | ||
| Легкий (Л) | 2500 | ||
| Допустиме радіальне консольне навантаження, прикладене в середині посадкової частини, Н | Вхідного валу Fвх | Безперервний (Б) | 1000 |
| Важкий (В) | 1150 | ||
| Середній (С) | 1280 | ||
| Легкий (Л) | 1450 | ||
| Вихідного валу Fвих | Безперервний (Б) | 9000 | |
| Важкий (В) | 10000 | ||
| Середній (С) | 11200 | ||
| Легкий (Л) | 12500 | ||
| ККД, не менше | 0,97 | ||
| Маса редуктора, кг, не більше | з чавунним корпусом | 95 | |
| з алюмінієвим корпусом | 57 | ||
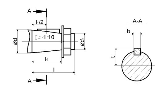
Розміри конічного кінця вхідного та вихідного валу

| Вал | d | d1 | I | I1 | b | t |
| Вх | 25 | М16х1,5 | 60 | 42 | 5 | 13,45 |
| Вих | 55 | М36х3,0 | 110 | 82 | 14 | 28,95 |
Розміри циліндричних валів редукторів Ц2У

| Вал | d | I | b | t |
| Вх | 22 | 42 | 6 | 24,5 |
| Вих | 50 | 105 | 14 | 53,5 |
Розміри валу у вигляді напівмуфти редукторів Ц2У

| Тип редуктора | Ц2У-160 |
| m | 4 |
| z | 40 |
| b | 20 |
| L | 48 |
| L1, не менше | 20 |
| K | 19 |
| B | 38 |
| d* | 72 |
| d1** | 95 |
| d2 | 90 |
Умовне позначення редуктора

Відгуків про цей товар ще не було.
Немає відгуків про цей товар, станьте першим, залиште свій відгук.
Немає питань про даний товар, станьте першим і задайте своє питання.