Редуктор Ц2У-200-31.5-21
Редуктор Ц2У-200-31.5-21 циліндричний двоступінчастий вузький
Виробничі області нерідко вдаються до використання перетворювальної техніки для реалізації оптимізації різних технологічних процесів.
Редуктор Ц2У-200-31.5-21 з універсальними характеристиками часто стає частиною приводів загального призначення, що працюють автоматично.
Щоб розміщення редуктора в мережу пристроїв було найкомфортнішим і ефективнішим, перед покупкою слід вибрати варіант складання.
Найкращий спосіб дізнатися, який перетворювач вам краще придбати - це запитати у професіоналів! Співробітники компанії «Промпривод» допоможуть вам купити редуктор Ц2У, що ідеально вписується в певні критерії роботи системи пристроїв, що вас цікавить.
Ми надаємо повну інформацію щодо особливостей використання циліндричного редуктора, оформляємо чесну річну гарантію на даний вид товарів та постачаємо перетворювач до будь-якого населеного пункту України.
Варіант складання редуктора Ц2У

Конструкція редуктора Ц2У-200

Габаритні та приєднувальні розміри
| Розмір, мм | n, шт. | h, мм | |||||||||||||||
| АТ | АБ | L | L1 | I | I1 | L2 | L3 | Н | H1 | А | В | B1 | B2 | d | чавун. корпус | алюмін. корпус | |
| не більше | |||||||||||||||||
| 200 | 125 | 678 | 580 | 243 | 165 | 212 | 280 | 425 | 212 | 515 | 243 | 230 | 165 | 24 | 4 | 30±4 | - |
Основні технічні характеристики
| Показник редуктора | Типорозмір редуктора | ||
| Ц2У-200 | |||
| Номінальне передавальне число | 8; 10; 12.5; 16; 20; 25; 31.5, 40 | ||
| Номінальний крутний момент на вихідному валу при тривалій роботі з постійним навантаженням, Н•м | Безперервний (Б) | 2500 | |
| Номінальний крутний момент на вихідному валу при роботі редуктора в повторно-короткочасних режимах, H•м | Важкий (В) | 3150 | |
| Середній (С) | 4000 | ||
| Легкий (Л) | 5000 | ||
| Допустиме радіальне консольне навантаження, прикладене в середині посадкової частини, Н | Вхідного валу Fвх | Безперервний (Б) | 2240 |
| Важкий (В) | 2500 | ||
| Середній (С) | 2800 | ||
| Легкий (Л) | 3150 | ||
| Вихідного валу Fвих | Безперервний (Б) | 12500 | |
| Важкий (В) | 14000 | ||
| Середній (С) | 16000 | ||
| Легкий (Л) | 18000 | ||
| ККД, не менше | 0,97 | ||
| Маса редуктора, кг, не більше | з чавунним корпусом | 170 | |
| з алюмінієвим корпусом | - | ||
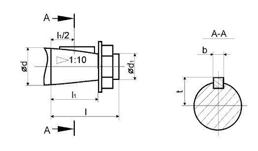
Розміри конічного кінця вхідного та вихідного валу

| Вал | d | d1 | I | I1 | b | t |
| Вх | 30 | М20х1,5 | 80 | 58 | 5 | 15,55 |
| Вих | 70 | М48х3,0 | 140 | 105 | 18 | 36,38 |
Розміри циліндричних валів редукторів Ц2У

| Вал | d | I | b | t |
| Вх | 25 | 58 | 8 | 28 |
| Вих | 65 | 105 | 18 | 69 |
Розміри валу у вигляді напівмуфти редукторів Ц2У

| Тип редуктора | Ц2У-200 |
| m | 5 |
| z | 40 |
| b | 25 |
| L | 55 |
| L1, не менше | 32 |
| K | 22 |
| B | 50 |
| d* | 80 |
| d1** | 105 |
| d2 | 100 |
Умовне позначення редуктора

Відгуків про цей товар ще не було.
Немає відгуків про цей товар, станьте першим, залиште свій відгук.
Немає питань про даний товар, станьте першим і задайте своє питання.