Редуктор Ц2У-250-10-11
Редуктор Ц2У-250-10-11 двоступінчастий циліндричний вузький
Підключити редуктор Ц2У-250-10-11 до двигуна та виконавчого пристрою можна, використовуючи кінці вихідного валу. Їхнє просторове розташування, а також кількість визначається варіантом складання. Циліндричні редуктори серії Ц2У можуть бути складені за будь-яким складанням, зазначеним у ГОСТ 20373-94 для перетворювачів загального призначення.
Дізнайтесь більше про різні види обладнання від менеджерів нашого підприємства «Промпривод». Залишайте свої питання та замовлення на сайті або спілкуйтесь безпосередньо з кваліфікованим персоналом, щоб купити редуктор Ц2У-250 на вигідних умовах.
У нас ви отримаєте детальну консультацію, доставку до будь-якого регіону України, а також обов'язкову гарантію на будь-який придбаний товар у нашому інтернет-магазині.
Варіант складання редуктора Ц2У

Конструкція редуктора Ц2У-250

Габаритні та приєднувальні розміри
| Розмір, мм | n, шт. | h, мм | |||||||||||||||
| АТ | АБ | L | L1 | I | I1 | L2 | L3 | Н | H1 | А | В | B1 | B2 | d | Чавун. корпус | Алюмін. корпус | |
| не більше | |||||||||||||||||
| 250 | 160 | 829 | 730 | 290 | 212 | 265 | 335 | 530 | 265 | 670 | 290 | 280 | 218 | 28 | 4 | 32±4 | - |
Основні технічні характеристики
| Показник редуктора | Типорозмір редуктора | ||
| Ц2У-250 | |||
| Номінальне передавальне число | 8; 10; 12.5; 16; 20; 25; 31.5, 40 | ||
| Номінальний крутний момент на вихідному валу при тривалій роботі з постійним навантаженням, Н•м | Безперервний (Б) | 5000 | |
| Номінальний крутний момент на вихідному валу при роботі редуктора в повторно-короткочасних режимах, H•м | Важкий (В) | 6300 | |
| Середній (С) | 8000 | ||
| Легкий (Л) | 10000 | ||
| Допустиме радіальне консольне навантаження, прикладене в середині посадкової частини, Н | Вхідного валу Fвх | Безперервний (Б) | 3150 |
| Важкий (В) | 3550 | ||
| Середній (С) | 4000 | ||
| Легкий (Л) | 4500 | ||
| Вихідного валу Fвих | Безперервний (Б) | 18000 | |
| Важкий (В) | 20000 | ||
| Середній (С) | 22400 | ||
| Легкий (Л) | 25000 | ||
| ККД, не менше | 0,97 | ||
| Маса редуктора, кг, не більше | з чавунним корпусом | 310 | |
| з алюмінієвим корпусом | - | ||
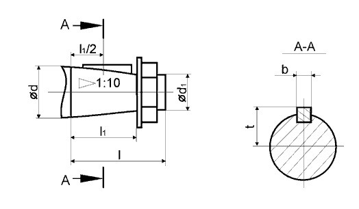
Розміри конічного кінця вхідного та вихідного валу

| Вал | d | d1 | I | I1 | b | t |
| Вх | 40 | М24х2,0 | 110 | 82 | 10 | 20,9 |
| Вих | 90 | М64х4,0 | 170 | 130 | 22 | 46,75 |
Розміри циліндричних валів редукторів Ц2У

| Вал | d | I | b | t |
| Вх | 35 | 82 | 10 | 38 |
| Вих | 85 | 170 | 22 | 90 |
Розміри валу у вигляді напівмуфти редукторів Ц2У

| Тип редуктора | Ц2У-250 |
| m | 4 |
| z | 56 |
| b | 35 |
| L | 63 |
| L1, не менше | 16 |
| K | 31 |
| B | 50 |
| d* | 120 |
| d1** | 170 |
| d2 | 150 |
Умовне позначення редуктора

Редуктор Ц2У-250-10-11
Відгуків про цей товар ще не було.
Немає відгуків про цей товар, станьте першим, залиште свій відгук.
Немає питань про даний товар, станьте першим і задайте своє питання.