Редуктор Ц2У-250-8-21
Редуктор Ц2У-250-8-21 двоступінчастий циліндричний вузький
Вирішення багатьох машинобудівних завдань досягається за допомогою використання редуктора Ц2У-250-8-21. Це універсальний перетворювач циліндричного типу та горизонтального виконання.
Він використовує два зубчасті ступеня для редукування частоти обертання та підвищення, а також передачі крутного моменту для ефективної роботи наступних ланок ланцюга пристроїв.
Дізнайтесь більше про різні види обладнання від менеджерів нашого підприємства «Промпривод». Залишайте свої питання та замовлення на сайті або спілкуйтесь безпосередньо з кваліфікованим персоналом, щоб купити редуктор Ц2У-250 на вигідних умовах.
У нас ви отримаєте детальну консультацію, доставку до будь-якого регіону України, а також обов'язкову гарантію на будь-який придбаний товар у нашому інтернет-магазині.
Варіант складання редуктора Ц2У

Конструкція редуктора Ц2У-250

Габаритні та приєднувальні розміри
| Розмір, мм | n, шт. | h, мм | |||||||||||||||
| АТ | АБ | L | L1 | I | I1 | L2 | L3 | Н | H1 | А | В | B1 | B2 | d | Чавун. корпус | Алюмін. корпус | |
| не більше | |||||||||||||||||
| 250 | 160 | 829 | 730 | 290 | 212 | 265 | 335 | 530 | 265 | 670 | 290 | 280 | 218 | 28 | 4 | 32±4 | - |
Основні технічні характеристики
| Показник редуктора | Типорозмір редуктора | ||
| Ц2У-250 | |||
| Номінальне передавальне число | 8; 10; 12.5; 16; 20; 25; 31.5, 40 | ||
| Номінальний крутний момент на вихідному валу при тривалій роботі з постійним навантаженням, Н•м | Безперервний (Б) | 5000 | |
| Номінальний крутний момент на вихідному валу при роботі редуктора в повторно-короткочасних режимах, H•м | Важкий (В) | 6300 | |
| Середній (С) | 8000 | ||
| Легкий (Л) | 10000 | ||
| Допустиме радіальне консольне навантаження, прикладене в середині посадкової частини, Н | Вхідного валу Fвх | Безперервний (Б) | 3150 |
| Важкий (В) | 3550 | ||
| Середній (С) | 4000 | ||
| Легкий (Л) | 4500 | ||
| Вихідного валу Fвих | Безперервний (Б) | 18000 | |
| Важкий (В) | 20000 | ||
| Середній (С) | 22400 | ||
| Легкий (Л) | 25000 | ||
| ККД, не менше | 0,97 | ||
| Маса редуктора, кг, не більше | з чавунним корпусом | 310 | |
| з алюмінієвим корпусом | - | ||
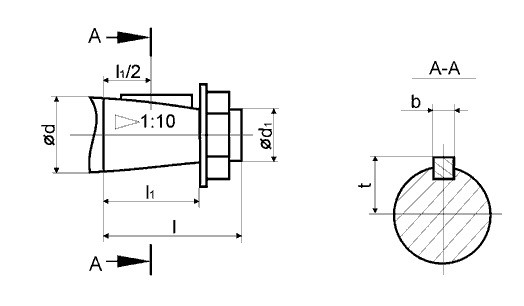
Розміри конічного кінця вхідного та вихідного валу

| Вал | d | d1 | I | I1 | b | t |
| Вх | 40 | М24х2,0 | 110 | 82 | 10 | 20,9 |
| Вих | 90 | М64х4,0 | 170 | 130 | 22 | 46,75 |
Розміри циліндричних валів редукторів Ц2У

| Вал | d | I | b | t |
| Вх | 35 | 82 | 10 | 38 |
| Вих | 85 | 170 | 22 | 90 |
Розміри валу у вигляді напівмуфти редукторів Ц2У

| Тип редуктора | Ц2У-250 |
| m | 4 |
| z | 56 |
| b | 35 |
| L | 63 |
| L1, не менше | 16 |
| K | 31 |
| B | 50 |
| d* | 120 |
| d1** | 170 |
| d2 | 150 |
Умовне позначення редуктора

Редуктор Ц2У-250-8-21
Відгуків про цей товар ще не було.
Немає відгуків про цей товар, станьте першим, залиште свій відгук.
Немає питань про даний товар, станьте першим і задайте своє питання.