Редуктор ЦТНД-315-125
Циліндричний редуктор ЦТНД-315-125
Циліндричний редуктор ЦТНД-315-125 є дуже надійним та довговічним пристроєм. Його застосовують у шахтному устаткуванні для зміни параметрів обертання приводів. Працювати він може як тривалий час без зупинок, так і в повторно-короткочасному режимі.
Редуктор ЦТНД-315-125 виконаний у чавунному корпусі, у якому розміщено двоступінчастий механізм із зачепленням Новікова. Для продовження терміну служби та виключення можливості передчасного виходу з ладу рекомендують не використовувати його в агресивному та сильнозапиленому середовищі.
Компанія виробник «Промпривод» пропонує Вам купити редуктор ЦТНД-315-125 за найвигіднішою ціною. Ми виготовляємо лише якісний товар, що підтверджується гарантією на 12 місяців.
До кожного редуктора додається оригінальний паспорт. Зателефонувавши за вказаним на сайті номером, наші фахівці нададуть Вам кваліфіковану допомогу та допоможуть підібрати потрібний редуктор.
Наша компанія здійснює доставку по всій території України в максимально короткі терміни, будь-яким зручним для Вас способом.
Технічні характеристики редуктора ЦТНД-315-125
| Найменування технічних характеристик | Типорозмір редуктора | |
| ЦТНД-315 | ||
| Передавальні числа | 125 | |
| Допустиме радіально консольне навантаження на тихохідному валу, Н | 24000 | |
| Номінальний момент, що крутить, на тихохідному валу, Н.м. | 8300 | |
| ККД | 0,96 | |
| Маса, кг | 485 | |
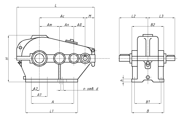
Схема габаритних і приєднувальних розмірів редуктора ЦТНД-315-125

| Редуктор | Aw т | Aw з | A | A 1 | B | H | H 1 | L | L 1 | L 2 | L 3 | L 4 | d | п |
| ЦТНД-315 | 315 | 640 | 560 | 280 | 350 | 640 | 335 | 1110 | 680 | 130 | 243 | 365 | 26 | 6 |
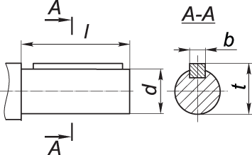
Приєднувальні розміри циліндричних валів редуктора ЦТНД-315-125

| швидкохідний вал | ||||
| Редуктор | d | l | b | t |
| ЦТНД-315 | 32 | 58 | 10 | 35 |
| тихохідний вал | ||||
| Редуктор | d | l | b | t |
| ЦТНД-315 | 110 | 165 | 28 | 116 |
Варіанти складання редуктора ЦТНД-315-125

Схема умовних позначень редуктора ЦТНД-315-125
Редуктор ЦТНД-315-125
Відгуків про цей товар ще не було.
Немає відгуків про цей товар, станьте першим, залиште свій відгук.
Немає питань про даний товар, станьте першим і задайте своє питання.
