Редуктор ЦТНД-315-63
Циліндричний редуктор ЦТНД-315-63
Циліндричний редуктор ЦТНД-315-63 – це пристрій, що складається з чавунного корпусу та двоступінчастого механізму із застосуванням зачеплення Новікова. Використовується найчастіше в шахтному устаткуванні з метою зміни параметрів обертання різних приводів.
Редуктор ЦТНД-315-63 має міжосьову відстань 315 мм, а передавальне відношення 63i. Може експлуатуватися як у тривалому, так і повторно-короткочасному режимі. Вали обертаються у будь-якому з необхідних напрямків. Дуже надійний та довговічний.
Компанія виробник «Промпривод» пропонує Вам купити редуктор ЦТНД-315-63 за найвигіднішою ціною. Ми виготовляємо лише якісний товар, що підтверджується гарантією на 12 місяців.
До кожного редуктора додається оригінальний паспорт. Зателефонувавши за вказаним на сайті номером, наші фахівці нададуть Вам кваліфіковану допомогу та допоможуть підібрати потрібний редуктор.
Наша компанія здійснює доставку по всій території України в максимально короткі терміни, будь-яким зручним для Вас способом.
Технічні характеристики редуктора ЦТНД-315-63
| Найменування технічних характеристик | Типорозмір редуктора | |||
| ЦТНД-315 | ЦТНД-400 | ЦТНД-500 | ||
| Передавальні числа | 63, 80, 100, 125, 160 | |||
| Допустиме радіально консольне навантаження на тихохідному валу, Н | 24000 | 32600 | 42200 | |
| Номінальний момент, що крутить, на тихохідному валу, Н.м. | 8300 | 17000 | 28500 | |
| ККД | 0,96 | |||
| Маса, кг | 485 | 911 | 1448 | |
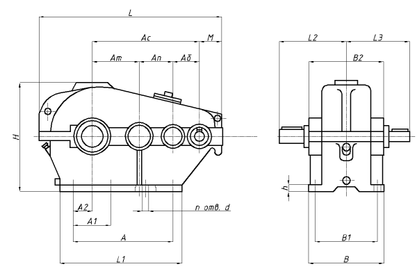
Схема габаритних і приєднувальних розмірів редуктора ЦТНД-315-63

| Редуктор | Aw т | Aw з | A | A 1 | B | H | H 1 | L | L 1 | L 2 | L 3 | L 4 | d | п |
| ЦТНД-315 | 315 | 640 | 560 | 280 | 350 | 640 | 335 | 1110 | 680 | 130 | 243 | 365 | 26 | 6 |
| ЦТНД-400 | 400 | 810 | 720 | 340 | 430 | 820 | 425 | 1385 | 860 | 170 | 307 | 455 | 33 | 8 |
| ЦТНД-500 | 500 | 1015 | 915 | 400 | 490 | 985 | 500 | 1720 | 1080 | 215 | 340 | 517 | 33 | 8 |
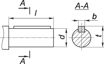
Приєднувальні розміри циліндричних валів редуктора ЦТНД-315-63

| швидкохідний вал | ||||
| Редуктор | d | l | b | t |
| ЦТНД-315 | 32 | 58 | 10 | 35 |
| ЦТНД-400 | 40 | 82 | 12 | 43 |
| ЦТНД-500 | 50 | 82 | 14 | 53,5 |
| тихохідний вал | ||||
| Редуктор | d | l | b | t |
| ЦТНД-315 | 110 | 165 | 28 | 116 |
| ЦТНД-400 | 140 | 200 | 36 | 148 |
| ЦТНД-500 | 160 | 240 | 40 | 169 |
Варіанти складання редуктора ЦТНД-315-63

Схема умовних позначень редуктора ЦТНД-315-63

Редуктор ЦТНД-315-63
Відгуків про цей товар ще не було.
Немає відгуків про цей товар, станьте першим, залиште свій відгук.
Немає питань про даний товар, станьте першим і задайте своє питання.