Редуктор ЦТНД-500-125
Циліндричний редуктор ЦТНД-500-125
Циліндричний редуктор ЦТНД-500 з передавальним числом 125i застосовується у механізмах гірничодобувної галузі. Його завдання – це зменшення кількості обертів і збільшення моменту приводу, що крутить. Вали редуктора можуть обертатися у будь-якому напрямку. Працює він, як у тривалому, і у повторно-короткочасному режимі.
У механізмі редуктора ЦТНД-500-125 використовують зчеплення Новікова. Сам собою він дуже надійний і довговічний, і навіть має високий показник ККД.
Не рекомендується експлуатація у сильно запиленому та агресивному середовищі, оскільки це сприяє зменшенню його терміну служби.
Компанія виробник «Промпривод» пропонує Вам купити редуктор ЦТНД-500-125 за найвигіднішою ціною. Ми виготовляємо лише якісний товар, що підтверджується гарантією на 12 місяців. До кожного редуктора додається оригінальний паспорт. Зателефонувавши за вказаним на сайті номером, наші фахівці нададуть Вам кваліфіковану допомогу та допоможуть підібрати потрібний редуктор.
Наша компанія здійснює доставку по всій території України в максимально короткі терміни, будь-яким зручним для Вас способом.
Технічні характеристики редуктора ЦТНД-500-125
| Найменування технічних характеристик | Типорозмір редуктора | |
| ЦТНД-500 | ||
| Передавальні числа | 125 | |
| Допустиме радіально консольне навантаження на тихохідному валу, Н | 42200 | |
| Номінальний момент, що крутить, на тихохідному валу, Н.м. | 28500 | |
| ККД | 0,96 | |
| Маса, кг | 1448 | |
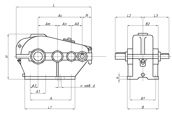
Схема габаритних і приєднувальних розмірів редуктора ЦТНД-500-125

| Редуктор | Aw т | Aw з | A | A 1 | B | H | H 1 | L | L 1 | L 2 | L 3 | L 4 | d | п |
| ЦТНД-500 | 500 | 1015 | 915 | 400 | 490 | 985 | 500 | 1720 | 1080 | 215 | 340 | 517 | 33 | 8 |
Приєднувальні розміри циліндричних валів редуктора ЦТНД-500-125

| швидкохідний вал | ||||
| Редуктор | d | l | b | t |
| ЦТНД-500 | 50 | 82 | 14 | 53,5 |
| тихохідний вал | ||||
| Редуктор | d | l | b | t |
| ЦТНД-500 | 160 | 240 | 40 | 169 |
Варіанти складання редуктора ЦТНД-500-125

Схема умовних позначень редуктора ЦТНД-500-125

Редуктор ЦТНД-500-125
Відгуків про цей товар ще не було.
Немає відгуків про цей товар, станьте першим, залиште свій відгук.
Немає питань про даний товар, станьте першим і задайте своє питання.